继电器驱动电路是一种当输入量变化到某一定值时,其触头(或电路)即接通 或分断交直流小容量控制回路。
1.继电器驱动电路作用
继电器是具有隔离功能的自动开关元件,当输入回路中激励量的变化达到规定值时,能使输出回路中的被控电量发生预定阶跃变化的自动电路控制器件。它具有能反应外界某种激励量(电或非电)的感应机构、对被控电路实现"通"、"断"控制的执行机构,以及能对激励量的大小完成比较、判断和转换功能的中间比较机构。继电器广泛应用于???、遥测、通讯、自动控制、机电一体化及和航天技术等领域,起控制、保护、调节和传递信息的作用。
继电器一般都有能反映一定输入变量(如电流、电压、功率、阻抗、频率、温度、压力、速度、光等)的感应机构(输入部分);有能对被控电路实现"通"、"断"控制的执行机构(输出部分);在继电器的输入部分和输出部分之间,还有对输入量进行耦合隔离,功能处理和对输出部分进行驱动的中间机构(驱动部分)。
而作为控制元件,继电器有如下几种作用:
(1)扩大控制范围:例如,多触点继电器控制信号达到某一定值时,可以按触点组的不同形式,同时换接、开断、接通多路电路。
(2)放大:例如,灵敏型继电器、中间继电器等,用一个很微小的控制量,可以控制很大功率的电路
(3)综合信号:例如,当多个控制信号按规定的形式输入多绕组继电器时,经过比较综合,达到预定的控制效果。
(4)自动、遥控、监测:例如,自动装置上的继电器与其他电器一起,可以组成程序控制线路,从而实现自动化运行。
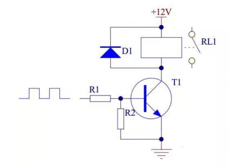
2.继电器驱动电路图

3.继电器驱动电路原理
电磁式继电器一般由铁芯、线圈、衔铁、触点簧片等组成的。只要在线圈两端加上一定的电压,线圈中就会流过一定的电流,从而产生电磁效应,衔铁就会在电磁力吸引的作用下克服返回弹簧的拉力吸向铁芯,从而带动衔铁的动触点与静触点(常开触点)吸合。当线圈断电后,电磁的吸力也随之消失,衔铁就会在弹簧的反作用力返回原来的位置,使动触点与原来的静触点(常闭触点)释放。这样吸合、释放,从而达到了在电路中的导通、切断的目的。对于继电器的“???、常闭”触点,可以这样来区分:继电器线圈未通电时处于断开状态的静触点,称为“常开触点”;处于接通状态的静触点称为“常闭触点”。

当输入高电平时,晶体管T1饱和导通,继电器线圈通电,触点吸合。
当输入低电平时,晶体管T1截止,继电器线圈断电,触点断开。
晶体管T1为控制开关。电阻R1主要起限流作用,降低晶体管T1功耗。电阻R2使晶体管T1可靠截止。二极管D1反向续流,为三极管由导通转向关断时为继电器线圈中的提供泄放通路,并将其电压箝位在+12V上。

继电器串联 RC 电路:这种形式主要应用于继电器的额定工作电压低于电源电压的电路中。当电路闭合时,继电器线圈由于自感现象会产生电动势阻碍线圈中电流的增大,从而延长了吸合时间,串联上 RC 电路后则可以缩短吸合时间。原理是电路闭合的瞬间,电容 C 两端电压不能突变可视为短路,这样就将比继电器线圈额定工作电压高的电源电压加到线圈上, 从而加快了线圈中电流增大的速度,使继电器迅速吸合。电源稳定之后电容 C 不起作用,电阻 R 起限流作用。
烜芯微专业制造二极管,三极管,MOS管,桥堆等20年,工厂直销省20%,4000家电路电器生产企业选用,专业的工程师帮您稳定好每一批产品,如果您有遇到什么需要帮助解决的,可以点击右边的工程师,或者点击销售经理给您精准的报价以及产品介绍
烜芯微专业制造二极管,三极管,MOS管,桥堆等20年,工厂直销省20%,4000家电路电器生产企业选用,专业的工程师帮您稳定好每一批产品,如果您有遇到什么需要帮助解决的,可以点击右边的工程师,或者点击销售经理给您精准的报价以及产品介绍