传真:
18923864027
QQ:
709211280
地址:
深圳市福田区振中路84号爱华科研楼7层
二极管漏电流和反向电压的关系介绍在半导体器件选型环节,二极管的正向导通压降、反向耐压、反向漏电流等核心参数备受关注。但这些参数在不
齐纳二极管的使用介绍在半导体器件领域,PN 结二极管的反向击穿特性至关重要。于常规状态下的反向偏置 PN 结,仅有微小漏电流,其值基本
晶体二极管的分类与主要参数介绍在电子元件的庞大体系中,二极管以其独特的单向导电性和简洁的两电极结构,成为现代电子产业不可或缺的基石
影响雪崩二极管响应速度的原因介绍一、引言在半导体技术的广阔领域中,雪崩二极管以其独特的雪崩倍增效应和载流子渡越时间效应,成为一种能
光敏二极管与光敏电阻的区别介绍一、光敏二极管概述光敏二极管,亦称光电二极管,是一种具备独特光电转换能力的半导体器件。它能够将接收到
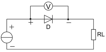
PN结的特性导致二极管的单向导电特性介绍在电子电路中二极管是非常常见的元器件,经?;岜皇褂茫艿奶匦钦虻纪?,反向截止。当在二
二极管的基本原理与使用要点介绍一、引言在电子技术的浩瀚海洋中,二极管作为基础且关键的半导体器件之一,自诞生以来便凭借其独特的单向导
二极管温度检测电路的缺陷与改进介绍一、功率集成电路与过热?;じ攀龉β始傻缏纷魑缱蛹际趿煊虻墓丶?,具备一定的负载能力,能够处
整流二极管损坏的原因与选用介绍一、二极管概述二极管作为半导体技术发展史上早期诞生的关键器件之一,在电子领域占据着举足轻重的地位,其
TVS二极管的特点有哪些TVS(瞬态电压抑制)二极管是一种高效的限压型过压?;て骷?,能够将异常高压迅速钳制在安全区间,为后级电路筑起一道
稳压二极管应用电路中主要参数要求介绍稳压二极管是一种特殊的半导体器件,其基本结构虽与普通二极管相似,拥有一个 PN 结,但由于独特的
二极管在电路设计中的应用介绍二极管作为一种基础且核心的电子元器件,在各类电路设计中发挥着不可或缺的作用。尽管许多工程师对二极管有所