二极管作为一种基础且核心的电子元器件,在各类电路设计中发挥着不可或缺的作用。尽管许多工程师对二极管有所了解,但在实际应用中,仍需深入探究其特性与功能,以应对复杂多变的电路问题。本文将深入剖析二极管在电路中的八大关键作用,并结合实际应用场景,阐述其工作原理与设计要点。
一、防反作用:守护电路安全的首道防线
在主回路中,通过串联一个二极管,巧妙地利用其单向导电特性,能够以极低的成本实现可靠的防反接功能。这一方案尤其适用于小电流应用场景,如儿童玩具等便携式电子设备。然而,值得注意的是,二极管导通时存在约 0.7V(硅管)的导通压降。当实际电流较大时,这一压降会导致热损耗,进而引发发热问题,影响电路稳定性。此外,若反接电压超过二极管的反向截止电压,二极管可能被击穿,失去防反接功能,无法有效?;ず蠹兜缏?。因此,在高电流或高反接电压场景中,需谨慎评估二极管的适用性,或采用其他防护措施以确保电路安全。


二、整流作用:交流到直流的关键转化
整流电路的主要功能是将交流降压电路输出的低电压交流电转换为单向脉动性直流电,这一过程被称为交流电的整流。整流电路的核心元件即为整流二极管。经过整流电路处理后的电压,不再是纯粹的交流电压,而是一种混合电压,其中既包含直流电压,也含有一定量的交流电压成分。这种单向脉动性直流电压在许多电子设备中具有广泛应用,如直流电源适配器等。为了获得更平滑的直流输出,通常会在整流电路后级添加滤波电路,以进一步降低电压纹波,提高电源质量。


三、稳压作用:维持电压稳定的中流砥柱
稳压二极管,亦称齐纳二极管(Zener diode),是一种能够实现稳压功能的特殊二极管。其工作原理基于 PN 结的反向击穿特性。在反向击穿状态下,尽管流经稳压二极管的电流可在较大范围内变化,但其两端电压却能保持基本恒定。这一特性使得稳压二极管在稳压电源、电压基准源等电路中大放异彩。例如,在实验室使用的高精度稳压电源中,稳压二极管与其他元件协同工作,为电子设备提供稳定的直流电压,确保实验数据的准确性与可靠性。


四、续流作用:?;じ行愿涸氐牡昧χ?/div>
在含有感性元器件(如线圈、电机等)的电路中,续流二极管发挥着至关重要的作用。感性元器件在通电时,其两端会产生感应电动势。当电流切断时,这一感应电动势会反向作用于电路,可能引发高反向电压,对电路中的其他元件(如三极管)造成损坏。续流二极管通过并联在线圈两端,为感应电动势提供了一个释放路径。当电流消失时,线圈产生的感应电动势通过续流二极管和线圈构成的回路消耗掉,从而有效?;ち说缏分械钠渌馐芩鸷Α?br />

此外,在 BUCK 芯片电路中,续流二极管同样发挥着关键作用,确保电路的稳定运行。


此外,在 BUCK 芯片电路中,续流二极管同样发挥着关键作用,确保电路的稳定运行。

五、检波作用:精准提取信号峰值的利器
峰值检波电路主要用于检测输入信号幅值的最大值。其工作原理是:当输入电压幅度超过二极管的正向电压时,二极管导通,输出电压对电容 C1 充电,直至电容两端电压与输入电压幅值相等。当输入电压幅值低于先前值时,二极管处于反偏截止状态,电容两端电压基本保持不变。若后续输入信号的幅度高于电容两端电压(即二极管的正向电压),二极管再次导通,电容更新存储的电压值。峰值检波电路在信号处理领域具有广泛应用,如通信系统中的信号幅度检测、音频设备中的峰值指示等,能够帮助工程师实时监测信号的峰值变化,确保信号处理的准确性和可靠性。


六、倍压作用:巧妙提升电压的电路技巧
倍压电路是一种能够利用二极管和电容的特性,将电源电压倍增的电路。以常见的二倍压电路为例,其工作过程如下:在电源负半周时,二极管 D1 导通,D2 截止,电流从电源下端流出,经过 D1 对电容 C1 充电,使 C1 右侧为正,左侧为负(如图中红色箭头所示)。

在电源正半周时,电容 C1 上的电压与电源电压叠加,使二极管 D2 导通,D1 截止,电容 C2 开始充电,其上侧为正,下侧为负。此时,C2 两端的峰值电压可达到电源峰值电压的两倍,从而实现二倍压功能。倍压电路在一些需要较高电压但又不便于直接使用高电压电源的场合具有重要应用,如电子点火装置、静电发生器等,能够在有限的空间和电源条件下,提供所需的高电压输出。

在电源正半周时,电容 C1 上的电压与电源电压叠加,使二极管 D2 导通,D1 截止,电容 C2 开始充电,其上侧为正,下侧为负。此时,C2 两端的峰值电压可达到电源峰值电压的两倍,从而实现二倍压功能。倍压电路在一些需要较高电压但又不便于直接使用高电压电源的场合具有重要应用,如电子点火装置、静电发生器等,能够在有限的空间和电源条件下,提供所需的高电压输出。
七、ADC 检测口电压钳位作用:保障信号采集精度的防护盾
在一些 ADC(模数转换器)检测电路中,常采用两个二极管进行钳位保护。其原理基于二极管的导通压降特性。当输入电压 Vin 大于等于 3.3V + 0.7V(假设二极管 D1 和 D2 的导通压降均为 0.7V)时,二极管 D35 导通,将输出电压 Vout 钳位在 4V 左右;当 Vin 小于等于 -0.7V 时,Vout 被钳位在 -0.7V 左右。

这种钳位?;ご胧┠芄挥行Х乐故淙胄藕懦?ADC 的工作电压范围,避免 ADC 被损坏,同时确保信号采集的精度。在数据采集系统、传感器信号处理等应用中,电压钳位电路是保障数据准确性和设备可靠性的关键环节。

这种钳位?;ご胧┠芄挥行Х乐故淙胄藕懦?ADC 的工作电压范围,避免 ADC 被损坏,同时确保信号采集的精度。在数据采集系统、传感器信号处理等应用中,电压钳位电路是保障数据准确性和设备可靠性的关键环节。
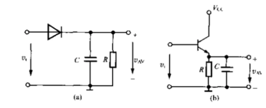
八、包络线检测作用:精准还原信号包络的检测手段
包络线检测电路的结构相对简单,但其设计要点在于合理选择 RC 时间常数。具体要求为,RC 时间常数需远大于载频的周期,同时又要远小于调制信号的周期。

只有满足这一条件,才能确保电路能够准确地跟踪输入信号的包络变化,实现对调制信号的有效检测。包络线检测在通信领域具有广泛应用,如 AM(调幅)广播接收机、无线通信信号解调等。通过包络线检测,能够从高频调制信号中提取出原始基带信号,实现信息的准确传输与接收。
〈烜芯微/XXW〉专业制造二极管,三极管,MOS管,桥堆等,20年,工厂直销省20%,上万家电路电器生产企业选用,专业的工程师帮您稳定好每一批产品,如果您有遇到什么需要帮助解决的,可以直接联系下方的联系号码或加QQ/微信,由我们的销售经理给您精准的报价以及产品介绍

只有满足这一条件,才能确保电路能够准确地跟踪输入信号的包络变化,实现对调制信号的有效检测。包络线检测在通信领域具有广泛应用,如 AM(调幅)广播接收机、无线通信信号解调等。通过包络线检测,能够从高频调制信号中提取出原始基带信号,实现信息的准确传输与接收。
〈烜芯微/XXW〉专业制造二极管,三极管,MOS管,桥堆等,20年,工厂直销省20%,上万家电路电器生产企业选用,专业的工程师帮您稳定好每一批产品,如果您有遇到什么需要帮助解决的,可以直接联系下方的联系号码或加QQ/微信,由我们的销售经理给您精准的报价以及产品介绍
联系号码:18923864027(同微信)
QQ:709211280
- 上一篇:稳压二极管的作用详解
- 下一篇:最后一页
相关阅读