传真:
18923864027
QQ:
709211280
地址:
深圳市福田区振中路84号爱华科研楼7层
双极性三极管的详解双极性三极管(BJT)只有一种粒子参与导电,也称晶体管。它是通过一定的工艺将两个PN结结合在一起的器件,有PNP和NPN两
PNP晶体管匹配电路与配置电阻值介绍PNP晶体管与我们在上一个教程中看到的NPN晶体管器件完全相反?;旧?,在在这种类型的晶体管结构中,两
电子管OTL功放原理与电路介绍电子管OTL功放原理及电路OTL是英文Output Transformer Less Amplifier的简称,是一种无输出变压器的功率放
二极管电桥是怎么工作的二极管电桥是用于将交流电 (AC) 转换为直流电 (DC) 的简单电路。在本指南中,您将了解它是如何工作的、它的
三极管的工作原理介绍在电子线路中三极管是非常重要的元件之一,也是非常复杂的元件之一。三极管是一种电流控制电流的半导体器件,其作用是
光电晶体管的工作原理,怎么用光电晶体管构建一个自动开关光电晶体管是用于检测电子项目中光的非常有用的组件。您经?;嵩谝?亟邮掌?、脉搏
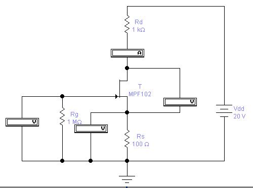
结型场效应管JFET偏置电路介绍一、 实验目的1、 学习JFET自偏电压电路。2、 学习JFET分压偏置电路。3、 估算JFET自偏压电路的静态工作
变容二极管直接调频电路实验介绍一、实验目的1 掌握用变容二极管调频电路实现FM的方法;2 理解静态调制特性、动态调制特性概念和测试方法。
BUCK电路中的同步整流和非同步整流介绍现在的buck电路大多数用的集成芯片,你可以发现基本看不到开关管、二极管的身影,只能看到电感。一方
开关电源的输出二极管选取要考虑什么因素开关电源的输出二极管选取一般要考虑以下因素:根据电源的开关速度来选取不同反向恢复时间的二极管
PMOS晶体管工作原理,pmos晶体管的各个工作区域介绍PMOS晶体管,也称为P沟道金属氧化物半导体,是一种晶体管形式,其中沟道或栅极区域使用p
介绍晶体管偏置的大小由什么决定的一般来说,输人信号是微弱的。因此,预先对基极流通一定大小的电流,在此基础上即使输入信号稍有变动,其