传真:
18923864027
QQ:
709211280
地址:
深圳市福田区振中路84号爱华科研楼7层
用晶体管,三极管以PWM波形来驱动风扇的电路图介绍这种IC的例子有两个,一个是直流驱动,另一个是PWM驱动,如图1和2所示。图1中的IC远程检测
三极管输入特性曲线,三极管输出特性曲线介绍图1-81所示是某型号三极管共发射极电路输入特性曲线。图中,x轴为发射结的正向偏置电压大小,对
三极管的放大作用简述先给出三极管内部结构图:图1三极管结构特点:(1) 基区很薄,且掺杂浓度低;(2) 发射区掺杂浓度比基区和集电区高得
三极管常见应用电路图介绍关于三极管的应用电路有很多,今天就汇总一下比较典型的三极管电路,对比一起区别点以及对应的应用场合。1 下图是
三极管的放大原理介绍关于三极管的原理,前人之述备矣,本文只强调一点:三极管是电流型放大器件,放大基极电流。放大是对模拟信号最基本的
场效应管是怎么导通的,场效应管导通与截止的条件介绍场效应管是如何导通的在使用场效应管设计开关电源或者马达驱动电路的时候,大部分人都
TVS二极管的特性,TVS二极管应用介绍TVS二极管瞬态抑制二极管简称TVS(TransientVoltageSuppressor),TVS的电气特性由P-N结面积,参杂浓度
模拟电路知识,晶体管,三极管介绍晶体管是模拟电路最常见的基础知识 。晶体管是电路设计中普遍使用的半导体组件。三极管分为两种类型:
PNP型三极管的定义与工作原理,PNP型三极管开关电路原理解析PNP型三极管的定义及工作原理PNP型三极管是由2块P型半导体中间夹着1块N型半导体
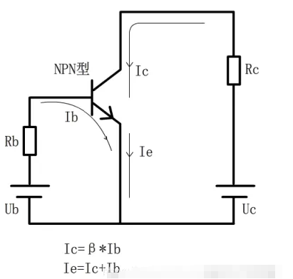
三极管的工作原理与作用,三极管放大电路原理介绍三极管工作原理及作用三极管是一种三端口的半导体器件,包括一个发射极、一个基极和一个集
M7可以替换A7整流二极管吗,二极管M7和A7的区别是什么整流二极管M7可以用什么来代替?请问贴片二极管M7的参数及能用什么管子代换?M7贴片二
硅二极管与锗二极管的区别,怎么区分硅二极管和锗二极管基本二极管由一根管子、一个外壳和两个电极组成。管是一个PN结,在PN结的每一端画一