传真:
18923864027
QQ:
709211280
地址:
深圳市福田区振中路84号爱华科研楼7层
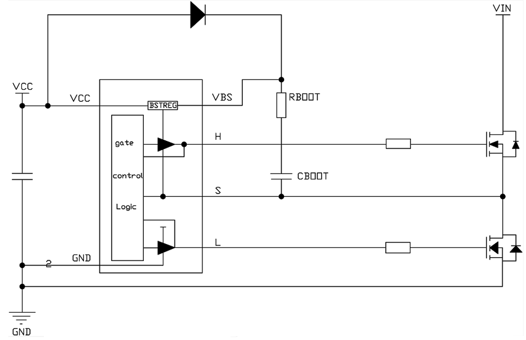
有效导通关断NMOS管的窍门介绍开关电源作为电子产品的心脏,发挥着提供动力的作用。今天让我们一起来认识下有效导通关断NMOS管的窍门。NMOS
单片机对两位共阳数码管的驱动设计介绍数码管有共阴和共阳的区分,单片机都可以进行驱动,但是驱动的方法却不同,并且相应的0~9的显示代码
稳压二极管伏安特性详解稳压管也是一种晶体二极管,它是利用PN结的击穿区具有稳定电压的特性来工作的。稳压管在稳压设备和一些电子电路中获
开关电源双极性开关管的选择介绍所谓双极性,是指有两个PN结的普通开关三极管,在彩显中一般作为开关电源、行输出级和S校正电路的切换开关
瞬态抑制二极管(TVS)的工作原理介绍TVS主要防止电子设备受到雷电、整机开关、电磁脉冲和静电放电造成的瞬态电压和浪涌。最主要的还是整机开
晶体管的结构,类型与电流放大作用介绍晶体三极管又称晶体管、双极型晶体管;在晶体管中有两类不同的载流子参与导电。一、晶体管的结构和类
TVS二极管的PCB布局技巧介绍对于工程师来说,浪涌?;げ唤鼋鍪茄≡窈鲜实牡缭窗寤蛘甙蜗录父缋拢饕婕霸赑CB 布局中放置瞬态?;ぷ榧?
三极管电路的反馈类型的判断方法介绍对于三极管电路的反馈类型的判断,往往让人感到有点困难。下面给出一种常用的判断方法:一:电压反馈还
适用于电源系统应用特性和规格的二极管介绍电源系统应用中的二极管多用于整流。例如,在电源电路中被用于输出的整流用肖特基势垒二极管和快
ESD?;ざ茉斫馕鯡SD?;ざ鼙话仓迷谛藕畔吆偷叵撸℅ND)之间,其角色是维护受?;ど璞福―UP)不受电压尖峰的干扰。在正常的工作状
快速恢复二极管的特征解析快速恢复二极管(Fast Recovery Diode,FRD)是一种专为高速切换应用设计的二极管,其特点是具有较短的反向恢复
PN结的反向击穿电压是多少,二极管三极管与稳压管一样吗PN结的反向击穿电压PN结是一种基本的半导体元件,在电子学中应用广泛。PN结的主要特