传真:
18923864027
QQ:
709211280
地址:
深圳市福田区振中路84号爱华科研楼7层
二极管限幅电路图介绍二极管限幅电路是一种用于限制信号幅度的电路。它主要由二极管、电阻等元件构成,通过利用二极管的非线性特性来实现对
MOSFET管并联应用时电流分配不均问题解析1 引言MOSFET管的导通电阻具有正的温度特性,可自动调节电流,因而易于并联应用。但由于器件自身
输出整流二极管的常数计算介绍本文将介绍将二次侧(输出)开关电压整流为DC的二极管的常数计算。输出整流二极管:ND1首先来看电路图。输出
串联晶体管稳压器电路介绍晶体管的电流电阻根据输出负载自动调整,使得输出电压保持在所需水平。在串联稳压电路中,输入电流必须略大于输出
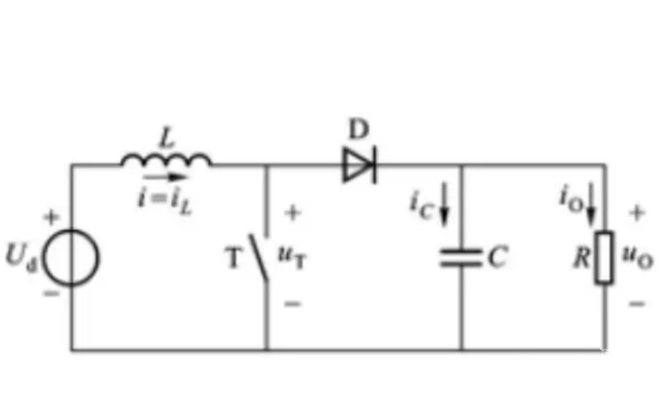
Boost升压型DC-DC转换电路工作原理介绍DC-DC转换器分为三类:Boost升压型DC-DC转换器、BUCK降压型DC-DC转换器以及 Boost-BUCK升降压型DC-D
二极管选型要看哪些参数二极管是电路板中很常见的半导体器件,具有单向导电性和整流特性。在电路中,二极管通常用于保护电路、调节电压和电
简述各类二极管的基本特性介绍1 稳压二极管Zener如图2-1所示,稳压二极管Zener利用了PN结的反向特性,当提高PN结二极管的反向电压时,大电
整流二极管的特征比较介绍本篇所例举的是用于高耐压、高电流的二极管,但按照其特性、特征、制造工艺可进行以下分类。此时,对二极管基本的
怎么理解二极管的反向恢复过程二极管的反向恢复过程二极管从正向导通到截止有一个反向恢复过程在上图所示的硅二极管电路中加入一个如下图所
开关管的电压尖峰抑制方法介绍演示的电路还是上次的那副800uH电感的电路,电压尖峰演示电路通过上次的实验我们知道,在90V电源下,800uH电
NPN管的集电极电流的伏安特性与主要参数介绍1、晶闸管(SCR)晶体闸流管简称晶闸管,也称为可控硅整流元件(SCR),是由三个PN结构成的一种
介绍为什么要用肖特基二极管续流我们来看一个问题:为什么开关电源中,一般用肖特基二极管续流,不用快恢复二极管呢?答案主要有两点:一是