传真:
18923864027
QQ:
709211280
地址:
深圳市福田区振中路84号爱华科研楼7层
续流二极管的作用与工作原理,续流二极管整流电路中的作用续流二极管作用及工作原理续流二极管(flyback diode),有时也称为飞轮二极管或
各类二极管的使用场景与要点简述二极管的应用场景和应用方式非常多,巧妙地使用二极管可以极大提高系统稳定性和可靠性,延长器件使用寿命,
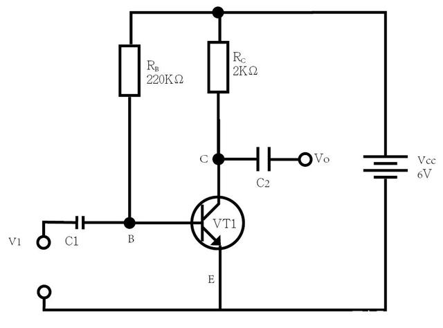
三极管放大电路的原理介绍数字电路讲过载,模拟电路讲放大!可见放大功能在模拟电路中的重要性。这次我们不做小制作了,专门讲讲三极管放大
稳压二极管的应用电路解析稳压二极管比较特殊,基本结构与普通二极管一样,也有一个PN结。由于制造工艺的不同,当这种PN结处于反向击穿状态
继电器续流二极管的选择介绍继电器并联的二极管,不是什么BUCK电路中的续流二极管,由于继电器线圈的是感性负载,作用是吸收驱动三极管在断
介绍稳压二极管是利用什么特性组成的稳压管也是一种晶体二极管,它是利用PN结的击穿区具有稳定电压的特性来工作的。稳压管在稳压设备和一些
模拟电路知识之三极管的基本用法介绍三极管是模拟电路最常用的基础知识,三极管是电路设计中应用非常广泛的半导体元器件,若三极管都不会用
7805三端稳压管输入电压范围是多少,7805与稳压二极管5v的区别7805三端稳压管7805三端稳压集成电路,电子产品中,常见的三端稳压集成电路有
晶体管放大电路的三款接法介绍晶体管放大电路的静态工作点指什么晶体管放大电路的静态工作点是指在没有输入信号时(即直流条件下),晶体管
变容二极管的工作原理介绍变容二极管,也称为变电容,VVC(电压可变电容或调谐二极管),是一种半导体二极管,当器件反向偏置时,其p-n结上
继电器线圈并联二极管的作用介绍在继电器线圈两端并联一个二极管,正确的说法应该是称为反相二极管,当然作用就是用来保护驱动三极管不会被
肖特基二极管的基本原理介绍肖特基二极管肖特基二极管(Schottky BarrierDiode SBD),也称肖特基势垒二极管,与PN结二极管相比具有更低