稳压二极管是一种特殊的半导体器件,其基本结构虽与普通二极管相似,拥有一个 PN 结,但由于独特的制造工艺,在反向击穿状态下,PN 结不会遭受损坏。这一特性使得稳压二极管在稳定电压方面具有独特的优势。在工作时,稳压二极管利用其反向击穿特性实现稳压功能。与普通二极管不同,当稳压二极管承受的反向电压达到稳压值时,反向电流会急剧增大,但只要反向电流不超过允许的最大电流,它就能正常工作。其反向伏安特性曲线较陡,具有良好的线性度。
一、典型直流稳压电路
稳压二极管常用于构成直流稳压电路。这种电路结构简单,稳压性能可靠。下图展示了一种典型的直流稳压电路。电路中,VD1 为稳压二极管,R1 是其限流?;さ缱?。

工作时,未经稳定的直流工作电压 +V 通过 R1 加到稳压二极管上。由于 +V 远大于 VD1 的稳压值,VD1 进入工作状态,两端输出稳定的直流电压,作为稳压电路的输出电压。

工作时,未经稳定的直流工作电压 +V 通过 R1 加到稳压二极管上。由于 +V 远大于 VD1 的稳压值,VD1 进入工作状态,两端输出稳定的直流电压,作为稳压电路的输出电压。
二、串联型稳压电路
在串联型稳压电路中,稳压二极管与晶体管等元件配合,提供更稳定的电压输出。下图所示电路中,

晶体管 BG 的基极通过稳压二极管 D 钳定在 13V,从而确保发射极输出恒定的 12V 电压。这种电路在多种应用场景中广泛使用,因其能有效提高电压输出的稳定性。

晶体管 BG 的基极通过稳压二极管 D 钳定在 13V,从而确保发射极输出恒定的 12V 电压。这种电路在多种应用场景中广泛使用,因其能有效提高电压输出的稳定性。
三、温度补偿电路
温度变化可能影响稳压二极管的性能,因此温度补偿电路在高精度稳压电路中至关重要。一种温度补偿电路利用互补型稳压二极管实现温度补偿。下图展示了这种电路。互补型稳压二极管内部包含两只普通稳压二极管,它们的温度特性相反。当温度变化时,一只二极管的管压降下降,另一只的管压降升高,从而保持总管压降不变,实现温度补偿。


四、电子滤波器电路
稳压二极管在电子滤波器中也有应用。下图所示为电子滤波器中的稳压二极管应用电路。

电路中,VD1 是稳压二极管,VT1 是电子滤波管,C1 是 VT1 基极滤波电容,R1 是 VT1 偏置电阻。稳压二极管导通后,将 VT1 基极电压稳定在 13V。利用三极管发射结导通后的结电压基本不变的特性,VT1 发射极输出稳定的直流电压,实现稳定直流输出电压的目的。

电路中,VD1 是稳压二极管,VT1 是电子滤波管,C1 是 VT1 基极滤波电容,R1 是 VT1 偏置电阻。稳压二极管导通后,将 VT1 基极电压稳定在 13V。利用三极管发射结导通后的结电压基本不变的特性,VT1 发射极输出稳定的直流电压,实现稳定直流输出电压的目的。
五、浪涌?;さ缏?/div>
稳压二极管可用于构成浪涌?;さ缏罚;じ涸孛馐艿缪估擞康乃鸷ΑO峦颊故玖艘恢掷擞勘;さ缏贰?br />

电路中,K1 是继电器,VD1 是稳压二极管,R1 是限流保护电阻,RL 是负载电阻。工作时,当工作电压 +V 出现浪涌,电压升高使 VD1 导通,电流流过继电器 K1,促使其触点断开,切断负载 RL 的供电,达到?;つ康?。

电路中,K1 是继电器,VD1 是稳压二极管,R1 是限流保护电阻,RL 是负载电阻。工作时,当工作电压 +V 出现浪涌,电压升高使 VD1 导通,电流流过继电器 K1,促使其触点断开,切断负载 RL 的供电,达到?;つ康?。
六、过压保护电路
稳压二极管在过压?;さ缏分幸灿泄惴河τ?。下图所示为一种过压?;さ缏?,这是在电视机中的具体应用实例。

电路中,VD1 是稳压二极管,VT1 是控制管,+115V 是主工作电压。电阻 R1 和 R2 构成分压电路,分压后的电压通过稳压二极管加到 VT1 基极。当 +115V 电压正常时,分压后的电压不足以使 VD1 导通,VT1 截止,电视机正常工作。而当 +115V 过高时,VD1 导通,VT1 饱和导通,其集电极为低电平,触发待机保护电路,使电视机进入待机状态。

电路中,VD1 是稳压二极管,VT1 是控制管,+115V 是主工作电压。电阻 R1 和 R2 构成分压电路,分压后的电压通过稳压二极管加到 VT1 基极。当 +115V 电压正常时,分压后的电压不足以使 VD1 导通,VT1 截止,电视机正常工作。而当 +115V 过高时,VD1 导通,VT1 饱和导通,其集电极为低电平,触发待机保护电路,使电视机进入待机状态。
七、限幅电路
稳压二极管还可用于构成限幅电路,限制信号幅度。下图展示了一种限幅电路。

电路中,A1 和 A2 是集成电路,VD1 和 VD2 是稳压二极管。集成电路 A1 的①脚输出信号通过 R1 加到集成电路 A2 的①脚。当输出信号幅度未超过 VD1 稳压值时,信号完整传输至 A2 的①脚;当输出信号幅度超过 VD1 稳压值时,VD1 导通,限制信号幅度最大值,实现限幅功能。

电路中,A1 和 A2 是集成电路,VD1 和 VD2 是稳压二极管。集成电路 A1 的①脚输出信号通过 R1 加到集成电路 A2 的①脚。当输出信号幅度未超过 VD1 稳压值时,信号完整传输至 A2 的①脚;当输出信号幅度超过 VD1 稳压值时,VD1 导通,限制信号幅度最大值,实现限幅功能。
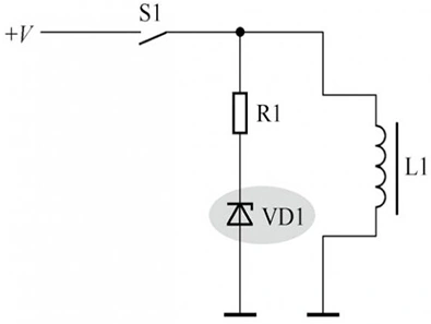
八、电弧抑制电路
在功率较大的电磁吸铁控制电路中,稳压二极管可用于构成电弧抑制电路。下图所示为电弧抑制电路。

电路中,VD1 是稳压二极管,L1 是电感,R1 是限流?;さ缱?,S1 是电源开关。当电源开关 S1 从接通转为断开时,电感 L1 两端产生很大的反向电动势。该电动势通过 R1 加到 VD1 两端,使其导通,释放反向电动势能量,避免开关 S1 产生电弧,实现消弧目的。

电路中,VD1 是稳压二极管,L1 是电感,R1 是限流?;さ缱?,S1 是电源开关。当电源开关 S1 从接通转为断开时,电感 L1 两端产生很大的反向电动势。该电动势通过 R1 加到 VD1 两端,使其导通,释放反向电动势能量,避免开关 S1 产生电弧,实现消弧目的。
稳压二极管作为一种特殊的半导体器件,在电子电路中具有广泛的应用。通过深入理解其特性,并合理设计电路,可以充分发挥其稳压、保护等功能,提高电子设备的性能和可靠性。
〈烜芯微/XXW〉专业制造二极管,三极管,MOS管,桥堆等,20年,工厂直销省20%,上万家电路电器生产企业选用,专业的工程师帮您稳定好每一批产品,如果您有遇到什么需要帮助解决的,可以直接联系下方的联系号码或加QQ/微信,由我们的销售经理给您精准的报价以及产品介绍
〈烜芯微/XXW〉专业制造二极管,三极管,MOS管,桥堆等,20年,工厂直销省20%,上万家电路电器生产企业选用,专业的工程师帮您稳定好每一批产品,如果您有遇到什么需要帮助解决的,可以直接联系下方的联系号码或加QQ/微信,由我们的销售经理给您精准的报价以及产品介绍
联系号码:18923864027(同微信)
QQ:709211280
- 上一篇:二极管在电路设计中的应用介绍
- 下一篇:最后一页
相关阅读