传真:
18923864027
QQ:
709211280
地址:
深圳市福田区振中路84号爱华科研楼7层
晶振振荡电路原理解析在单片机中晶振是普遍存在的,那么晶振为什么这么必要,原因就在于单片机能否正常工作的必要条件之一就是时钟电路,所
LM317三端稳压管怎么使用LM317是可调节3端正电压稳压器,其工作原理相当于串联稳压电路,通过调整内部开关管的导通程度,或等效电阻来调整
TL431稳压电路的电压怎么计算TL431是一种广泛应用于稳压电路中的集成电路。它可以作为参考电压源或误差放大器使用,广泛用于直流稳压电源、
怎么用双向可控硅触发电路的原理图解析当触发器件所需的栅极电流高于控制电路输出电流能力时,必须放大控制电路输出电流。例如,如今许多
可控硅的几个触发电路图文解析可控硅触发电路可控硅由关断转为导通,除阳极要承受正向电压外,门极还要加上适当的触发电压,改变触发脉冲输
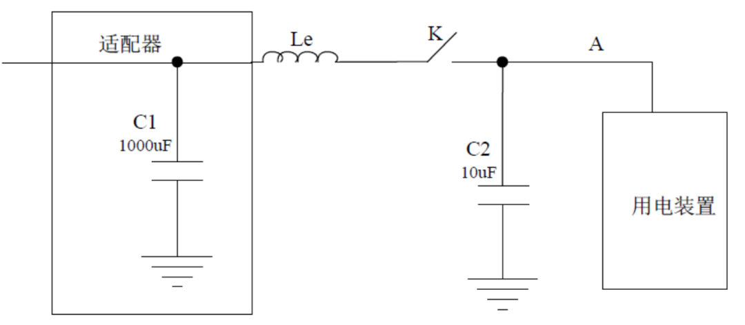
怎么解决由输入滤波电容引起的电路问题详解多用电装置都由适配器通过一段比较长的电源线供电,在用电装置一端有电源滤波电容。随着产品向小
电路设计中二极管怎么应用二极管是非常常用的基础元器件,本文主要聊一聊其在电路设计中的应用,大概总结了二极管的如下作用防反、整流、稳
220V交流电的负载参数介绍如何用单片机控制220V交流电的通断?首先来说,220V交流电的负载是多大,是感性负载负载还是阻性负载,正常输出功
220V交流电怎么过零检测需要说明的是,这里的过零检测指的是在交流回路的中的过零检测,对于我们最常接触的交流电就是我们使用的220V的市电
线性电路中的叠加定理解析叠加定理说的是:线性电路中,如果有多个激励存在,则其响应为每个激励分别单独作用时响应的叠加。这里的激励是指
差分放大器的特性和作用解析双电源供电的差分放大器电路单电源供电的差分放大器与同相放大器电差分放大器的定义:两信号分别从运算放大器的
运算放大电路直流误差介绍相信大部分人在使用运放时会忽略运放的输入误差信号eid,忽略的原因往往是因为输入误差信号eid所引起的输出电压误