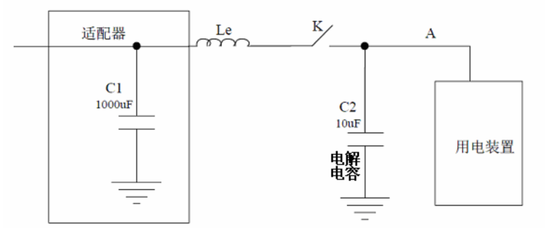
多用电装置都由适配器通过一段比较长的电源线供电,在用电装置一端有电源滤波电容。随着产品向小型化,便携化方向发展,陶瓷电容在电源滤波中得到了非常广泛的应用。但是这样的系统在输入电压上电瞬间或者输入电压有突变的时候,可能会产生问题。图一说明了这个问题:


图一 输入滤波电容引起问题电路 在图一中, C1为电源适配器的输出电容,电感Le是电源线的等效电感;电容C2是用电装置的输入滤波电容??豄可以是用电装置的开关或者电源插头等。在输入电压上电瞬间或者输入电压有突变时产生的问题同上电顺序有关系。如果适配器先接通电源,开关K断开,那么电容C1就先被充电。在开关K接通瞬间,电容C1就会以比较大的电流通过电感Le向电容C2充电,能量存储在电感Le中,当充电结束以后,电感电流变小或变成零,根据电感的电流、电压特性,此时在图一中的A点就会产生一个很高的瞬态电压,这个瞬态高压可能会损坏用电设备中的某些电路。
在上电时,如果先接通开关K,再接通适配器电源,那么就可能没有问题??梢岳靡韵氯龇桨钢唤饩錾鲜鑫侍狻?/div>
1、 在图一中C2的电容可以使用一个电解电容,因为电解电容有比较大的串联等效阻抗(ESR),限制了上电瞬间电感Le的电流,从而也抑制了在A点产生的瞬态电压。如图二所示。


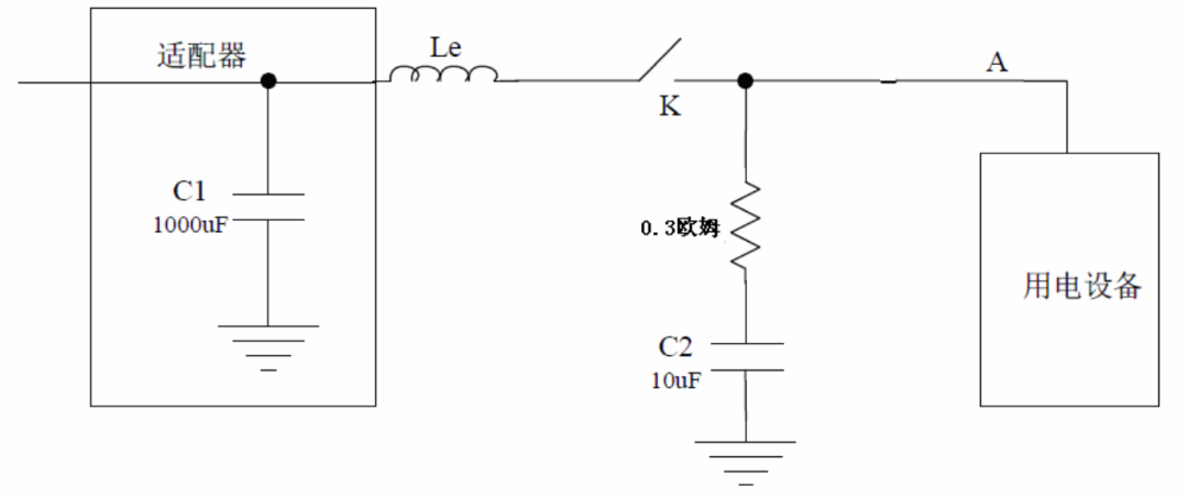
图二 C2使用电解电容电路 2、 在图一中,如果C2必须使用陶瓷电容,可以同电容串联一个0.3欧的电阻。如图三所示。


图三 陶瓷电容串联一个电阻电路 3、 在图一中,同电容C2并联一个瞬态电压抑制器( TVS),对产生的瞬态高压加以抑制。TVS的击穿电压应该小于用电装置能够承受的最大电压。如图四所示。


图四 并联一个瞬态电压抑制器电路
〈烜芯微/XXW〉专业制造二极管,三极管,MOS管,桥堆等,20年,工厂直销省20%,上万家电路电器生产企业选用,专业的工程师帮您稳定好每一批产品,如果您有遇到什么需要帮助解决的,可以直接联系下方的联系号码或加QQ/微信,由我们的销售经理给您精准的报价以及产品介绍
联系号码:18923864027(同微信)
QQ:709211280
- 上一篇:电路设计中二极管怎么应用
- 下一篇:可控硅的几个触发电路图文解析
相关阅读