相信大部分人在使用运放时会忽略运放的输入误差信号eid,忽略的原因往往是因为输入误差信号eid所引起的输出电压误差很小,对实验或者项目本身影响不大。


比如上图中同相比例放大电路输出电压的理论表达式为:Vout=(1+Rf/R1)Vin,我们在使用运放时也常常以此公式去计算我们所采样的电压值。
但是实际中我们会发现输出的电压总会和理论计算有所差别,产生这种现象很大一部分原因是由于输入误差信号eid所引起的,下面对其进行详细分析。
首先让我们看一下,同相放大电路的理论模型,如下图:


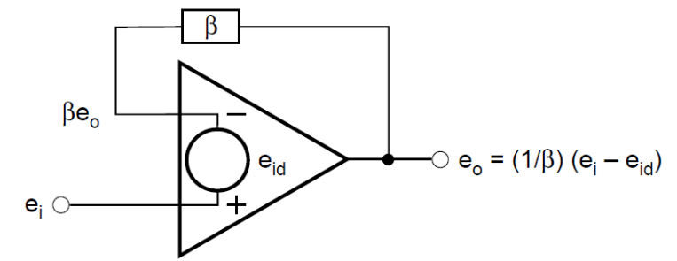
这个电路在运放的应用电路中在常见不过了,它的输出电压为eo,等于闭环增益Acl(1/β)乘以输入信号ei。
这里的输入信号并非像第一幅图中只考虑输入信号Vin,此处是由运放的输入信号ei减于运放引入的输入误差信号eid构成的。式中β是反馈系数,对于像下图这样典型的同相放大电路,它的值就是R1/(R1+R2)。


对于eid,我们的第一反应可能会是输入失调电压,再进一步的反应是输入偏置电流流过电阻网络引起的误差电压。可事实,远不只这两个因素,可见下式:


从上式等号右边可以看出,eid包括了运算放大器输入失调电压,输入偏置电流,输入噪声电压以及开环增益,共模抑制比和电源抑制比的影响。同时也可以看出,eid方程的第二项和第三项包括运放的输入电阻。
最后三个误差项包括电路信号,它们是输出电压,共模电压和电源电压变化
〈烜芯微/XXW〉专业制造二极管,三极管,MOS管,桥堆等,20年,工厂直销省20%,上万家电路电器生产企业选用,专业的工程师帮您稳定好每一批产品,如果您有遇到什么需要帮助解决的,可以直接联系下方的联系号码或加QQ/微信,由我们的销售经理给您精准的报价以及产品介绍
联系号码:18923864027(同微信)
QQ:709211280