传真:
18923864027
QQ:
709211280
地址:
深圳市福田区振中路84号爱华科研楼7层
场效应MOS管的输出特性曲线介绍三极管是利用Ib的电流去控制电流Ic的,所以说三极管是电流控制电流的器件。 而MOS管是利用Ugs的电压去控制
MOS场效应管被ESD击穿的解决方案介绍一、MOS管本身的输入电阻很高,而栅源极间电容又非常小,所以极易受外界电磁场或静电的感应而带电,然
MOS场效应管驱动电路设计时快速开启与关闭mos管介绍MOS管驱动电路设计,以下解析如何让MOS管快速开启和关闭。一般认为MOSFET(MOS场效应管
MOS场效应管栅极电阻在工业电源中的作用介绍一、起到分压作用二、下拉电阻时会快速泄放栅极电荷将MOS管迅速截止三、防止栅极出现浪涌过压(
集成电路IC芯片的极限温度,工作温度范围是多少芯片的极限温度与额定电压和电流一样是绝对的吗?尽管集成电路制造商不能保证芯片在其额定温度
电力晶体管的工作原理和结构解析电力晶体管具有自关断能力,并有开关时间短、饱和压降低和安全工作区宽等优点。下面将介绍其的结构外形、原
有极性电容与无极性电容的区别详解有极性电容、无极性电容。虽然有极性电容和无极性电容原理上相同,但区别于介质的不同、性能不同、容量不
上拉电阻和下拉电阻的作用解析电阻在电路中起限制电流的作用,而上拉电阻和下拉电阻是经常提到也是经常用到的电阻。在每个系统的设计中都用
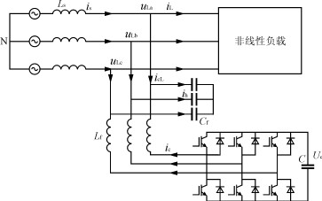
有源滤波器的原理和作用解析近几年来,配电网中整流装置、变频调速装置、工业电源以及各种电力电子装置不断曾加,造成了负荷的非线性、不平
FIR滤波器和IIR滤波器的区别详解由于数字滤波器具有稳定性高、精度高、设计灵活、实现方便等许多突出的优点,因此广泛应用于硬件电路设计,
数字滤波器的工作原理详解在信号处理领域中,对于信号处理的实时性、快速性的要求越来越高。而在许多信息处理过程中,如对信号的过滤、检测
基于芯片测试的环路滤波器设计详解在进行小数分频频率合成器的芯片测试时,数字部分可以通过常规的数字测试方法即可以实现;而输出射频信号