传真:
18923864027
QQ:
709211280
地址:
深圳市福田区振中路84号爱华科研楼7层
怎么控制电路中的浪涌电流与过电压浪涌(Surge)也叫尖峰(Spike) ,是电路在遭受雷击、接通、断开感性负载或大型负载时产生的超出正常工
三极管与场效应管下拉电阻的作用介绍关于三极管简单讲解一下三极管,如果三极管工作在饱和区(完全导通),Rce≈0,Vce≈0 3V,
场效应MOS管电源开关电路的缺点解析MOS管因为其导通内阻低,开关速度快,因此被广泛应用在开关电源上。而用好一个MOS管,其驱动电路的设计
三极管开关速度的方法详解晶体三极管是控制电流的半导体器件,工作原理是通过在三极管的两端施加合适电压来控制三极管另一端的电流,主要作
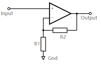
运算和同相放大器电路设计技巧解析本文详细介绍了如何设计运算放大器、运算放大器同相放大器电路,包括方程式、设计细节、电路、计算和设计
MOS管场效应管漏极导通特性解析MOS场效应管,即金属氧化物半导体场效应管,有以下几种常见的类型:1 N沟道MOSFET(N-Channel MOSFET):
电源过压?;さ缏返淖饔煤吞匦韵杲夤贡;さ缏返淖饔檬潜;さ缙魃璞该馐艿缭吹缪钩疃ǚ段У乃鸷Α5钡缭吹缪钩瓒ǖ你兄凳?,过压保
稳压管反向击穿电路图文介绍稳压管是众多二极管里面非常特殊的一种二极管,它的特殊之处是它的正常工作状态是处于反向击穿的状态,反向击穿
用场效应管进行过流?;さ牡缏吠冀馕鍪褂?MOSFET 进行过流保护 – 电路原理图电子电路必须具有过流?;?,以防止大电流造成损害。
场效应管短路保护电路的原理应用详解MOS管,也叫金属氧化物半导体场效应管,是一种常见的半导体器件,其主要作用是控制电路中的电流。但是
偏置电路中的偏置电阻作用介绍晶体管构成的放大器要做到不失真地将信号电压放大,就必须保证晶体管的发射结正偏、集电结反偏。即应该设置它
运算放大器电路图应用解析放大器是能把输入讯号的电压或功率放大的装置,由电子管或晶体管、电源变压器和其他电器元件组成,用在通讯、广播