传真:
18923864027
QQ:
709211280
地址:
深圳市福田区振中路84号爱华科研楼7层
电源滤波器电路图设计分享介绍电源滤波器,又名电源EMI滤波器,或是EMI电源滤波器,是一种无源双向网络,是一种对电源中特定频率的频点或该
模拟电路,几个3 3V升压12V电路图设计介绍3 3V升压12V电路图(一)用3V电源为12V压电式扬声器供电电路矮型压电式扬声器可为便携式电子设备提
电路设计,几种光电耦合电路图文介绍光电耦合器亦称光电隔离器,简称光耦。光电耦合器以光为媒介传输电信号。它对输入、输出电信号有良好的
欠压?;さ缏飞杓仆嘉慕樯芮费贡;さ缏纷饔们费贡;な侵赣玫缙髟谑淙氲缪勾锊坏焦ぷ鞯缪故保崆卸鲜淙氲缪?,有效保护用电器不因低电压而反
锂电池欠压?;さ缏吠己驮斫馕鲲绯厍费贡;さ缏吠加捎谏凉夥⒐舛艿恼伎毡群艿?,所以平均的电流损耗是1mA或者更低。当检测电压降低
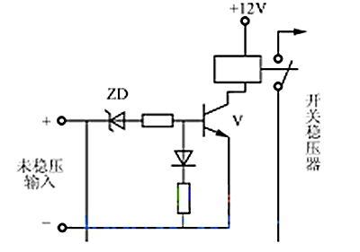
36V欠压保护电路图设计介绍36V欠压?;さ缏吠迹ㄒ唬┑缏饭ぷ髟恚菏涑龅缪沟陀诠娑ㄖ凳保从沉耸淙胫绷鞯缭?、开关稳压器内部或者输出负载
运放的电压比较器电路介绍运放-电压比较器电路1、同相输入输出波形:当输入电压大于参考电压,OUT输出高;当输入电压小于参考电压,OUT输出
MOS管电平转换,1 8V-3 3V电路设计介绍MOS管电平转换电路在电路开发的过程中,经常遇到两个系统电平不一致的情况,这时候如果两个系统需要通
I2C双向电平转换电路设计介绍在I2C主从设备对接时,需要考虑主从设备的电平情况,常规的主要有3种:5V,3 3V,1 8V。如果电平相同,比如都
5种电平转换方法介绍电平转换方法5种电平转换方法分别是,下午我们会从速率、驱动能力、漏电流、成本、通道数五个维度评价。:1) 晶体管电
全桥式变压器开关电源电路图介绍全桥式变压器开关电源也属于双激式变压器开关电源。它同时具有推挽式变压器开关电源电压利用率高,又具有半
几个12V延时关闭电路图详解12V延时关闭电路图(一)当我们关闭电灯开关时希望电灯能延时一会儿再熄灭,以方便我们行走、关门等。本电路即可