3.3V升压12V电路图(一)
用3V电源为12V压电式扬声器供电电路
矮型压电式扬声器可为便携式电子设备提供优质的声音,但要求加在扬声器元件两端的电压摆幅大于8Vp-p??墒?,大多数便携设备只有一个低压电源,传统的电池供电放大器无法提供足够大的电压摆幅来驱动压电式扬声器。
解决这一问题的一种方法是使用图1中的IC1,可以将IC1配置得能用高达12Vp-p的电压摆幅来驱动压电式扬声器,并由3V电源供电。IC1的型号是MAX4410,它含有一个立体声耳机驱动器以及一个能从正3V电源获得一个负3V电源的反相电荷泵。
因此,为驱动放大器一个内部±V电源,就能使IC1的每个输出端提供6Vp-p摆幅。再将IC1配置成一个BTL(桥接式)驱动器,就可将负载上的最大电压摆幅增加2倍,达到12Vp-p。
在BTL结构中,IC1的右通道用作主放大器,它决定IC1的增益,驱动扬声器的一端,并为左通道提供一个信号。如果把IC1配置成一个增益为1的跟随器,则左通道将右通道的输出反相后,驱动扬声器的另一端。为了确保失真低和匹配良好,应用精密电阻调节左通道的增益。

图1这种桥接式负载配置可将放大器的电压摆幅成倍增大
3.3V升压12V电路图(二)
MC3406A是一种新型单片升降压DC-DC变换器集成电路,其输入电压为3~40V,输出电压可调,输出开关电流可至1.5A,并有温度补偿参考电压源,有电流限制功能。该集成电路只需配用少量外部元件,就能组成升压、降压、电压反转型DC-DC变换器,可广泛应用于各种便携式仪器、仪表等设备。
MC3406A用作升压式DC-DC变换器电路:

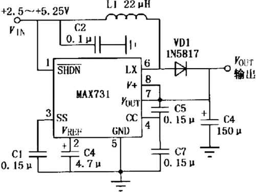
3.3V升压12V电路图(三)

此器件的高工作频率可使电感器和电容器的数值和大小减小,使设计可封装在小于110mm2的面积内。270μA低工作电流、8μA关闭电流和高达90%的效率都有助于延长电池使用寿命。
LTC1872保证输出电压精度±2.5%。输出出电压只受外部元件性能的限制。为避免N-沟MOSFET工作在低于安全输入电压电平之下,该器件具有欠电压锁定特性。当输入电源电压低于2V时,关断N-沟MOSFET和控制器,而欠压电路仍在工作(它只耗电几微安)。
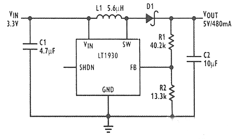
3.3V升压12V电路图(四)
3.3V到5V/1A升压为换器电路

LTC3401和LTC3402主要特性有:高达3MHz开关频率、97%效率、小于1V的输入。它们能为单节同步升压变换器提供最高的功率密度,在只有0.05in2面积内提供高达5W的稳压输出。它们所具有的微型尺寸、高效率和宽输出电流范围特别适合于寻呼机、无绳电话、GPS接收机和手持仪器的应用要求。
为了达到高效率每个开关稳压器都包含一个0.16ΩN-沟道MOSFET开关晶体管和一个0.18Ω同步整流器。LTC3402能给出高达1A的负载电流(2A开关电流),效率为95%,而耗电只有38μA(在BurstMode工作)。LTC3401是具有500mA输出能力的类似器件。
用一个定时电阻器可编程300KHz~3MHz开关频率,以使电路达到最佳的RFI抑制和最高效率。为了改善敏感的音频和IF频段的开关谐波抑制,LTC3401或LTC3402振荡器可同步外部时钟。在同步期间或当MODE/SYNC引脚为低态时,禁止BurstMode工作,以防止来自低频波纹的干扰。

LTC3401和LTC3402设计为在0.85V输入电压(典型值)下启动。一旦启动,IC工作靠Vout而不是Vin。在该点,内部电路不依赖于输入电压,因而不需要大的输入电容器。输入电压可降到低于0.5V而不影响工作,从而在低电压下电源能提供足够的能量。
〈烜芯微/XXW〉专业制造二极管,三极管,MOS管,桥堆等,20年,工厂直销省20%,上万家电路电器生产企业选用,专业的工程师帮您稳定好每一批产品,如果您有遇到什么需要帮助解决的,可以直接联系下方的联系号码或加QQ/微信,由我们的销售经理给您精准的报价以及产品介绍
联系号码:18923864027(同微信)
QQ:709211280