在I2C主从设备对接时,需要考虑主从设备的电平情况,常规的主要有3种:5V,3.3V,1.8V。如果电平相同,比如都是3.3V,那么可以直接对接。如果电平不同,一个高电平是3.3V ,另外一个是1.8V,那么就需要接入其它的器件来做一下电平转换,通常是接入NMOS管。
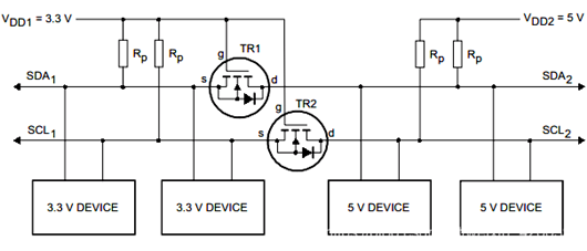
通过使用双向电平转换器可以将电源电压和逻辑电平不同的两部分I2C 总线连接起来配置入下图所示。左边的低电压部分有上拉电阻而且器件连接到3.3V 的电源电压,右边的高电平部分有上拉电阻器件连接到5V 电源电压。两部分的器件都有与逻辑输入电平相关的电源电压和开漏输出配置的I/O。
每条总线线路的电平转换器是相同的而且由一个分立的N通道增强型MOS-FET管串行数据线SDA的TR1和串行时钟线SCL 的TR2 组成。门极g 要连接到电源电压VDD1, 源极s 连接到低电压部分的总线线路而漏极d 则连接到高电压部分的总线线路。
很多MOS-FET 管的基底与它的源极内部连接,如果内部没有,就必须建立一个外部连接。因此,每个MOS-FET 管在漏极和基底之间都有一个集成的二极管n-p 结。如下图所示。

电平转换器的操作
在电平转换器的操作中要考虑下面的三种状态:
1、 没有器件下拉总线线路。
低电压部分的总线线路通过上拉电阻Rp 上拉至VDD1(3.3V) MOS-FET 管的门极和源极都是VDD1(3.3V), 所以它的VGS 低于阀值电压MOS-FET 管不导通这就允许高电压部分的总线线路通过它的上拉电阻Rp 拉到5V。 此时两部分的总线线路都是高电平只是电压电平不同。
2、一个3.3V 器件下拉总线线路到低电平。
MOS-FET 管的源极也变成低电平而门极是VDD1(3.3V)。VGS高于阀值,MOS-FET 管开始导通然后高电压部分的总线线路通过导通的MOS-FET管被VDD1(3.3V)器件下拉到低电平,此时两部分的总线线路都是低电平而且电压电平相同。
3、一个5V 的器件下拉总线线路到低电平。
MOS-FET 管的漏极基底、二极管低电压部分被下拉,直到VGS 超过阀值,MOS-FET 管开始导通,低电压部分的总线线路通过导通的MOS-FET管被5V 的器件进一步下拉到低电平,此时两部分的总线线路都是低电平而且电压电平相同。
这三种状态显示了逻辑电平在总线系统的两个方向上传输,与驱动的部分无关。状态1 执行了电平转换功能,状态2和3按照I2C总线规范的要求在两部分的总线线路之间实现“线与”的功能。除了VDD1 (3.3V)和VDD2 (5.0V)的电源电压外,还可以是例如2V VDD1 和10V VDD2 等的正常操作。其中VDD2必须等于或高于VDD1 。
但是值得注意的是,VDD1作为较低部分的电压,必须能够大于所选择的MOS-FET的阀值电压,也就是必须能够打开MOS-FET。此管参数必须谨慎选择。如下两种参数MOS-FET,在VDD1 (1.8V)到VDD2 (3.0V) 的电路中就可能存在截然不同的效果。
管1

管2

选择管1,由于VGS的范围是1.0~2.5V,很有可能出现大于1.8V的状况,因此VDD1方面传输低电平信号时,MOS-FET不能很完全的被打开,导致到VDD2 (3.0V)方面的信号不能彻底为低,出现半高状态。
选择管2,由于VGS的范围是0.9~1.5V小于1.8V,因此,通路才会正常工作。
其他不同电压间的转换原理如上,请悉心选择器件。
在3.3V IIC总线中用到5V IIC器件,该电路已实验通过。

〈烜芯微/XXW〉专业制造二极管,三极管,MOS管,桥堆等,20年,工厂直销省20%,上万家电路电器生产企业选用,专业的工程师帮您稳定好每一批产品,如果您有遇到什么需要帮助解决的,可以直接联系下方的联系号码或加QQ/微信,由我们的销售经理给您精准的报价以及产品介绍
联系号码:18923864027(同微信)
QQ:709211280