全桥式变压器开关电源也属于双激式变压器开关电源。它同时具有推挽式变压器开关电源电压利用率高,又具有半桥式变压器开关电源耐压高的特点。
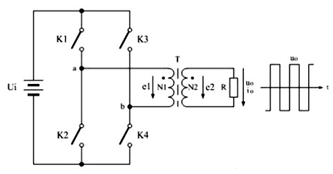
本文介绍的是全桥式变压器开关电源电路图。如下图所示,图中,K1、K2、K3、K4是4个控制开关,它们被 分成两组;K1和K4为一组,K2和K3为另一组。
开关电源工作的时候,总是一组接通,另一组关断,两组控制开关轮流交替工作;T为开关变压器,N1为变 压器的初级线圈,N2为变压器的次级线圈;Ui为直流输入电压,R为负载电阻;uo为输出电压,io为流过负载的电流。
当控制开关K1和K4与控制开关K2和K3正好组成一个电桥的两臂,变压器作为负载被跨接于电桥两臂的中间。
在图中,当控制开关K1和K4接通时候,电源电压Ui被加到变压器初级 线圈N1绕组的a、b两端,同时,由于电磁感应的作用在变压器次级线圈N2绕组的两端也会输出一个与N1绕组输入电压Ui成正比的电压,并加到负载R的两 端,使开关电源输出一个正半周电压。
当控制开关控制开关K1和K4由接通转为关断的时候,控制开关K2和K3则由关断转为接通,电源电 压Ui被加到变压器初级线圈N1绕组的b、a两端;
同理,由于电磁感应的作用在变压器次级线圈N2绕组的两端也会输出一个与N1绕组输入电压成正比的电 压,并加到负载R的两端,使开关电源输出一个负半周电压。
当控制开关K1和K4接通时候,电源电压Ui被加到变压器初级线圈N1绕组的a、b两端,在变压器 初级线圈N1绕组中将有电流经过,通过电磁感应会在变压器的铁心中产生磁场,并产生磁力线;
同时,在初级线圈N1绕组的两端要产生自感电动势e1,在次级 线圈N2绕组的两端也会产生感应电动势e2;感应电动势e2作用于负载R的两端,从而产生负载电流。

〈烜芯微/XXW〉专业制造二极管,三极管,MOS管,桥堆等,20年,工厂直销省20%,上万家电路电器生产企业选用,专业的工程师帮您稳定好每一批产品,如果您有遇到什么需要帮助解决的,可以直接联系下方的联系号码或加QQ/微信,由我们的销售经理给您精准的报价以及产品介绍
联系号码:18923864027(同微信)
QQ:709211280