直流升压电路,dcdc升压电路介绍
在众多电子电路设计中,DC-DC 升压电路占据着关键地位,其核心功能在于提升电源电压,以满足不同类型电子元件的供电需求。例如,在电池充电器以及太阳能电池板等设备中,DC-DC 升压转换器被广泛应用,可将 5V 电源高效升压至 25V。此外,在面对多个具有不同工作电压的组件需要从同一电池获取电力时,升压电路同样能发挥重要作用。
升压开关打开状态

升压开关关闭状态

DC-DC升压转换器的工作原理基于能量存储与释放机制。当电路中的开关器件导通时,电感储存能量;而当开关器件关断时,电感释放能量,进而推动电荷向输出端转移,实现电压的提升。其基本构成要素包括直流电源(Vin)、电感(L)、二极管(D)、开关器件(SW)、平滑电容(C)以及负载电阻(Load),其中Vout表示输出电压??仄骷嘌∮霉β实缱悠骷缡躊WM信号控制的MOSFET或BJT晶体管,PWM信号通过高频切换晶体管状态,通常频率可达每秒数千次,以确保电路的稳定运行。
在众多电子电路设计中,DC-DC 升压电路占据着关键地位,其核心功能在于提升电源电压,以满足不同类型电子元件的供电需求。例如,在电池充电器以及太阳能电池板等设备中,DC-DC 升压转换器被广泛应用,可将 5V 电源高效升压至 25V。此外,在面对多个具有不同工作电压的组件需要从同一电池获取电力时,升压电路同样能发挥重要作用。
升压开关打开状态

升压开关关闭状态

DC-DC升压转换器的工作原理基于能量存储与释放机制。当电路中的开关器件导通时,电感储存能量;而当开关器件关断时,电感释放能量,进而推动电荷向输出端转移,实现电压的提升。其基本构成要素包括直流电源(Vin)、电感(L)、二极管(D)、开关器件(SW)、平滑电容(C)以及负载电阻(Load),其中Vout表示输出电压??仄骷嘌∮霉β实缱悠骷缡躊WM信号控制的MOSFET或BJT晶体管,PWM信号通过高频切换晶体管状态,通常频率可达每秒数千次,以确保电路的稳定运行。
二、升压电路实例剖析
以下展示一种将1.5V直流电源升压至5V的DC-DC升压转换器构建方案:


所需组件:
1.5V直流电源
180uH电感一个
1个1N3491二极管
1个33uF电容
一个150Ω电阻
一个MOSFET或JFET开关晶体管
PWM源,例如ArduinoUno或555定时器,要求能生成50KHz、5V、75%占空比的信号
直流升压电路

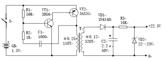
如图所示是一种输出电压可达22.5 V的直流升压器电路,可用来代替22.5 V的叠层电池。
直流升压电路

如图所示是一种输出电压可达22.5 V的直流升压器电路,可用来代替22.5 V的叠层电池。
它利用万用表中的一节1.5V电池供电,工作电流为25mA,输出电流约为0.5mA,用于万用表的高阻挡足够富裕。
电路工作原理:电路中VT1与VT2构成互补多谐振荡器,其振荡频率约为2kHz。T为升压变压器,初级作为互补多谐振荡器的负载,次级则为升压绕组,负责输出较高脉冲电压。该脉冲电压经二极管VD1和电容C2整流滤波后转化为直流高压,再经电阻R3与稳压管VD2稳压,最终输出相对稳定的高电压。其中,变压器T可选用晶体管收音机常用的502型音频输出变压器,次级作为升压变压器的初级,初级中间抽头无需使用,两端抽头则作为升压变压器的次级。若难以获取合适变压器,亦可利用收音机输入输出变压器的硅钢片自制,初级采用直径为0.25mm的高强度漆包线绕制110匝,次级则用直径0.21mm的高强度漆包线绕制520匝,且初次级线圈间需添加一层绝缘纸,并注意同名端的连接。
〈烜芯微/XXW〉专业制造二极管,三极管,MOS管,桥堆等,20年,工厂直销省20%,上万家电路电器生产企业选用,专业的工程师帮您稳定好每一批产品,如果您有遇到什么需要帮助解决的,可以直接联系下方的联系号码或加QQ/微信,由我们的销售经理给您精准的报价以及产品介绍
联系号码:18923864027(同微信)
QQ:709211280