直流升压电路简介
直流升压电路就是将电池提供的较低的直流电压,提升到需要的电压值,其基本的工作过程都是:高频振荡产生低压脉冲——脉冲变压器升压到预定电压值——脉冲整流获得高压直流电,因此直流升压电路属于DC/DC电路的一种类型。
电感式的直流升压电路详解
下面是介绍电感式的直流升压电路,电感器是能够把电能转化为磁能而存储起来的元件,电感器的结构类似于变压器,但只有一个绕组。电感器具有一定的电感,它只阻碍电流的变化。电路接通时电感器将试图阻碍电流流过,电路断开时它将试图维持电流不变。电感器又称扼流器、电抗器等。

电感的第一个特性是电磁转换,通电的瞬间,电会变为磁并以磁的形式储存在电感内。而断电的瞬磁会变成电,从电感中释放出来。
电感的第二个特性是升压特性,当回路断开时,电感内的能量会以高电压的形式变换回电。如果电感线圈的自感系数很大,自感电动势就会很大,在很大的电势差之间的空隙,会产生很强的电场,甚至会击穿空气发生放电现象。附近若有人,会对其造成一定危险,如果附近有易燃物质,就有发生着火的危险。
下面给出由电感组成的升压电路最小系统,若不停地搬动开关,电感两端就会感应出很高的电压,并叠加在电源电压之上。这个开关也可以用三极管实现,通过在三极管的基极输入方波来控制三极管的开关,再利用二极管的单向导电性,输出正向或负向高压。

直流升压电路讲解
在电路设计中,很多元器件(如CPU)经常需要采用5V直流供电,而普通电池的电压都是1.5V,因此当电路采用电池供电时,首先要解决的就是升压降压问题。
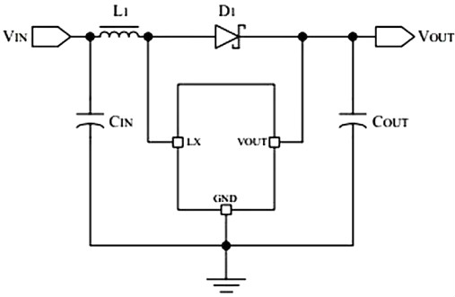
下面给出一种低成本的直流到直流(DC-DC)升压电路,该升压电路用DC/DC直流升压变换器(E50D、TP8350)作为主控,只需外接电感、电容、二极管等4个元件,就能实现最低0.8V到5V的升压,整个升压电路的成本约0.5元。

5V升压电路所需的元件

基于E50D/TP8350的直流升压电路原理图
其中,VIN为输入电压,来自电池的输出,只要输入电压高于0.8V,就能保证升压电路正常工作,并通过VOUT输出5V电压。升压电路的工作效率约为85%,输出电压误差小于2%。
升压芯片E50D的工作频率可达 300KHz,目的是为了能够减小外部电感L1的尺寸,该电路只需 4.7uH 以上的电感就可以保证正常工作,但考虑到负载可能需要较大的电流,本例使用47uH、寄生串联电阻小于0.5欧的电感。
输入滤波电容CIN是为了保证输出电压稳定,由是采用电池供电,而且升压电路距离电池很近,所以这里选用的是1uF电容,即使没有输入滤波电容,该DC-DC 升压电路也可以输出低纹波、低噪声的直流电压。
输出端电容COUT采用100uF的电解电容。整流二极管D1对DC-DC升压电路的效率影响很大,这里选用向导通电压低、反应时间快的肖特基二极管SS34。
直流升压电路-实验步骤
实验所需的全部元件
1、印刷电路板,一块
2、升压芯片TP8350/E50D,一片
3、47uH电感,一个
4、100uF电解电容,一个
5、1uF滤波电容,一个
6、5号电池盒,一个
7、电源开关,一个

升压实验全部元器件
1. 焊接元器件
由于选用的是贴片元件,首先需要大家把元件焊接在印刷电路板上,注意元件的焊接顺序,以不影响后续元件的焊接为宜。
另外,很多元件是有方向性的,比如肖特基二极管SS34,电解电容等,不能焊接反了。贴片的焊接方法,网上有很多视频教程。

电池盒不要焊接,装好电池后直接插在印刷电路板上就行,注意电池的方向。因为这个电路板还可以焊接剩余的元件,如果现在焊接电池盒,电路板尾部USB接口处的元件就不好焊接了,整个电路板建议最后焊接电池盒。
2. 插入电池盒,测试升压电路
电路焊接完成后,就可以插入电池盒,打开电源开关,用万用表的直流电压档测试排插的VCC和GND处的电压,应该是稳定的5V,说明升压电路工作正常。
如果升压电路不工作,一般是由于虚焊或者有的元件焊反了,请通电前仔细检查。
下图可以更明显看出升压电路的工作情况,其中电池部分加的是1.2V电压,整个电路可以正常工作。

直流升压电路大全
1.5V低成本LED驱动电路

磁环选用T9*5*3/2K,也可用T10*6*5等,用0.3mm漆包线双线并绕20T,按图中同名端连接.TR1选8050或9014,D1选4937或107,PCB用一片废板自制.
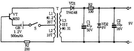
一种稳压型直流升压电路

该电路可将一节1.5V的电池升压至9V,用来取代9V叠层电池使用.电路空载输人电流低于1.2mA,转换效率高达60%.该电路由振荡电路和稳压电路构成,其中VT1、VT2、C2组成振荡器,色码电感L为储能电感,VD2为整流二极管,C3为输出滤波电容,VT3、VD1、VD3及R2为稳定输出电压的稳压电路.输出电压约等于VD3的稳压值.
一种利用1.2V、500mAh的镍镉电池做电源的逆变电源电路

输出直流电压为9V,可供数字式万用表使用.图7-72中变压器T利用15mm的磁环穿绕而成.(元器件参数图均已标注,S为数字万用表的电源开关.
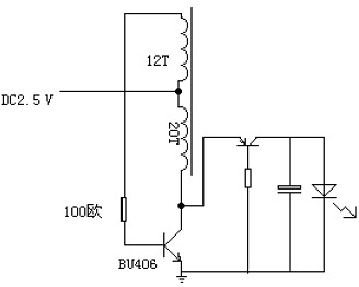
1.5V点亮LED

1.5V驱动LED的电路
R2可以减小到几千欧,这个电路元件太多,不如试试下边这个,线圈的圈数是我多次实验的结果.还有人用2个8050并联使用,据说效果不错。


磁环使用6mm磁环,L1、L2用0.23mm漆包线绕8+8匝,L3、L4用0.18mm漆包线绕28+28匝驱动1W LED电流可以轻松超过450mA,甚至500mA,电路效率高于70%.
简单LED驱动

烜芯微专业制造二极管,三极管,MOS管,桥堆等20年,工厂直销省20%,1500家电路电器生产企业选用,专业的工程师帮您稳定好每一批产品,如果您有遇到什么需要帮助解决的,可以点击右边的工程师,或者点击销售经理给您精准的报价以及产品介绍