升压电路简介
升压电路图,升压电路简介,是利用自举升压二极管,自举升压电容等电子元件,使电容放电电压和电源电压叠加,从而使电压升高,有的电路升高的电压能达到数倍电源电压。
直流升压电路图
几款简单的直流升压电路图如下:


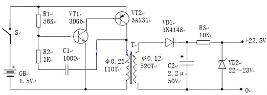
如图所示是一种构造很简单的小型直流升压器,可用来取代15V的叠层电池。电路的核心元件一变压器T使用的是袖珍验钞器的专用变压器。电路耗电约40mA,输出电压为15V。如果万用表15V电池的正极与1.5V电池的负极相接,只需将图7—70中VD1(C1、VDZ的极性调过来,这样将输出一个-15V电压)

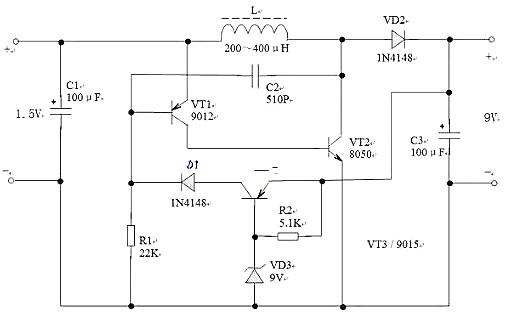
升压电路图,如图所示是一种稳压型直流升压电路。该电路可将一节1.5V的电池升压至9V,用来取代9V叠层电池使用。电路空载输人电流低于1.2mA,转换效率高达60%。该电路由振荡电路和稳压电路构成,其中VT1、VT2、C2组成振荡器,色码电感L为储能电感,VD2为整流二极管,C3为输出滤波电容,VT3、VD1、VD3及R2为稳定输出电压的稳压电路。输出电压约等于VD3的稳压值。

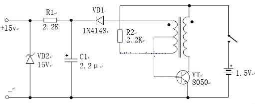
如图所示是一种利用1.2V、500mAh的镍镉电池做电源的逆变电源电路,输出直流电压为9V,可供数字式万用表使用。图7-72中变压器T利用15mm的磁环穿绕而成(元器件参数图中均已标注人名为数字万用表的电源开关。

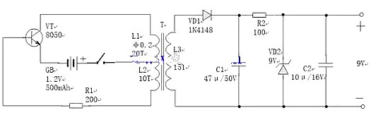
升压电路图,如图所示是自控式数字表逆变电源电路。它不需要单独设立电源开关或对表内开关进行改造。该电路具有耗电省、稳定可靠、不影响仪表精度等特点。电路中的变压器T是用E3型铁氧体磁芯、各折去一角后加工成口字形,L2在内,L1在外。整个逆变电源工作时,电池工作电流约为70mA。

下图为仿制电路:输入可低至0.8V,输出电流可达10mA,输出开路,输入电流为零。
T:E3日字型磁芯L1=18匝=125μH L2=180匝=12mH

升压电路图-升压器12v升220v电路图
升压器12v升220v电路其实就是一个震荡电路,就是把直流电变成交流电,然后通过变压器升压变成220V,然后在输出端接上用电器即可。
12v转220v逆变器由逆变电路、逻辑控制电路、滤波电路三大部分组成,主要包括输入接口、电压启动回路、MOS开关管、PWM控制器、直流变换回路、反馈回路、LC振荡及输出回路、负载等部分。
12v升220v升压电路图(一)
原理图如下图所示,采用了功率较大的三极管2N3055,而电阻只用了两个,且最好电阻的功率选大一点,这样电路的输出功率也会相应地增加,上图中用的是1W的400欧姆电阻,如果没有1W的也没关系,现在用到的最多的是1/4W的电阻,只要选择四个电阻并联大约是400Ω就可以了。

12v升220v升压电路图(二)

12v升220v升压电路图(三)
此逆变器主要由MOS场效应管,普通电源变压器构成。其输出功率取决于MOS场效应管和电源变压器的功率。

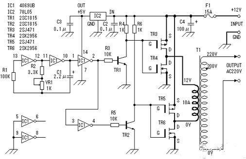
12v升220v升压电路图(四)
如下图,我们也可以清楚看到需的元件还有各个元件之间的连接情况,在电路功能上,除了变压器T1用来升压,电源V1用来供电之外,剩下的原件就是产生矩形波的电路。在电阻选择上R1和R2一般在1.2k-4.7k之间,三极管无特别要求根据变压器的容量选择,容量大就用功率大点的;变压器可用普通控制变压器,只要有两组12V就行,我们这个原理图中选择器件为变压器0v-12V-12V,三极管用的达林顿管MJ11032,电阻4.7k,输出功率能够达到百瓦左右,也不算小了,不过变压器的功率要选大点了,否则输出功率没有那么大。

烜芯微专业制造二极管,三极管,MOS管,桥堆等20年,工厂直销省20%,1500家电路电器生产企业选用,专业的工程师帮您稳定好每一批产品,如果您有遇到什么需要帮助解决的,可以点击右边的工程师,或者点击销售经理给您精准的报价以及产品介绍