一、基于LM324的LED电平指示器电路设计


(一)电路功能与应用场景
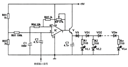
该LED电平指示器电路以LM324运算放大器为核心,具备可调增益放大功能。它可灵活连接至音频功放电路输出端,用作功放输出电平指示;也可接入音频前置放大电路输出端(音量控制电路前),担任前置级电平指示角色,直观反映音频信号强度。
(二)电路组成与工作原理
增益可调放大前级:LM324运放构成的放大前级,搭配可调电阻RP,实现增益量的灵活调节,以适应不同幅度的输入信号需求。
LED驱动电路:由三极管V、电容器C3、稳压二极管VS,以及电阻器R1-Rn、发光二极管VL1-VLn和二极管VD1-VDn组成。音频输入信号经C2耦合至LM324运放的5脚,经运放与三极管放大后,从三极管发射极输出信号电压,随着音频输入信号强度增加,VL1-VLn逐级点亮,点亮的LED数量直观指示输入信号的强弱。
(三)元器件选择
电阻器:R01-R05和R1-Rn选用1/4W碳膜电阻器或金属膜电阻器,确保在额定功率内稳定工作。
可调电阻:RP选用超小型电位器或立式可变电阻器,方便进行增益的精细调节。
电容器:C1-C3均选用耐压值为16V的铝电解电容器,保证在常见音频电路电压下可靠运行。
二极管:VD1-VDn选用1N4148型硅开关二极管或2AP5,VS选用1/2W、3.6V的硅稳压二极管,确??焖倏赜胛榷ㄏ扪构δ?。
发光二极管:VL1-VLn均选用Φ5mm的红色高亮度发光二极管,提供清晰可见的电平指示。
三极管:V选用C8050或58050、3DG8050型硅NPN晶体管,具备良好的放大性能与开关特性。
集成电路:IC选用LM324型运算放大集成电路,集成四个独立运放,满足电路放大需求。
二、无增益放大电路的LED电平指示器设计


(一)电路功能与显示方式
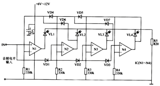
此LED电平指示器自身不带增益放大电路,适用于音频功放输出端的电平指示。它提供移动点光式和逐级点亮式两种显示方式选择,直观呈现输入音频信号电平变化。
(二)工作原理
移动点光式显示:当输入音频信号电平小于0.7V时,N1输出高电平,VL1点亮;输入信号电平在0.7-1.4V之间时,N2输出高电平,VL2点亮的同时,通过VD6使N1的反相输入端变为高电平,N1输出低电平,VL1熄灭。依此类推,随着输入信号电平升高,VL1和VL4依次点亮,形成移动点光显示效果。
逐级点亮式显示:去掉二极管VD4-VD7后,电路变为四级LED电平指示器。此时,随着输入信号电平大小变化,VL1-VL4逐级点亮,以光线长度直观表示输入信号强度。
(三)元器件选择
电阻器:R1-R5选用1/4W碳膜电阻器或金属膜电阻器。
电容器:C选用耐压值为16V的铝电解电容器。
二极管:VD1-VD7均选用1N4148型硅开关二极管。
发光二极管:VL1-VL4均选用Φ5mm的发光二极管。
集成电路:IC选用LM324型四运放集成电路。
〈烜芯微/XXW〉专业制造二极管,三极管,MOS管,桥堆等,20年,工厂直销省20%,上万家电路电器生产企业选用,专业的工程师帮您稳定好每一批产品,如果您有遇到什么需要帮助解决的,可以直接联系下方的联系号码或加QQ/微信,由我们的销售经理给您精准的报价以及产品介绍
联系号码:18923864027(同微信)
QQ:709211280