一、共发射极放大电路基础
最常见的小信号放大电路之一是共发射极放大电路。

在这种电路中,输入信号被施加到基极,输出信号从集电极取出,而发射极作为公共端接地。以一个典型的应用场景为例:当在输入端施加一个频率为1kHz、峰值为1V的正弦波信号时,若电路正常工作,我们可以在输出端通过示波器观测到峰值为5V的信号,这表明该电路成功地将输入信号放大了5倍。这种放大的程度通常用放大倍数AV表示,其计算公式为AV=V0/Vi,其中V0代表输出信号的幅度,Vi代表输入信号的幅度。

在这种电路中,输入信号被施加到基极,输出信号从集电极取出,而发射极作为公共端接地。以一个典型的应用场景为例:当在输入端施加一个频率为1kHz、峰值为1V的正弦波信号时,若电路正常工作,我们可以在输出端通过示波器观测到峰值为5V的信号,这表明该电路成功地将输入信号放大了5倍。这种放大的程度通常用放大倍数AV表示,其计算公式为AV=V0/Vi,其中V0代表输出信号的幅度,Vi代表输入信号的幅度。
二、低频小信号共射放大电路分析


对于低频小信号共射放大电路,其分析方法常借助叠加定理。该电路包含一个低频交流小信号电压源uS和一个直流电压源+UCC。
具体分析过程如下:
首先,让+UCC电压源单独作用,此时将uS短路。此步骤旨在分析直流电源对电路静态工作点的影响,确定电路在无交流信号输入时的偏置状态,为后续交流信号的放大提供合适的起始条件。
接着,让uS电压源单独作用,而将+UCC短路。这一步骤用于研究交流信号在电路中的传输与放大特性,重点关注电路对交流信号的响应能力以及可能存在的相位变化等情况。
最后,将上述两种情况下得到的电压和电流分别进行叠加,得到电路在同时存在直流电源和交流信号时的实际工作状态。这一步骤综合考虑了直流偏置和交流信号的共同作用,能够全面反映电路的实际运行情况,为后续的性能评估和优化设计提供依据。
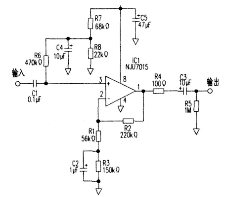
三、小信号交流放大器设计实例


一个设计精巧的小信号交流放大器电路示例采用NIV7015CMOS运算放大器,能够在单电源供电且电源电压低至1V的条件下正常工作。这种运放属于满摆幅运放,具有出色的输出性能。在设计过程中,尽管数据手册未直接提供电源电压为1V时的详细参数,但可以参考同相输入电压VICM=0V-0.5V,以及最大输出电压幅度VOM1=VDD-0.1V、VOM2=VSS+0.1V来进行合理的电路设计。
在一般的满摆幅输出运放应用中,将偏置电压设置为VCC/2或VDD/2是常见的做法。然而,在本电路中,若采用VDD/2作为偏置电压,会导致输出信号的正负半周动态范围严重不对称,正半周很容易出现限幅失真,影响信号的质量和放大效果。
为解决这一问题,对输入端的直流偏压进行了精确调整。具体方法是利用电阻R2和R8进行分压,将输入的直流偏置电压设定为电源电压VDD的四分之一。然后,经过R6将该直流偏压送入同相放大电路的同相输入端。同时,将运放的直流放大倍数设定为以地为基准的两倍,这样输出端的直流输出电压就被稳定在电源电压VDD的二分之一,为交流信号的叠加提供了合适的直流偏置条件。
对于交流增益的设定,若同时将交流放大倍数设定为两倍,则会导致交流增益过小,无法满足放大需求。因此,在电路中创新性地将设定放大器增益的电阻分为R1和R3两部分,并在R3两端并联一个1μF的交流旁路电解电容器。这种设计使得放大器的直流增益和交流增益可以被分别设定为不同的值。在图示电路中,交流增益被设定为5倍,以满足对小信号的有效放大要求。
四、电路性能参数
该小信号交流放大器电路的主要性能参数如下:
输入阻抗为470kΩ,能够与多种信号源良好匹配,减小信号源内阻对放大效果的影响,保证输入信号的完整性。
输出电压约为1Vpp,满足一般低电平信号处理的需求,可直接驱动后续的信号处理电路或负载。
电源电压仅为1V,消耗电流为10mA,这使得电路具有较低的功耗,适合在对电源电压和电流有严格限制的便携式或低功耗应用中使用。
〈烜芯微/XXW〉专业制造二极管,三极管,MOS管,桥堆等,20年,工厂直销省20%,上万家电路电器生产企业选用,专业的工程师帮您稳定好每一批产品,如果您有遇到什么需要帮助解决的,可以直接联系下方的联系号码或加QQ/微信,由我们的销售经理给您精准的报价以及产品介绍
联系号码:18923864027(同微信)
QQ:709211280