一、基于3842驱动场效应管与358双运放的三阶段充电电路
该电动车充电器电路巧妙融合3842驱动场效应管的单管开关电源架构与358双运放,实现精准的三阶段充电模式,满足电动车电池高效、安全充电需求。






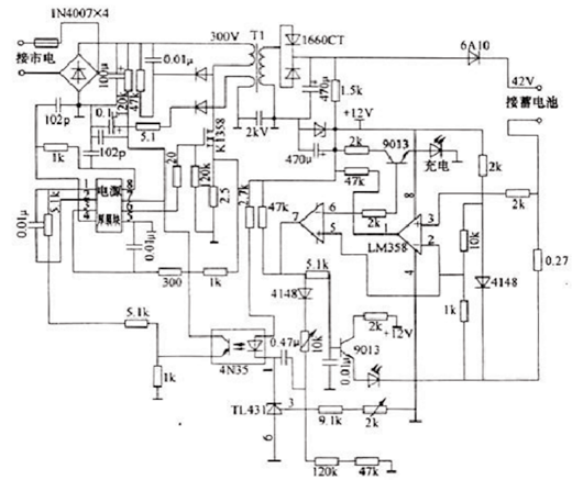
(一)电路核心元件及功能
交流输入与初步滤波:220V交流电经由T0双向滤波环节,有效抑制外界电磁干扰,保障后续电路稳定运行。随后,D1将交流电整流为脉动直流,再经C11滤波处理,输出约300V稳定直流电,为后续电路提供基础电源。
TL3842脉宽调制集成电路(U1):作为电路核心,U1的5脚接电源负极,7脚接电源正极,6脚输出脉冲信号直接驱动场效应管Q1(K1358)。其3脚设置最大电流限制,通过调节R25(2.5欧姆)阻值,可灵活调整充电器最大电流。2脚作为电压反馈点,用于精准调控输出电压。4脚外接振荡电阻R1和振荡电容C1,构成振荡电路,确保脉宽调制信号稳定输出。
高频脉冲变压器(T1):在电路中发挥关键作用,一是将高压脉冲降压为低压脉冲,适配后续电路及电池充电需求;二是实现高压隔离,保障使用安全;三是为UC3842提供稳定的工作电源。T1副线圈产生的感应电压经D3、R12为U1供电,确保核心控制元件稳定运行。
整流与滤波:D4(16A60V)作为高频整流管,与C10低压滤波电容协同工作,确保电路输出平稳直流。D5(12V稳压二极管)维持稳定电压输出,为后续控制电路提供稳定的电源基础。U3(TL431)作为精密基准电压源,与U2(光耦合器4N35)配合,实现自动电压调节功能,通过微调电阻W2,可精细化调整充电器输出电压,满足不同电池的充电需求。
指示与保护:D10为电源指示灯,D6为充电指示灯,直观反馈充电器工作状态。R27(0.1欧姆,5W)作为电流取样电阻,其阻值可调,用于设定充电器转浮充的拐点电流,范围在200-300mA之间,保障充电过程的精准控制与电池?;?。
(二)电路工作流程
启动阶段:当C11上的300V电压经T1加载到场效应管Q1时,U1被启动并输出方波脉冲,驱动Q1工作,开启充电过程。
充电阶段:正常充电时,R27上的电压经R17加到LM358的第三脚,第一脚输出高电压。一方面迫使Q2导通,点亮D6充电指示灯;另一方面注入LM358的第六脚和第七脚,控制Q3的开关状态和D10电源指示灯的亮灭。当电池电压达到44.2V左右时,充电器进入恒压充电阶段,维持该电压并逐渐减小电流。当电流减小到200mA-300mA时,充电器进入涓流充电阶段,持续1-2小时后充电结束,完成三阶段充电过程,确保电池充分、安全充电。
二、电动车充电器电路二(改进型)


该充电器电路原理图涵盖整流滤波、高压开关、电压变换、恒流、恒压及充电控制等关键部分,实现从220V市电到适配电动车电池的充电电压的高效转换。
(一)电路组成与功能
整流滤波:将输入的220V市电电压经整流滤波后转变为直流300V左右的电压,为后续电路提供稳定的高压直流电源。
高压开关与电压变换:通过开关管(受电源厚??榭刂疲┑目焖俳油ê凸囟?,使300V直流电压变成受控制的交流电压。交流电压通过开关变压器耦合后,在其二次侧产生低压交流电,实现电压的高效变换。
整流输出与稳压反馈:低压交流电再通过二极管整流后输出直流充电电压。4N35光耦合器将二次电压波动信号反馈给电源厚??椋迪质涑龅缪沟奈榷刂?,确保充电过程的稳定与安全。
(二)电路优势
采用开关电源作为充电器,具备显著优势。其能够依据负载大?。吹绯氐某涞缧枨螅髡涑龉β?,实现能源的高效利用,保护电池并节约能源,提升电动车充电器的整体性能与可靠性。
〈烜芯微/XXW〉专业制造二极管,三极管,MOS管,桥堆等,20年,工厂直销省20%,上万家电路电器生产企业选用,专业的工程师帮您稳定好每一批产品,如果您有遇到什么需要帮助解决的,可以直接联系下方的联系号码或加QQ/微信,由我们的销售经理给您精准的报价以及产品介绍
联系号码:18923864027(同微信)
QQ:709211280