48V电动车充电器电路解析
在电动车应用广泛的当下,48V电动车充电器电路设计成为关键技术点。以下是两种常见48V电动车充电器电路的详细剖析。
一、48V电动车充电器电路一


工作原理:220V交流电输入后,首先通过T0双向滤波器,有效抑制外界干扰信号,保证后续电路稳定运行。滤波后的电能经D1桥式整流堆处理,将交流转变为脉动直流电,再经C11滤波,输出稳定在约300V左右的直流电。U1采用TL3842脉宽调制集成电路,其5脚接电源负极,7脚接电源正极,6脚输出脉冲信号直接驱动场效应管Q1(K1358)。3脚具备最大电流限制功能,通过调节R25(2.5欧姆)阻值可精准调整充电器最大电流。2脚用于电压反馈,以此调节充电器输出电压。4脚外接振荡电阻R1与振荡电容C1,协同确定电路振荡频率。
T1为高频脉冲变压器,承担三项重要功能:一是将高压脉冲降压为低压脉冲,匹配后续电路及电池组电压需求;二是实现高压隔离,确保使用者操作安全,防范触电风险;三是为UC3842集成电路提供稳定工作电源。D4作为高频整流管(16A60V),与低压滤波电容C10配合,对低压脉冲进行整流滤波。D5为12V稳压二极管,U3(TL431)是精密基准电压源,二者与U2(光耦合器4N35)协同作用,可自动调节充电器输出电压,保障充电过程电压稳定。W2可调电阻器用于微调充电器输出电压,实现精准适配。D10作电源指示灯,直观显示充电器通电状态;D6作充电指示灯,便于观察充电进程。R27为电流取样电阻(0.1欧姆,5W),通过改变W1阻值,可调节充电器转浮充的拐点电流,一般设定在200-300mA区间。通电瞬间,C11上建立约300V电压,该电压一方面经T1加载至Q1,驱动场效应管工作;另一方面经R5、C8、C3路径,传输至U1的7脚,触发U1启动。随后U1的6脚输出方波脉冲,Q1开始工作,电流经R25流向接地端。与此同时,T1副线圈感应产生电压,经D3、R12向U1供电,维持U1正常运行。
电路优势:该电路设计成熟,基于经典的TL3842脉宽调制芯片,搭配高频脉冲变压器等元件,可有效实现交流-直流转换、电压调节、电流控制及安全隔离等功能,为48V电动车电池提供稳定可靠的充电电源,且成本相对较低,易于大规模生产和应用。
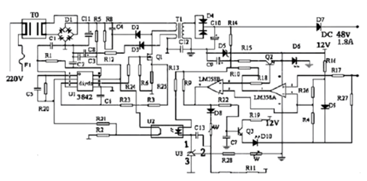
二、48V电动车充电器电路二


工作原理:220V交流电接入后,经LF1双向滤波器初步滤除干扰信号,提升电能质量。VD1-VD4构成整流桥,将交流电整流为脉动直流电压,再经C3滤波处理,输出平稳的约300V直流电压。300V直流电压经启动电阻R4,为脉宽调制集成电路IC1的7脚提供启动电压,当7脚电压高于14V时,集成电路IC1开始工作,其6脚输出PWM脉冲信号,驱动电源开关管(场效应管)VT1进入开关状态,电流依次流过VT1的S极-D极-R7-接地端。此时,开关变压器T1的8-9绕组产生感应电压,经VD6、R2整流滤波后,为IC1的7脚提供稳定的工作电压,确保IC1持续稳定运行。IC1的4脚外接振荡电阻R10和振荡电容C7,共同决定IC1的振荡频率,进而影响PWM脉冲输出频率。IC2(TL431)作为精密基准电压源,与IC4(光耦合器4N35)协同作用,稳定充电器输出电压,保障充电过程电压稳定。RP1(510欧半可调电位器)用于精细调节充电器输出电压,满足不同电池组的充电需求。LED1作电源指示灯,接通电源后即亮起,发出红色光,直观显示充电器通电状态。VT1开始工作后,变压器T1次级的6-5绕组输出电压,经快速恢复二极管VD60整流,C18滤波后,得到稳定的约53V电压。该电压一方面经二极管VD70(防止电池电流倒灌)给电池充电;另一方面经限流电阻R38、稳压二极管VZD1、滤波电容C60,为比较器IC3(LM358)提供12V工作电源,VD12为IC3提供基准电压,经R25、R26、R27分压后输入至IC3的2脚和5脚。
在正常充电阶段,R33上端产生0.18-0.2V电压,经R10加至IC3的3脚,促使IC3的1脚输出高电平。该高电平信号分为三路输出:第一路驱动VT2导通,散热风扇随之开始工作,为充电器散热;第二路经电阻R34点亮双色二极管LED2中的红色发光二极管,直观显示充电状态;第三路输入至IC3的6脚,使IC3的7脚输出低电平,双色发光二极管LED2中的绿色发光二极管熄灭,标志着充电器进入恒流充电阶段。当电池电压逐步上升至约44.2V时,充电器自动切换至恒压充电阶段,充电电流逐渐减小。当充电电流降至200MA-300MA时,R33上端电压随之下降,IC3的3脚电压低于2脚电压,IC3的1脚输出低电平。此时,双色发光二极管LED2中的红色发光二极管熄灭,三极管VT2截止,散热风扇停止运转。同时,IC3的7脚输出高电平,一路经电阻R35点亮双色发光二极管LED2中的绿色发光二极管,指示充电接近完成(但实际充满还需一两小时);另一路经R52、VD18、R40、RP2传输至IC2的1脚,使输出电压降低,充电器进入200MA-300MA的涓流充电阶段,即浮充阶段,以维持电池电量。通过改变RP2的电阻值,可灵活调整充电器从恒流充电状态转换至涓流充电状态的转折电流值(200-300MA)。
电路优势:此电路在第一种电路基础上,增加了更多智能控制功能,通过引入比较器IC3(LM358)等元件,实现了充电过程的精准控制。在恒流充电、恒压充电及涓流充电阶段的转换过程中,能够依据电池电压和充电电流的实时变化,自动调整充电模式,提升充电效率,延长电池使用寿命,且具备过热?;ぃㄉ⑷确缟壬杓疲┑劝踩?,提升充电器整体性能和可靠性。
〈烜芯微/XXW〉专业制造二极管,三极管,MOS管,桥堆等,20年,工厂直销省20%,上万家电路电器生产企业选用,专业的工程师帮您稳定好每一批产品,如果您有遇到什么需要帮助解决的,可以直接联系下方的联系号码或加QQ/微信,由我们的销售经理给您精准的报价以及产品介绍
〈烜芯微/XXW〉专业制造二极管,三极管,MOS管,桥堆等,20年,工厂直销省20%,上万家电路电器生产企业选用,专业的工程师帮您稳定好每一批产品,如果您有遇到什么需要帮助解决的,可以直接联系下方的联系号码或加QQ/微信,由我们的销售经理给您精准的报价以及产品介绍
联系号码:18923864027(同微信)
QQ:709211280