简略地讲控制器是由周边器件和主芯片(或单片机)组成。
电动车控制器电路图
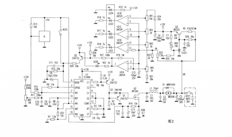
1. 电动车控制器电路图

电动车控制器电路原理
稳压电源:由 V3(TL431),Q3 等元件组成,从 36V 蓄电池经过串联稳压后得到+12V 电压,给控制电路供电,调节 VR6 可校准+12V 电源。
PWM 电路:以脉宽调制 器 TL494 为核心组成。R3、C4 与内部电路产生振荡,频率大约为 12kHz。
H 是高变低型霍尔速度控制转把,由松开到旋紧时,其输出端可得到 4V—1V 的电压。该电压加到 TL494 的②脚,与①脚电压进行比较,在⑧脚得到调宽脉冲。②脚电压越低,⑧脚输出的调宽脉冲的低电平部分越宽,电机转速越高,电位器 VR2 用于零速调节,调节 VR2 使转把松开时电机停转再过一点。
电机驱动电路 由 Q1、Q2、Q4 等元件组成。电机 MOTOR 为永磁直流有刷电机。TL494 的⑧脚输出的调宽脉冲,经 Q1 反相放大驱动 VDMOS 管 Q2。TL494 的⑧脚输出的调宽脉冲低电平部分越宽,则 Q2 导通时间越长,电机转速越高。D1 是电机续流二极管,防止 Q2 击穿。TL494 的⑧脚输出低电平时,Q1、D2 导通,Q4 截止,Q2 导通;TL494 的⑧脚输出高电平时,Q1、D2 截止,Q4 导通,迅速将 Q2 栅极电荷泄放,加速 Q2 的截止过程,对降低 Q2 温度有十分重要的作用。
蓄电池放电指示电路 由 LM324 组成四个比较器,12V 由 R24、VR1、VR4、VR3、VR5、R21 分压形成四个不同基准电压分别加到四个比较器的反相端。蓄电池电压经 R23 和 R22 分压加到每个比较器的同相端,该电压和蓄电池电压成比例。VA=VB*R22/(R22+R23)。当蓄电池电压不低于 38V 时,LED1、LED2、LED3 均点亮;当电池电压低于 38V 时,LED3 熄灭;当电池电压低于 35V 时,LED2 熄灭;当电池电压低于 33V 时,LED1 熄灭,此时应给电池充电。调节 VR1、VR4、VR3 可分别设定 LED3、LED2、LED1 熄灭时的电压。LED4 用作电源指示,LED5 用作欠压切断控制器输出指示。
电动车控制器电路作用
电动车控制器是用来控制电动车电机的启动、运行、进退、速度、停止以及电动车的其它电子器件的核心控制器件,它就像是电动车的大脑,是电动车上重要的部件。电动车就目前来看主要包括电动自行车、电动二轮摩托车、电动三轮车、电动三轮摩托车、电动四轮车、电瓶车等,电动车控制器也因为不同的车型而有不同的性能和特点。
烜芯微专业制造二极管,三极管,MOS管,桥堆等20年,工厂直销省20%,4000家电路电器生产企业选用,专业的工程师帮您稳定好每一批产品,如果您有遇到什么需要帮助解决的,可以点击右边的工程师,或者点击销售经理给您精准的报价以及产品介绍
烜芯微专业制造二极管,三极管,MOS管,桥堆等20年,工厂直销省20%,4000家电路电器生产企业选用,专业的工程师帮您稳定好每一批产品,如果您有遇到什么需要帮助解决的,可以点击右边的工程师,或者点击销售经理给您精准的报价以及产品介绍