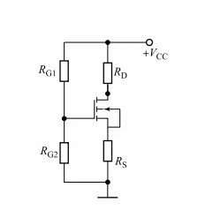
1.电路结构
12为旁路电容,RG1?RG2为分压电阻,RG2上的压降为场效应管的栅极提供偏置电压,故该电路称为分压式自偏压放大电路?RG3上没有电流,对电路的静态工作点没有影响,RD为源极电阻?
2.静态分析
主要求解场效应管的IDQ?UGSQ?UDSQ如图1所示电路的直流通路如图2所示,由于RG3上没有电流,故没有绘制在直流通路中?
图1分压式自偏压放大电路


图2电路的直流通路


3.动态分析
如图1所示电路的小信号等效电路如图3所示?
图3电路的小信号等效电路

烜芯微专业制造二极管,三极管,MOS管,桥堆等,20年,工厂直销省20%,1500家电路电器生产企业选用,专业的工程师帮您稳定好每一批产品,如果您有遇到什么需要帮助解决的,可以直接联系上方的联系号码或加QQ,由我们的销售经理给您精准的报价以及产品介绍