一、UPS电源电路图详解
(一)基础电路架构
该UPS电源电路图展示了在停电情况下,设备如何通过电池进行控制以维持电力供应。电路中的变压器(TR1)初级绕组设计输入电压为220V或240V,以适配常见的市电电压标准。次级绕组的输出电压则根据电路需求进行调整,例如,若在负载电流为2安培时能够提供至少12V的电压,则变压器(TR2)的次级绕组可将电压升高至15V,以满足后续电路的稳压和其他电力需求。
电路中还设置了保险丝,其核心作用是为整个电路提供短路?;?,有效防止因电流过大而引发的电路损坏或安全事故。电流检测部分采用LED1进行可视化指示,当电路中有电流流通时,LED1会发光,直观地显示电路的运行状态。


在市电正常情况下,LED发光由市电供电;而当市电中断时,UPS内置的电池将迅速接管,维持LED发光,确保电力供应的连续性。该电路设计具有高度的灵活性,用户可以通过更换不同规格的电池和调整稳压器参数,实现对稳压和非稳压电压的输出控制。例如,采用两个串联的12V电池,并结合7815稳压器的正极输入端,可以稳定地输出15V电源,以适配需要该电压等级的设备。


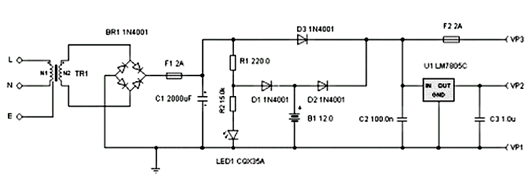
(二)6V备用电池电路
此电路采用LM7806稳压器IC,可将输出电压稳定降低至6V,为需要较低电压供电的设备提供稳定的电力支持。该电路选用了12V铅酸电池作为备用电源,其优势在于能够在市电输入缺失时立即切换至电池供电模式,确保电子设备在市电中断瞬间也能保持正常运行,避免因突然断电导致的数据丢失或设备重启等问题。
电路的输出电流可达1A,能够满足多种电子产品的基本用电需求。为了优化电池的使用寿命和充电管理,建议搭配使用自动12V电池充电器电路。与传统的12V插头组相比,自动充电器能有效防止电池过度充电,从而延长电池的使用寿命。在使用12V电池充电器时,需注意将二极管D1排空,以确保充电回路的正确连接和安全运行。同时,为了保证稳压器IC的稳定工作和散热性能,应为其配备合适尺寸的散热器。
(三)基础UPS电源电路


这是一个基本的不间断电源(UPS)电路,其核心在于通过灵活配置不同的稳压器和电池组合,实现对稳压和非稳压电压的调整与输出控制。例如,若需要构建一个15V稳压电源,可将两个12V电池串联,形成24V电压,并配合7815稳压器使用,以获得稳定的15V输出电压。这种设计赋予了电路极大的灵活性,使其能够适应各种不同的应用场景和设备需求。
〈烜芯微/XXW〉专业制造二极管,三极管,MOS管,桥堆等,20年,工厂直销省20%,上万家电路电器生产企业选用,专业的工程师帮您稳定好每一批产品,如果您有遇到什么需要帮助解决的,可以直接联系下方的联系号码或加QQ/微信,由我们的销售经理给您精准的报价以及产品介绍
联系号码:18923864027(同微信)
QQ:709211280