一、DC-DC升压电路概述
DC-DC升压电路是一种至关重要的电路类型,其核心功能在于将较低的直流电压转换为较高的直流电压,从而有效提升电源的输出电压水平。这种电路在众多领域都有着广泛的应用,尤其是在电源管理、电池供电设备以及各类需要精准电压调节的场景中,发挥着不可或缺的作用。
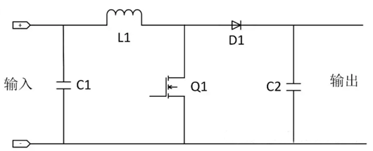
二、Boost升压电路工作原理
Boost升压电路,也被称为自举电路,其工作原理主要依赖于电感、电容的特性以及开关元件(如MOS管)的精准控制,以此实现将低电压输入信号转换为高电压输出信号的关键功能。


当MOS管处于导通状态时,输入电压开始为电感进行充电,此时电感中的电流呈线性增加趋势,电感逐步储存能量,与此同时,负载所需的电能则由电容来提供。随后,当MOS管关闭时,电感内的电流由于电感自身的电流保持特性而维持不变,电感随即释放之前储存的能量,并与输入电压协同作用,共同为电容充电,并向负载输送电能。通过这一过程,输出电压得以高于输入电压,从而成功实现升压效果。
值得强调的是,在整个工作过程中,开关管的开关频率、占空比以及变压器的匝数比等诸多参数,均会对输出电压的幅值和稳定性产生显著影响。因此,在设计DC-DC升压电路时,设计人员必须依据实际应用需求,精心选择合适的参数,并进行细致的调整与优化,以确保电路的性能达到预期目标。
三、关键组件解析
开关管:作为DC-DC升压电路中的核心元件,开关管的性能表现直接关系到电路的输出电压水平和整体效率。在实际应用中,常用的开关管类型包括MOSFET、IGBT等,设计人员需根据具体的使用场景和性能要求,合理选择开关管的类型。
电感/变压器:变压器在DC-DC升压电路中扮演着将输入的直流电压转换为高频脉冲电压的关键角色,是实现升压功能的核心部件之一。在设计变压器时,设计人员需要综合考虑匝数比、磁芯材料以及绕线方式等多种因素,以确保变压器的性能满足电路需求。
整流器和滤波器:整流器的主要功能是将高频脉冲电压转换为直流电压,而滤波器则用于去除直流电压中的纹波成分,从而使输出的直流电压更加稳定和平滑。在实际电路中,整流二极管是常用的一种整流器件。
四、DC-DC升压电路构建示例
以下将介绍一个将1.5V直流电压升压至5V的DC-DC升压转换器的构建方法,构建该升压电路所需要的组件包括:
1.5V直流电源:作为电路的输入电源,为整个升压过程提供初始能量。
180uH电感:用于在电路中储存和释放能量,是实现升压功能的关键元件之一。
1个1N3491二极管:充当整流器的角色,将高频脉冲电压转换为直流电压。
1个33uF电容:起到滤波作用,能够有效去除输出直流电压中的纹波成分,提高输出电压的稳定性。
1个150Ω电阻:用于限制电流,?;さ缏分械钠渌馐芄蟮缌鞯乃鸹?。
1个MOSFET或JFET开关晶体管:作为电路的开关元件,通过控制其导通和截止状态,实现电感的充放电过程,进而达到升压的目的。
PWM源:例如ArduinoUno或555定时器,能够生成50KHz、5V、75%占空比的PWM信号,为开关晶体管提供驱动信号,控制其开关动作。


五、稳压型直流升压电路图及解析
如下图所示,这是一种稳压型直流升压电路,该电路能够将一节1.5V的电池升压至9V,从而可以取代传统的9V叠层电池使用。在性能方面,该电路在空载时的输入电流低于1.2mA,转换效率高达60%,展现出良好的能源利用效率。


在电路构成上,它主要由振荡电路和稳压电路两部分组成。其中,VT1、VT2、C2共同构成振荡器,产生高频振荡信号,为电路的升压过程提供必要的高频激励。色码电感L则作为储能电感,在电路中起到储存和释放能量的关键作用。VD2是整流二极管,负责将高频脉冲电压转换为直流电压。C3作为输出滤波电容,能够有效滤除输出电压中的纹波成分,提高输出电压的稳定性和平滑性。而VT3、VD1、VD3及R2则组成了稳定输出电压的稳压电路,确保输出电压维持在预定的水平。最终,输出电压大约等于VD3的稳压值。
〈烜芯微/XXW〉专业制造二极管,三极管,MOS管,桥堆等,20年,工厂直销省20%,上万家电路电器生产企业选用,专业的工程师帮您稳定好每一批产品,如果您有遇到什么需要帮助解决的,可以直接联系下方的联系号码或加QQ/微信,由我们的销售经理给您精准的报价以及产品介绍
〈烜芯微/XXW〉专业制造二极管,三极管,MOS管,桥堆等,20年,工厂直销省20%,上万家电路电器生产企业选用,专业的工程师帮您稳定好每一批产品,如果您有遇到什么需要帮助解决的,可以直接联系下方的联系号码或加QQ/微信,由我们的销售经理给您精准的报价以及产品介绍
联系号码:18923864027(同微信)
QQ:709211280