反激式开关电源波形分析
一、反激拓扑电路基础


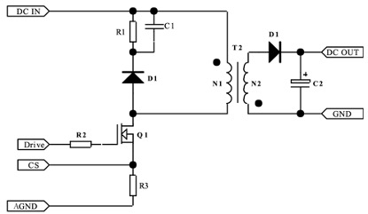
反激式开关电源作为一种高效、紧凑的电源转换方案,在电子设备中应用广泛。其基本线路包括以下几个关键部分:
DC IN :市电经过整流滤波后的直流输入,为后续电路提供稳定的直流电。
Drive :控制芯片的驱动信号,用于控制 Q1 的 ON/OFF 状态,调节电路的工作周期。
CS :控制芯片对 Q1 电流的采样端口,用于监测和控制开关管的电流,保障电路安全运行。
AGND :初级侧的地,作为初级电路的参考电位点。
DC OUT :电源的输出端,为负载设备提供所需的直流电压。
GND :次级侧的地,作为次级电路的参考电位点。
二、DCM 与 CCM 工作模式
(一)判断依据
反激式电源的工作模式主要分为断续导电模式(DCM)和连续导电模式(CCM)。准确判断工作模式需要综合考虑初级和次级电流的情况:
CCM 模式 :当初级和次级电流不是同时为零时,电路处于 CCM 模式。这意味着在开关管关断期间,变压器中铁芯中的磁能持续传递到次级,次级整流二极管一直有电流流过,确保负载获得连续的功率供应。
DCM 模式 :如果存在初级和次级电流同时为零的状态,则电路处于 DCM 模式。在此模式下,开关管关断后,变压器存储的磁能完全释放,次级整流二极管电流降为零,负载电流出现间断。
BCM 模式 :工作模式介于 DCM 和 CCM 之间时,被称为不连续 - 连续混合模式(BCM)。这种模式通常出现在电路参数接近 DCM 和 CCM 边界的情况。
(二)波形区别


变压器初级电流波形 :DCM 模式下呈现三角波形,电流从零线性上升至峰值后迅速下降回零;CCM 模式则表现为梯形波,电流在开关管导通期间线性上升,关断期间逐渐下降,不会回到零。
次级整流管电流波形 :与初级电流波形类似,DCM 模式为三角波,次级电流在磁能传递期间线性上升,之后迅速回落至零;CCM 模式为梯形波,次级电流在开关管关断期间仍保持一段时间的导通,确保负载电流的连续性。
MOS 管的 Vds 波形 :在 DCM 模式下,MOS 管关断后,Vds 会从 Vin + Vf(Vf 是次级反射到原边的电压)的平台值下降,并伴随阻尼震荡,这是由于变压器漏感能量释放和结电容谐振所致;而在 CCM 模式下,Vds 在下一个周期开通前一直维持在 Vin + Vf 的平台上,没有明显的震荡现象。
三、MOS 管开通与关断瞬间的 Vds 波形分析
(一)DCM 模式


关断瞬间 :从 MOS 管的波形可以看出,MOS 管关断时,其上的尖峰电压可能远超 Vin + Vf。这主要归因于变压器初级的漏感 Lk。漏感的电流变化会产生感应电动势,且由于漏感能量无法通过磁芯耦合到次级,导致电压急剧上升。为避免 MOS 管被尖峰电压击穿损坏,通常在初级侧设计 RCD 吸收缓冲电路,将漏感能量先存储在电容上,再通过电阻消耗掉。
次级电流归零后 :当变压器次级电流降至零时,磁芯能量基本释放完毕。次级整流管因电流为零而截止,相当于次级开路,输出电压不再反馈到初级。此时,由于 MOS 管 Vds 电压高于输入电压 Vin,在电压差作用下,MOS 管的结电容和初级漏感发生谐振。谐振电流对 MOS 管结电容放电,使 Vds 电压开始下降。经过约 1/4 谐振周期后,电压又开始上升。不过,受 RCD 嵌位电路及其他寄生电阻影响,这个振荡属于阻尼振荡,幅度会逐渐衰减。
(二)CCM 模式


在 CCM 模式下,MOS 管关断时产生的尖峰电压与 DCM 模式原理相似,但由于次级电流的连续性,关断后不会出现后续的振荡现象。这是因为次级整流管在开关管关断期间仍能持续导通,为磁芯能量释放提供通路,使得初级侧电压能够平稳维持在 Vin + Vf 水平,避免了因能量瞬间释放导致的振荡。
深入理解反激式开关电源的波形特性及其工作模式,对电源设计、调试和优化具有重要意义,有助于提升电源的性能和可靠性。
〈烜芯微/XXW〉专业制造二极管,三极管,MOS管,桥堆等,20年,工厂直销省20%,上万家电路电器生产企业选用,专业的工程师帮您稳定好每一批产品,如果您有遇到什么需要帮助解决的,可以直接联系下方的联系号码或加QQ/微信,由我们的销售经理给您精准的报价以及产品介绍
联系号码:18923864027(同微信)
QQ:709211280