一、TIP42C 基本概况
TIP42C 属于 PNP 型功率晶体管,其采用经典的 TO - 220 塑料封装形式,这种封装不仅具备良好的散热性能,还便于在各类电路板上进行通孔安装,极大提升了器件在实际应用中的可靠性和通用性。从材料构成来看,TIP42C 以 SI - NPN 材质为基础,该材质赋予其稳定的电气特性和较长的使用寿命。
在应用场景方面,TIP42C 的适用范围十分广泛,涵盖了音频放大、功率线性调节以及开关控制等诸多领域。例如在音频设备中,它能够为音频信号提供稳定且精准的放大功能,确保音频输出的高保真度与高品质;在功率线性应用里,可以实现对功率信号的精细调控,满足不同功率需求下的稳定供电;而在开关应用中,则凭借其快速的响应特性,实现电路的高效通断控制。
与 TIP42C 相辅相成的 PNP 类型中功率三极管是 TIP41C,二者在电路设计中常常成对出现,共同完成诸如信号放大以及音频功放等重要功能,为电子设备的正常运行和性能发挥奠定坚实基础。
二、TIP42C 电气参数详述




(一)电压特性
集电极 - 发射极电压(VCEO) :TIP42C 能够承受的最高集电极 - 发射极电压为 100V。这一参数意味着在电路正常工作时,集电极与发射极之间所能承受的最大电压差为 100V,倘若超出此电压范围,可能会导致器件出现击穿或性能下降等不良状况。
集电极 - 基极电压(VCBO) :其集电极 - 基极电压同样为 100V,这表明集电极与基极之间承受的最大电压差被严格限定在 100V 以内,确保器件在高电压环境下的稳定性和可靠性。
发射极 - 基极电压(VEBO) :发射极 - 基极电压的极限值为 5V,相对其他电压参数而言,其值较小,这体现了发射极与基极之间在电压耐受方面的特殊性,需要在电路设计中加以小心谨慎的考虑,避免因该部分电压过高而对器件造成损害。
饱和压降(VCE(sat)) :在 6A 的电流条件下,TIP42C 的饱和压降为 1.5V。饱和压降是衡量晶体管在饱和导通状态下性能的关键指标,较低的饱和压降有助于减少器件在导通时的功耗,提升整个电路的能效比。
(二)电流特性
最大集电极电流(IC) :TIP42C 允许通过的最大集电极电流是 6A,这为器件在大电流应用场景中划定了明确的界限,确保在不超过此电流值的前提下,TIP42C 能够稳定且高效地工作,为电路提供所需的电流驱动能力。
直流电流增益(hFE) :该器件的直流电流增益范围在 15 - 75 之间。直流电流增益反映了晶体管对电流的放大能力,不同增益值适用于不同应用场景,例如在低增益下适合于对电流控制精确度要求较高的场合,而高增益则可用于实现较大的电流放大效果。
(三)功率与频率特性
功率耗散(Pd) :采用 TO - 220 封装的 TIP42C,其功率耗散能力可达 65W。功率耗散参数直接关系到器件在高功率运行时的散热需求以及所能承受的最大功率限制,这对于设计高功率密度电路具有重要的参考价值。
增益带宽积(fT) :其增益带宽积为 3MHz,这一参数体现了 TIP42C 在不同频率下的增益表现与频率响应能力,有助于工程师在设计高频电路时合理评估器件的适用性。
三、物理与封装特性
封装类型 :TIP42C 坚持采用经过市场长期验证的 TO - 220 - 3 通孔安装封装形式,该封装具有良好的机械稳定性和电气绝缘性,能够有效?;つ诓啃酒馐芡饨缁肪骋蛩氐母扇?,同时便于在各类传统电路板上进行安装与焊接操作。
工作温度范围 :TIP42C 的工作温度范围极为宽泛,从 - 55℃到 + 150℃,无论是严寒还是酷热的工作环境,它都能稳定地发挥其性能,这一特性使其在众多工业、汽车以及户外电子设备领域得到广泛应用。
热阻(结至外壳) :其热阻为 1.92℃/W,较低的热阻意味着器件能够更高效地将内部产生的热量传递到外壳,进而通过外部散热措施(如散热片等)进行散热,这对于保证器件在高功率持续运行时的稳定性至关重要。
四、TIP42C 的代换方案
在实际应用中,有时会面临 TIP42C 器件短缺或需要性能优化等情况,因此了解其代换方案具有重要意义。
(一)直接代换型号
BD244 :在电气特性和封装形式上与 TIP42C 高度相似,可实现无缝替换,在大多数音频放大和功率控制电路中,能够提供几乎一致的性能表现。
BD596 :具备与 TIP42C 相当的电流处理能力和电压耐受能力,同时在直流电流增益等方面也有相近的表现,是 TIP42C 的理想替代选择之一。
BD606 :同样是与 TIP42C 兼容性良好的直接代换型号,其功率耗散能力和工作温度范围与 TIP42C 接近,在电路中替换后,通常无需对电路进行额外的参数调整。
3CD10D(国产) :作为国产器件,经过多年的技术发展和市场验证,其性能已接近 TIP42C,在一些对成本较为敏感的应用场景中,可作为可靠的替代方案,且在国产化替代趋势下,具有更广阔的应用前景。
(二)互补配对管
TIP41C(NPN 型) :作为 TIP42C 的互补配对管,二者在电路中常常协同工作,尤其是在推挽式电路结构中,TIP41C 与 TIP42C 可以相互配合,实现对信号的高效放大和传输,提升整个电路的性能和效率。
(三)高性能替代方案
MJE15031 :若对电路性能有更高要求,MJE15031 是一种高性能的替代选择。然而,在选用该型号进行代换时,需要注意其引脚兼容性问题,可能需要对电路板进行适当的调整和修改,以确保引脚连接正确无误,实现器件的正常工作。
(四)其他代换型号
除了上述几种主要的代换方案外,还有众多其他型号可供选择,如 D880、D633、C2073、2N3733、C2335、BD712、BD912、BDT42C、BDT42CF、MJE5170、MJE5171、MJE5172、TIP42CF 或 TIP42CG 等。这些型号各自具有不同的性能特点和适用场景,在进行代换时,需要根据具体电路需求以及对器件性能的要求,进行详细的参数对比和评估,以确保代换后电路能够稳定、可靠且高效地运行。
五、代换注意事项
关键参数匹配 :在任何代换操作中,首要确保关键参数(Vceo、Ic、hFE)与原 TIP42C 器件相匹配。这些参数直接关系到电路的正常工作和性能发挥,若不匹配,可能导致电路无法达到预期的设计要求,甚至出现故障或损坏。
封装兼容性 :同时,还需保证代换器件的封装与原电路板的安装设计相兼容,否则可能因引脚位置、尺寸等方面的问题,导致器件无法正确安装或焊接不良,影响电路的整体性能和稳定性。
电路稳定性重新评估 :若选择更高功率的代换器件,如 A1941/C5198 对管,虽然可以满足更大功率输出的需求,但必须重新对电路的稳定性进行全面评估。因为功率的提升可能会引入新的问题,如电磁干扰增加、散热要求提高以及电路谐振特性改变等,需要通过详细的分析和测试,采取相应的措施来确保电路在高功率条件下的稳定运行。
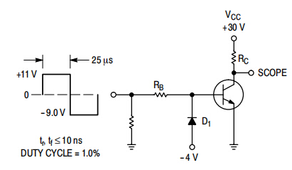
tip42c电路图

〈烜芯微/XXW〉专业制造二极管,三极管,MOS管,桥堆等,20年,工厂直销省20%,上万家电路电器生产企业选用,专业的工程师帮您稳定好每一批产品,如果您有遇到什么需要帮助解决的,可以直接联系下方的联系号码或加QQ/微信,由我们的销售经理给您精准的报价以及产品介绍
tip42c电路图

〈烜芯微/XXW〉专业制造二极管,三极管,MOS管,桥堆等,20年,工厂直销省20%,上万家电路电器生产企业选用,专业的工程师帮您稳定好每一批产品,如果您有遇到什么需要帮助解决的,可以直接联系下方的联系号码或加QQ/微信,由我们的销售经理给您精准的报价以及产品介绍
联系号码:18923864027(同微信)
QQ:709211280