tip42c参数规格书
点击查看规格书。

查看tip42c参数详情

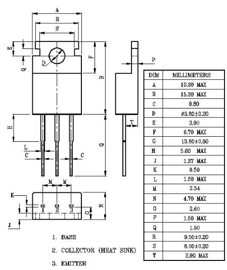
tip42c参数封装尺寸

tip42c概述
tip42是由美国得克萨斯仪表公司生产的,应用材料是SI-NPN.应用于低频,音频,或功率放大之用,TIP41C的极限工作电压max为100V.最大工作电流I=6A。TIP41 NPN中功率三极管,广泛用于信号放大及音频功放用晶体管,可与TIP42 PNP管做互补对称管使用.
tip42c引脚图电路图及引脚定义

1、基集
2、集电极
3、发射极
tip42c应用电路
(一)
当PB01端输入1时,也就是光耦管截止(或开路),则Q2必定截止,Q4跟随截止(继电器断电);当PB01端输入0时,也就是光耦管导通(或短路),则Q2必将导通,Q4也导通(继电器加电);为了控制稳定,必须给Q2提供可靠的集电极电流,就是加个集电极电阻(一端直接接地),如陈坚道先生给的那个图。因为你用了个大功率管,也不知道你继电器电流需要多大,如果Q4基极电流不够,可以去掉R14(即短路掉),R11的值减小些以加大Q2集电极电流。

(二)

烜芯微专业制造二极管,三极管,MOS管,桥堆20年,工厂直销省20%,1500家电路电器生产企业选用,专业的工程师帮您稳定好每一批产品,如果您有遇到什么需要帮助解决的,可以点击右边的工程师,或者点击销售经理给您精准的报价以及产品介绍