一、NPN型三极管恒流源电路构架与运行机理
该电路由两个NPN型三极管 Q1与 Q2协同构成。

当输入电压源维持在0V状态时,Q1和Q2处于截止状态,致使发光二极管D1无法导通,呈现熄灭状态。

当输入电压源维持在0V状态时,Q1和Q2处于截止状态,致使发光二极管D1无法导通,呈现熄灭状态。
一旦电压源提升至3.3V,Q1和 Q2随之进入导通状态,此时D1成功被点亮。在此过程中,Q1和 Q2均处于放大区,以此确保电路的线性调节性能。若 Q2陷入饱和区,其基极电压将迫使 Q1基极电位降低,致使 Q1截止,进而导致 Q2同样截止。同理,若 Q1处于饱和区,且输入电压提升至5V,D1的导通电压为2V,那么 R2两端将承受3V电压,致使 Q2启动,将 Q1基极电位拉低,最终使 Q1截止,保障电路的稳定运行。
二、NPN型三极管电路的恒流调控机制
(一)电流上升场景
当发光二极管D1电流呈现上升趋势时,流经 R2的电流亦随之同步上升。这将导致 Q2基极电压升高,进而促使 Q2导通程度加深,拉低其集电极 - 发射极电压(Vce),即降低 Q1基极电压。此操作直接致使流经 R2的电流回落,借助负反馈机制实现电流的自我调节,直至电路恢复动态平衡。
(二)电流下降场景
反之,若发光二极管D1电流出现下降,流经 R2的电流也会相应减少,使得 Q2基极电压降低,从而导致 Q2集电极 - 发射极电压(Vce)上升,即 Q1基极电压升高。这一变化会促使 R2电流增加,进而使发光二极管D1电流回升,再次通过负反馈调节,直至电路达到稳定状态。通过这一恒流调控机制,流经负载D1的电流得以维持在恒定水平。具体恒定电流值由 Q2基极 - 发射极电压(约0.7V)与 R2阻值(51Ω)决定,计算得恒定电流约为13.7mA。
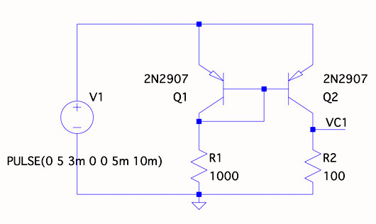
三、PNP型三极管恒流源电路原理剖析


该电路架构中,R1为 Q1提供电流路径,Q1电流经 R1流向地(GND)。Q1与 Q2共享同一偏置电流,鉴于Q1和 Q2的Vbe值相同,流经 R1的电流与流经 R2的电流相等。

此电路巧妙利用 Q2的基极 - 发射极导通电压(0.6~0.7V)特性实现恒流控制。

此电路巧妙利用 Q2的基极 - 发射极导通电压(0.6~0.7V)特性实现恒流控制。
当 Q2导通时,会拉低 Q1基极电压,导致 Q1截止,负载R1因而无法正常工作。此时,流经负载R1的电流等同于流经 R6的电流,而 R6电流由其两端0.6~0.7V电压与自身阻值(固定值)的比值决定。即便负载R1的供电端VCC电压出现波动,流经 R1的电流仍能保持恒定,从而达成精准的恒流效果,确保电路在不同工况下的稳定性与可靠性。
〈烜芯微/XXW〉专业制造二极管,三极管,MOS管,桥堆等,20年,工厂直销省20%,上万家电路电器生产企业选用,专业的工程师帮您稳定好每一批产品,如果您有遇到什么需要帮助解决的,可以直接联系下方的联系号码或加QQ/微信,由我们的销售经理给您精准的报价以及产品介绍
联系号码:18923864027(同微信)
QQ:709211280