一、OD门概述
OD门的输出端具备拉低能力,却无法主动拉高,处于高阻态时无电信号输出。其构造通常包含一个开漏输出的晶体管以及一个输入端,能够完成与门、或门、非门等基础逻辑运算。
##二、工作原理阐述
OD门输出端可借助上拉电阻或上拉电源实现电平拉高,进而完成高低电平转换。类似于OC门,OD门输出端允许多个门并联,构成开关电路以操控外部器件运行。它适用于需输出高、低电平的多种场景,例如数字信号的放大、隔离、反相以及驱动等。
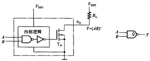
三、漏极开路的与非门


在CMOS门电路中,漏极开路设计指的是输出电路仅配置NMOS管,且漏极常规连接VDD(中间含上拉电阻Rp)。将OD门输出端直接相连,能够达成OD门间的与运算。具体连接示意图如下:


采用漏极开路的与非逻辑符号图可表示上述连接关系:


四、OD门的重要作用
实现线与,规避大电流:在特定电路连接方式下,OD门能实现线与功能,同时有效防止大电流产生,保障电路稳定运行。
电平变换:具备输出电平变换能力,即实现逻辑非功能。需注意的是,无论输出高低电平,电流流向均为流入。


驱动大电流负载:OD门能够驱动对电流需求较大的负载,拓宽其应用场景。
〈烜芯微/XXW〉专业制造二极管,三极管,MOS管,桥堆等,20年,工厂直销省20%,上万家电路电器生产企业选用,专业的工程师帮您稳定好每一批产品,如果您有遇到什么需要帮助解决的,可以直接联系下方的联系号码或加QQ/微信,由我们的销售经理给您精准的报价以及产品介绍
联系号码:18923864027(同微信)
QQ:709211280