直流升压斩波电路深度解析
在电子电路设计领域,直流升压斩波电路是一种关键的功率变换电路,其核心功能在于将输入的直流电压提升至更高的输出电压水平,以满足各类电气设备对不同电压等级的需求。以下将对直流升压斩波电路的结构、工作原理以及相关特性进行严谨且深入的剖析,旨在为工程师及技术人员提供详实的设计参考。
一、电路结构组成
直流升压斩波电路主要由以下几个核心元件构成:开关器件、二极管、储能电感以及滤波电容。这些元件相互协作,共同实现了直流电压的升压变换过程。
二、工作原理详述
当开关器件处于导通状态时,输入电压经由电感,为电感提供能量,使其储能。此时,电感中的电流呈线性增长趋势,所储存的能量也随之增加。与此同时,二极管因承受反向偏置电压而处于截止状态,滤波电容则承担起向负载供电的重任,确保负载能够持续获得电能。
当开关器件关断时,电感中累积的电流通过二极管向负载以及滤波电容供电,电感开始释放之前储存的能量。由于电感释放的能量与输入电压共同作用于输出端,使得输出电压成为输入电压与电感电压的叠加,从而实现了电压的升压效果。
通过精准调节开关器件的导通时间,即占空比(D),可在0<D<1的范围内有效控制输出电压的高低,进而满足不同应用场景对输出电压的具体要求。


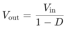
三、输出电压计算公式
在稳态运行条件下,升压斩波电路的输出电压与输入电压以及占空比之间存在如下精确的数学关系:

四、升降压斩波电路原理探究
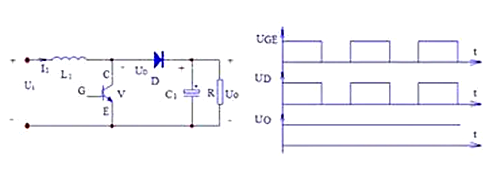
(一)电路原理图解析


升降压斩波电路的原理图包含一个全控型器件V。通过对V的栅极电压波形UGE进行精确控制,可实现电路的升压或降压功能切换。当V处于通态时,电源Ui向电感L?充电,充电电流基本保持恒定为I1,同时电容C?上的电压向负载供电。由于C?的电容值较大,能够有效维持输出电压UO的稳定性,基本保持其为恒定值。
(二)能量传递过程
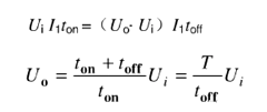
设V处于通态的时间为ton,在此阶段,电感L?上积蓄的能量可表示为Ui*I1*ton。当V处于断态时,电源Ui和电感L?共同向电容C?充电,并向负载提供能量。设V处于断态的时间为toff,则在此期间电感L?释放的能量为(UO−Ui)⋅I1⋅toff。
(三)稳态工作条件
当电路处于稳态运行状态时,在一个完整的工作周期T内,电感L?积蓄的能量与释放的能量应保持平衡,即满足能量守恒定律。根据这一条件,可推导出输出电压必然高于电源电压的结论,从而验证了该电路作为升压斩波电路的功能特性。

上式中的T/toff≥1,输出电压高于电源电压,故称该电路为升压斩波电路。
〈烜芯微/XXW〉专业制造二极管,三极管,MOS管,桥堆等,20年,工厂直销省20%,上万家电路电器生产企业选用,专业的工程师帮您稳定好每一批产品,如果您有遇到什么需要帮助解决的,可以直接联系下方的联系号码或加QQ/微信,由我们的销售经理给您精准的报价以及产品介绍

上式中的T/toff≥1,输出电压高于电源电压,故称该电路为升压斩波电路。
〈烜芯微/XXW〉专业制造二极管,三极管,MOS管,桥堆等,20年,工厂直销省20%,上万家电路电器生产企业选用,专业的工程师帮您稳定好每一批产品,如果您有遇到什么需要帮助解决的,可以直接联系下方的联系号码或加QQ/微信,由我们的销售经理给您精准的报价以及产品介绍
联系号码:18923864027(同微信)
QQ:709211280