
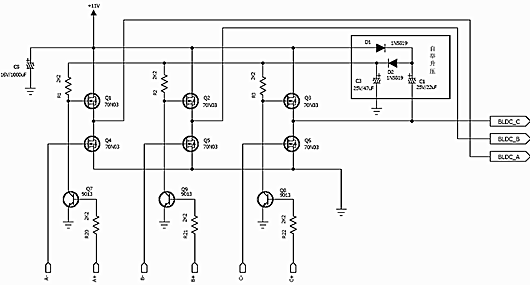
MOS高压侧自举升压电路
如果不添加自举电路,
举例如下:
如果MOS的Drink极电压为12V,Source极电压原为0V,Gate极驱动电压也为12V,那么当MOS在导通瞬间,Soure极电压会升高为Drink减压减去一个很小的导通压降,那么Vgs电压会接近于0V,MOS在导通瞬间后又会关断,再导通,再关断。
如此下去,长时间在MOS的Drink极与Source间通过的是一个N倍于工作频率的高频脉冲,这样的脉冲尖峰在MOS上会产生过大的电压应力,很快MOS管会被损坏。
如果在MOS的Gate与Source间接入一个小电容,在MOS未导通时给电容充电,在MOS导通,Source电压升高后,自动将Gate极电压升高,便可使MOS保持继续导通。
图中自举升压电路解析(电荷泵工作原理):
1、上电时:电源+11V流过D1、D2向C3充电,C3上的电压很快升至接近11V;
2、如果Q6导通,C1负极被拉低,C1形成充电回路,会很快C1充电至11V;
3、当PWM波形翻转,Q6截止,Q3导通,C1负极电位被抬高到接近电源电压11V,水涨船高,此时C1正极电位已超过电源电压,并高于C3端电压。因为D1的存在,该电压不会向电源倒流;
4、此时开始先C3充电,C3上的端电压被充至接近2倍电源电压22V;
5、只要Q3、Q6一直轮流导通和截止,C1就会不断向C3充电,使C3端电压一直保持22V的电压。
〈烜芯微/XXW〉专业制造二极管,三极管,MOS管,桥堆等,20年,工厂直销省20%,上万家电路电器生产企业选用,专业的工程师帮您稳定好每一批产品,如果您有遇到什么需要帮助解决的,可以直接联系下方的联系号码或加QQ/微信,由我们的销售经理给您精准的报价以及产品介绍
联系号码:18923864027(同微信)
QQ:709211280