一、放大电路概述
放大电路的核心要义在于把输入信号进行有效放大,其运作根基紧密关联着放大元件,例如晶体管、运算放大器等的独特属性以及电路布局设计。这些元件借助调控电流或电压的波动,达成信号增强的使命,满足诸如音频放大、信号传输等多元场景对信号强度的需求。
二、放大电路的构成剖析
一个标准的放大电路架构涵盖多个关键部件:
信号源??椋旱5弊盘峁┰嘉⑷跣藕诺闹厝?,常见于各类传感器、音频设备等,其产生的信号通常幅度微小,需借助放大电路实现信号的初步增强。
放大器件单元:晶体管或场效应管等元件在此扮演核心角色,它们凭借自身对电流或电压的精密调控能力,推动输入信号的放大进程,实现信号幅度的显著提升。
偏置电路系统:为放大器件量身打造合适的偏置环境,确保其稳定运行在预设的静态工作点,犹如为精密仪器提供恒温恒湿的工作空间,保障放大功能的可靠实现。
负载组件:作为放大后信号的接收端,负载形态多样,如扬声器、显示器等,负责将放大的电信号转化为声音、图像等直观可感的输出形式,完成信号传递与应用的“最后一公里”。
三、放大电路的类型划分
依据放大电路的功能侧重与应用场景差异,可细分为以下几类:
按信号类型划分:
电压放大电路:聚焦于提升输入信号的电压幅值,广泛适用于音频放大器前端、射频信号接收等场景,以获取更高的电压信号便于后续处理。
电流放大电路:着重于增强输入信号的电流强度,常应用于电机驱动控制、大功率电源输出等对电流驱动能力要求苛刻的环节,确保负载设备获得充足电流驱动。
功率放大电路:协同放大电压与电流,实现信号功率的大幅提升,音频功率放大器、无线发射机等设备依赖其高功率输出特性,将微弱信号放大至能驱动扬声器发声、天线发射的水平。
按组成元件划分:
晶体管放大电路:以晶体管为放大核心,凭借其独特的PN结结构与电流放大机制,通过基极电流细微变化引发表射极、集电极电流的显著波动,在模拟信号放大领域表现卓越,如低频音频放大。
场效应管放大电路:场效应管依靠电场效应调控沟道导电性能,具有输入阻抗高、噪声低等优势,在高频率、高精度信号放大场景,如射频电路、生物医学信号采集等,展现独特价值。
四、晶体管放大电路工作原理解析
晶体管放大电路运作流程如下:
输入信号借助耦合电容或输入电阻精准注入晶体管基极,耦合电容恰似一道“隔离墙”,在阻隔直流成分的同时,巧妙地让交流信号顺畅通过,实现信号的无损传递。
晶体管基极-发射极PN结响应输入信号的正负半周波动,相应地改变其导通程度,从而激发基极电流与集电极电流的同步动态变化,犹如心脏的舒张收缩驱动血液流动,带动整个电路的电流波动。
基极电流的细微变化,经晶体管内部的电流放大机制,如同经过一个“能量放大镜”,促使集电极电流发生远超基极电流幅度的显著变化,实现信号电流的“放大增益”。
输出电路经由耦合电容或输出电阻连接至晶体管集电极,将放大后的信号高保真地传递至下一级电路或负载,耦合电容在此再次发挥交流信号传递作用,确保放大后的信号完整输出,开启信号后续应用的旅程。
五、运算放大器放大电路工作原理解析
运算放大器(以下简称运放),以高增益、高输入阻抗特性著称,其放大电路工作原理独特:
输入信号精准注入运放非反相输入端(标号“+”),该输入端好似一个信号接收“入口”,引导外部信号进入运放内部复杂处理网络。
运放内置的差动放大器,对输入信号进行深度放大处理,差动结构赋予其卓越的共模抑制能力,能精准提取差模信号并放大,即便面对微弱信号,也能将其“放大”至显著幅度。
放大后的信号经运放反馈机制巧妙回输至反相输入端(标号“-”),形成负反馈闭环控制系统。这一反馈机制宛如一位精准的“平衡调节师”,实时对比输出与输入信号差异,微调输出信号,使运放输出与输入信号偏差趋近于零,确保放大倍数稳定,输出电压在设定范围内线性变化,为精密信号处理、instrumentation测量等提供高精度信号放大保障。
六、放大电路中的反馈机制深度解读
反馈机制恰似放大电路的“智能调控大脑”,从电路输出端抽取部分电压或电流,反向输送至输入端,依据对输入信号的影响,可细分为正、负反馈两类:
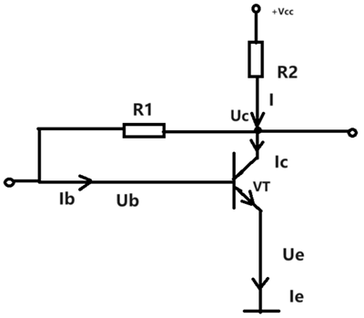
负反馈机制:当反馈信号反输至输入端,削弱原始输入信号,致使输入端电压或电流幅度降低时,便形成负反馈。以电压负反馈放大电路为例,当环境温度攀升,晶体管集电极电流Ic增大,流经电阻R2的总电流随之上升,致使R2上电压UR2升高。由于R2一端连接固定电压VCC,Uc点电压应声下降。此时,发射极接地电压维持零值,晶体管基极-发射极导通电压恒定为0.7V,Ub保持0.7V不变。Uc的降低带动UR1减小,进而致使基极电流Ib减少,Ib的减少又牵引起Ic的回落。这一连贯的动态过程,完整演绎了负反馈的闭环调控:Ic增大-UR2增大-Uc减小-UR1减小-Ib减小-Ic减小,电阻R1在此过程中充当负反馈关键角色,引入负反馈后,有效抑制了温度等外部干扰因素对电路静态工作点的冲击,稳定放大电路的性能表现。


正反馈机制:若反馈信号反送至输入端,与原始输入信号同向叠加,增强输入端电压或电流,则构成正反馈。正反馈多运用于信号振荡生成、非线性信号处理等特殊场景,如石英晶体振荡电路,利用正反馈原理激发持续稳定的振荡信号,为时钟电路、通信系统提供精准时钟源,但使用不当易引发电路自激振荡,致使信号失真,需谨慎设计与应用。
在实际电路布局中,电压负反馈放大电路形式多样,除上述经典结构外,发射极接入电阻的电路同样广泛应用。此类电路反馈机制为:当Ic增大,依据Ie=Ib+Ic,Ie相应增大,促使UR3升高。因R3一端接地,电压为0V,发射极电压Ue随之上升。鉴于发射极与基极电压差恒定0.7V,基极电压Ub亦随之升高。而R2一端电压固定,UR2则减小,导致Ib下降,Ib的下降又致使Ic减少,形成闭合负反馈回路,电阻R3成为负反馈关键元件。此类负反馈电路与前文提及电路共享一个设计精髓——干路电阻一端电压维持定值,这一设计巧思为负反馈机制的稳定运行提供基石。


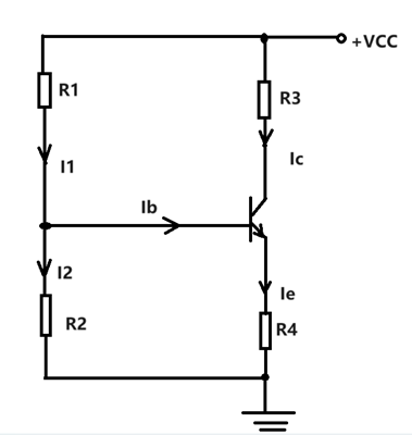
七、分压式偏置放大电路全面剖析
分压式偏置放大电路集诸多优势于一身,在放大电路家族中脱颖而出:
优势呈现:相比固定偏置放大电路,分压式偏置电路能有效克服静态工作点不稳定难题,且在性能表现上远超电压负反馈放大电路,因此成为当下应用最为广泛的放大电路类型,无论是在消费电子、工业控制还是通信设备等众多领域,均有其忙碌的身影。
工作原理详述:电路中,I1=I2+Ib。鉴于集电极电流Ic远大于基极电流Ib,可近似认为Ic≈Ie,依据欧姆定律,Ie=UR4/R4。同时,晶体管基极-发射极电压差恒定为0.7V,即Ub-Ue=0.7V,推导得Ue=0.7V+Ub。经合理配置R1和R2的阻值,确保I2>Ib,使I1≈I2,此时Ib小到可忽略不计,VCC在R1、R2之间实现分压,Ub=[R1/(R1+R2)]×VCC。又因电阻R4一端接地,UR4即为Ue。综合上述公式,可得Ic≈Ie=(Ub+0.7V)/R4,由此可知,在R1、R2、R4阻值既定的情况下,Ic基本保持恒定,为放大电路的稳定运行奠定坚实基础。
局限性剖析:然而,该电路并非十全十美,存在一定的局限性。偏置电阻R1、R2的选值面临两难困境,阻值过大,将导致电路输入阻抗降低,影响前级电路负载效应;阻值过小,则分压作用弱化,无法为晶体管提供合适偏置电压,同时,即使精准选配电阻阻值,电路自身仍会产生较大功耗,尤其在处理低频信号、长时间持续工作场景下,这一问题愈发凸显,一定程度上制约了电路的能效表现与广泛应用。

〈烜芯微/XXW〉专业制造二极管,三极管,MOS管,桥堆等,20年,工厂直销省20%,上万家电路电器生产企业选用,专业的工程师帮您稳定好每一批产品,如果您有遇到什么需要帮助解决的,可以直接联系下方的联系号码或加QQ/微信,由我们的销售经理给您精准的报价以及产品介绍

〈烜芯微/XXW〉专业制造二极管,三极管,MOS管,桥堆等,20年,工厂直销省20%,上万家电路电器生产企业选用,专业的工程师帮您稳定好每一批产品,如果您有遇到什么需要帮助解决的,可以直接联系下方的联系号码或加QQ/微信,由我们的销售经理给您精准的报价以及产品介绍
联系号码:18923864027(同微信)
QQ:709211280