限幅器宛如一位精确的裁剪师,对交流信号进行着精细的修剪。其核心要义在于将电压严格限定在预设的范围内,剔除交流信号中超出设定幅度的部分,而这一过程绝非简单粗暴的切割,而是巧妙地在不影响波形剩余部分完整性的前提下完成。

从结构上看,限幅电路通常以二极管作为基础构建单元。二极管的单向导电性使其成为限幅电路的理想选择。通过巧妙地将二极管与独立电压源E串联,形成一个功能强大的模块单元,凭借二极管正向导通时管压降稳定在约0.7V的特性,该模块单元可与信号源灵活地并联或串联,实现对不需要波形部分的精准去除。当??榈ピ械亩苡氲缪乖碋采用不同的连接方向时,即可衍生出丰富多样的限幅效果。
一、限幅电路的分类与原理
常见的限幅电路依据功能可分为上限限幅电路、下限限幅电路以及双向限幅电路三类。而从二极管与负载的连接关系角度审视,限幅电路又可划分为串联型与并联型两种基本形式。
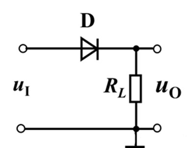
以简单的串联型限幅电路为例,其工作原理(基于理想二极管假设)如下:


首先,选取接地点作为参考电位点,并假定二极管处于截止状态。此时,计算二极管的管压降:二极管阳极电位VD+=uI,阴极电位VD-=0V,由此得出二极管的管压降UD=VD+-VD-=uI。
接下来,分析二极管的工作状态以确定输出电压。当输入电压uI>0时,UD>0,二极管D导通,此时输出电压uO=uI;而当uI<0时,UD<0,二极管D截止,输出电压uO=0。


二、限幅器在现代电子系统中的关键作用
限幅器在现代电子系统中扮演着关键角色,尤其在信号处理与通信领域,其重要性不言而喻。在复杂的信号传输过程中,信号的幅度可能会因各种干扰因素而超出正常范围,这不仅可能导致后续电路的过载,影响信号质量,甚至可能损坏敏感的电子元件。限幅器通过有效地限制信号幅度,确保信号在安全且可控的范围内传输,从而保障了整个系统的稳定运行。
其典型应用场景包括音频信号处理系统。在音频设备中,过大的音频信号可能导致喇叭损坏或产生失真。通过使用限幅器,可以将音频信号的幅度限制在喇叭能够承受的范围内,既?;ち艘羝瞪璞福直Vち艘糁实那逦胛榷?。在通信系统中,限幅器更是不可或缺。例如,在无线通信的接收端,接收到的信号强度会因距离、障碍物等因素而大幅波动。限幅器能够对这些波动的信号进行幅度限制,使进入后续处理电路的信号保持在一个相对稳定的幅度范围内,提高了信号处理的准确性和可靠性。
从更深层次的系统设计角度来看,限幅器的引入为电路设计者提供了灵活的信号调控手段。在设计复杂的电子系统时,设计者可以通过合理配置限幅器的参数,如限幅电平、响应速度等,来满足系统对信号质量和稳定性的要求。同时,限幅器与其他电路元件(如滤波器、放大器等)的协同工作,能够实现对信号的全方位处理,优化系统的整体性能。在高速数字电路中,信号的完整性至关重要。限幅器可以与滤波器配合使用,滤除信号中的高频噪声成分,同时限制信号的幅度波动,从而提高数字信号的传输质量,减少误码率。
〈烜芯微/XXW〉专业制造二极管,三极管,MOS管,桥堆等,20年,工厂直销省20%,上万家电路电器生产企业选用,专业的工程师帮您稳定好每一批产品,如果您有遇到什么需要帮助解决的,可以直接联系下方的联系号码或加QQ/微信,由我们的销售经理给您精准的报价以及产品介绍
联系号码:18923864027(同微信)
QQ:709211280