电感三点式与电容三点式振荡电路,原理解析
电感三点式振荡电路
电感三点式振荡电路
电感三点式振荡电路如图所示。观察该电路可以发现,晶体管的发射极与其他两个电极之间连接的是电感,而基极与发射极之间连接的是电感,与集电极之间连接的是电容,满足射同基反的相位条件。直流通路正常,在幅度条件满足的情况下可以进行正弦波振荡。


在分析电感三点式振荡电路的相位条件时,只需关注选频网络的2端是否直接或者通过一电阻与发射极相连,1和3端是否直接或者通过一电阻与基极和集电极相连。这与电容三点式的振荡电路判别方法相同。
三点式振荡电路是正弦波发生电路的一种,与所有的正弦波振荡电路一样要遵守正弦振荡的条件。这里将相位条件变换为便于接受的形式。射同基反是在长期教学中发现的规律,用它来分析三点式振荡电路能否振荡可以回避电路的组态,对学生来说判断是否满足射同基反要比判断是否满足相位条件简单得多。
电容三点式振荡电路


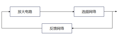
高频信号发生器电路
高频信号发生器主要产生高频正弦振荡波,其关键部分是正弦波振荡器,一般由晶体管等有源器件和具有某种选频能力的无源网络组成的一个反馈系统。放大电路为产生静态工作电流与三极管构成的电路,对振荡器工作的稳定性和波形具有很大影响。选频网络为LC谐振回路构成的振荡电路。
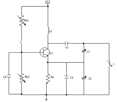
电容三点式振荡电路原理图


电容三点式振荡电路原理图如图所示。该电路与发射极相连的两个电抗元件为同性质的容抗元件C1和C2,与基极和集电极相接的为异性质的电抗元件L,满足相位条件,因此属于电容三点式振荡电路。
电容三点式振荡电路原理
电容三点式振荡电路的优点包括输出波形接近正弦波,频率稳定度较高,工作频率范围较大。然而,其缺点在于当通过调节C1、C2改变振荡回路工作频率时,反馈系数同时改变,导致振荡器的频率稳定度不高。
工作过程
振荡器接通电源后,电流从无到有变化,产生脉冲信号。在脉冲信号中包含许多不同频率的谐波。此时,LC谐振回路起到选频作用,当LC谐振回路与某一谐波频率相等时,电路产生谐振。通过电路的正反馈,振荡幅度不断增大,晶体管进入非线性区,此时放大器放大倍数减小,最终达到平衡,振荡幅度不再变化。
通过以上对电感三点式和电容三点式振荡电路的分析,可以更好地理解其工作原理和特点,为实际电路设计和应用提供理论基础。
〈烜芯微/XXW〉专业制造二极管,三极管,MOS管,桥堆等,20年,工厂直销省20%,上万家电路电器生产企业选用,专业的工程师帮您稳定好每一批产品,如果您有遇到什么需要帮助解决的,可以直接联系下方的联系号码或加QQ/微信,由我们的销售经理给您精准的报价以及产品介绍
〈烜芯微/XXW〉专业制造二极管,三极管,MOS管,桥堆等,20年,工厂直销省20%,上万家电路电器生产企业选用,专业的工程师帮您稳定好每一批产品,如果您有遇到什么需要帮助解决的,可以直接联系下方的联系号码或加QQ/微信,由我们的销售经理给您精准的报价以及产品介绍
联系号码:18923864027(同微信)
QQ:709211280