大功率变压器的深度剖析
在现代电力转换与传输系统中,大功率变压器扮演着至关重要的角色。它是一种用于交流电源变换的复杂装置,主要由一个或多个整流器、滤波器以及大功率开关器件构成。在直流供电系统中,负责将交流电转换为直流电的装置被称为整流器,而将直流电转换为交流电的装置则被定义为滤波器。除上述核心组成部分外,大功率变压器的内部结构还包含?;さ缏?、驱动控制电路以及散热等辅助部分,这些部分协同工作,确保变压器的稳定运行与高效性能。
变压器的工作原理
变压器的工作原理涉及到电磁感应现象与自激振荡现象的相互作用。当线圈中的磁通量发生变化时,会在导体回路中产生感应电动势,这一现象即为电磁感应。与此同时,变化的磁场与外部变化磁场相互作用所产生的电流现象被称为自激振荡。因此,变压器可以被视为由这两个相互关联的物理量构成的一个闭合回路系统,其通过电磁感应和自激振荡实现电能的传输与转换。
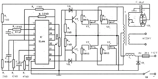
500W 大功率变压器电路
下图为 500W 大功率变压器的电路原理图。该电路采用 TL494 作为振荡器,VT1 至 VT6 作为激励级,共同构成了输出功率为 500W 的大功率逆变电路。


在该逆变器中,TL494 的应用方法如下:
TL494 的 1 脚和 2 脚共同构成稳压取样与误差放大电路。逆变器次级绕组整流输出的 15V 直流电压作为取样电压,经 R1 和 R3 分压后,确保在逆变器正常工作状态下,1 脚的取样电压维持在约 4.7V 至 5.6V 之间。2 脚则输入由 14 脚提供的 5V 基准电压。当输出电压出现下降时,1 脚的电压也随之降低,误差放大器随之输出低电平信号,经 TL494 内部电路处理后,促使输出电压升高,从而实现稳压控制功能。
300W 电子变压器电路及大功率电子变压器电路




经过大量实验验证,这种电子变压器展现出了极快的电流反应速度,已显著超越普通工频变压器。因此,该电路完全具备替代功放电源的能力。此外,电子变压器的 AC/DC 部分具备过电流限制?;すδ?,使其特别适用于电动自行车电瓶的充电场景。如果将多个 AC/DC ??椴⒘?,还可以构建出大功率的充电机,以满足更高功率的充电需求。
〈烜芯微/XXW〉专业制造二极管,三极管,MOS管,桥堆等,20年,工厂直销省20%,上万家电路电器生产企业选用,专业的工程师帮您稳定好每一批产品,如果您有遇到什么需要帮助解决的,可以直接联系下方的联系号码或加QQ/微信,由我们的销售经理给您精准的报价以及产品介绍
联系号码:18923864027(同微信)
QQ:709211280