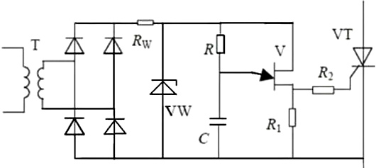
单结晶体管触发电路原理图

一、电路组成
同步降压变压器 T :将 220V 交流电降至适宜电压,且保证输出电压相位与市电一致,为后续电路提供同步交流电源。
桥式整流电路 :把降压后的交流电转换为脉动直流电,为后续稳压及振荡电路提供直流输入。
稳压二极管 Vw 及限流电阻 Rw :对脉动直流电进行削波处理,削去波形峰值,将其转化为梯形波,使波形更平缓,为单结晶体管提供稳定的供电波形。
限流电阻 R :与电容器 C、单结晶体管等组成关键的弛张振荡电路。R 的阻值大小决定了电容器 C 的充电速度,进而影响晶闸管的控制角和导通角,是调节晶闸管触发时刻的重要元件。
单结晶体管及相关元件 :单结晶体管与电阻 R、电容器 C、电阻 R1 共同构成弛张振荡器,产生规律的触发脉冲,为晶闸管提供精准的触发信号。


二、触发电路工作原理
同步触发机制 :单结晶体管的电源并非传统直流电源,而是经降压变压器二次侧降压、桥式整流后,再通过稳压管限幅削波,得到梯形波电源。每个梯形波结束时刻,电源电压归零,电容电压也随之为零。当下一个梯形波开始时,电容 C 从零压开始充电至峰点电压,确保每个梯形波产生的第一个脉冲所需时间相同。由于梯形波过零时刻与晶闸管电压过零时刻一致,第一个触发脉冲的控制角相同,从而实现晶闸管在每个半波内的导通角相同,达到同步触发效果。
脉冲作用 :在每个梯形波期间,振荡器虽会产生多个脉冲,但晶闸管仅在接收到第一个脉冲时触发导通,后续脉冲不再起作用。
控制调节 :通过改变电位器 Rp 的阻值,调节电容充电速度,控制每个梯形波第一个脉冲出现时刻,进而调节整流电压。单结晶体管产生的脉冲同时触发两个晶闸管的门极,在每个半波时,一个晶闸管正偏触发导通,另一个晶闸管反偏虽触发但无法导通。


三、改进的电压控制方式
采用晶体管替代可调电阻 Rp,实现电压控制。其中,V2(PNP 型)晶体管利用其等效电阻代替电位器 Rp,V1(NPN 型)晶体管作为直接耦合放大器??刂菩藕?ui 由三极管基极输入,当 ui 增大时,V1 管集电极电流和 V2 管基极电流增大,V2 管的等效电阻减小,电容充电加快,触发脉冲提前发出,控制角减小,整流输出电压升高。这种改进方式将手控调节转换为电压控制,提升了电路的自动化水平和调节精度。
四、电路应用
该单结晶体管触发电路广泛应用于可控整流电路中,通过精准控制晶闸管的导通时刻,实现对输出电压的有效调节。在工业生产、电力电子设备等领域,为各种需要精确电压调节的负载提供稳定可靠的电力支持,满足不同设备的运行需求。
〈烜芯微/XXW〉专业制造二极管,三极管,MOS管,桥堆等,20年,工厂直销省20%,上万家电路电器生产企业选用,专业的工程师帮您稳定好每一批产品,如果您有遇到什么需要帮助解决的,可以直接联系下方的联系号码或加QQ/微信,由我们的销售经理给您精准的报价以及产品介绍
联系号码:18923864027(同微信)
QQ:709211280