电压跟随器:高输入阻抗的缓冲解决方案
在电子电路设计中,电压跟随器(亦称缓冲放大器、单位增益放大器或隔离放大器)是一种特殊的运算放大器电路配置。其核心特性在于输出电压精准地等同于输入电压,即实现对输入信号的 “跟随” 效应,且电压增益被设定为 1。
电路特性与工作原理
电压跟随器并不对输入信号进行传统意义上的放大处理。正因如此,它的输出电压能够紧密跟随输入电压的变化,两者始终保持一致。例如,当输入电压为 10V 时,输出电压同样维持在 10V。这一特性使得电压跟随器在电路中主要扮演缓冲器的角色,为信号提供阻抗转换功能而不改变其电压幅度。


基于欧姆定律,

当电阻值增大时,从电源汲取的电流会相应减少。由此可推断,当电流馈入高阻抗负载时,功率传输效率得以提升,电源所受干扰得以降低。以下通过对比两种典型电路情况,深入理解电压跟随器的工作优势。

当电阻值增大时,从电源汲取的电流会相应减少。由此可推断,当电流馈入高阻抗负载时,功率传输效率得以提升,电源所受干扰得以降低。以下通过对比两种典型电路情况,深入理解电压跟随器的工作优势。
首先,观察一个低阻抗负载电路。由于负载阻抗较低,依据欧姆定律,该负载会消耗大量电流,导致电源需要输出较高功率,进而可能引发电源内部的高干扰。这种情况下,电源的供电效率和稳定性会受到一定影响。


低阻抗负载电路示意图
接下来,将电压跟随器引入相同的功率传输场景。得益于其极高输入阻抗的特性,电压跟随器在工作过程中仅消耗极少量的电流。由于电路设计中未引入反馈电阻,其输出电压与输入电压保持一致。这种高输入阻抗、单位增益的特性,使得电压跟随器能够在有效隔离前后级电路的同时,将信号完整地传输至后续负载。


电压跟随器电路图示例
基于运算放大器 741 的电路实现
电路连接与工作细节
在采用运算放大器 741 构建的电压跟随器电路中,输入信号被施加于 IC 的非反相引脚,反相引脚(引脚 2)则通过与输出引脚(引脚 6)相连实现负反馈。偏置引脚(引脚 7 和引脚 4)连接至电源,输出端连接负载电阻。运算放大器 IC 741 具备较高的输入阻抗,这一特性使其从输入源汲取的电流极低,从而能够向负载提供相对较高的输出电流,实现高效的信号缓冲与传输。
使用运算放大器 741 的电压跟随器电路图一


简化电路设计与应用优势
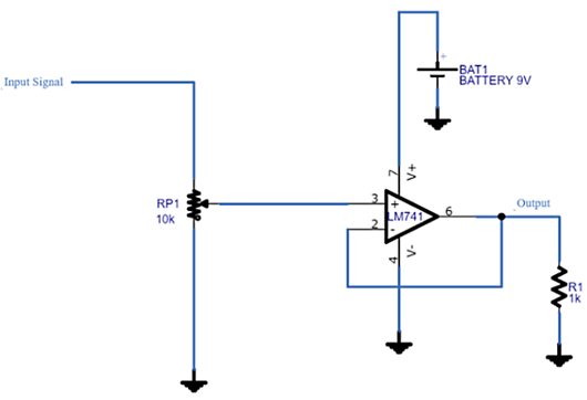
另一种采用运算放大器 LM741 的电压跟随器电路设计同样简洁高效。该电路主要由放大器 IC LM741、10K 可变电阻、通用 1K 欧姆电阻、电源以及输入信号源构成。输入信号连接至 IC 的非反相端子,反相端子与输出端耦合形成负反馈回路。借助可变电阻,可在 0 - 9V DC 范围内灵活调节输入电压,凭借电路的单位电压增益特性,实现对信号的精准传输与缓冲?;?。
使用运算放大器 741 的电压跟随器电路图二


这种电路设计的优势在于硬件需求简单,易于搭建与调试,同时能够充分利用 LM741 运算放大器的高性能特性,为各种电子系统中的信号传输与阻抗匹配问题提供可靠的解决方案。
在实际应用中,电压跟随器凭借其高输入阻抗、低输出阻抗以及单位增益的特性,被广泛应用于信号缓冲、阻抗匹配以及电路隔离等场景,对于提升电子系统的整体性能和稳定性具有重要意义。
〈烜芯微/XXW〉专业制造二极管,三极管,MOS管,桥堆等,20年,工厂直销省20%,上万家电路电器生产企业选用,专业的工程师帮您稳定好每一批产品,如果您有遇到什么需要帮助解决的,可以直接联系下方的联系号码或加QQ/微信,由我们的销售经理给您精准的报价以及产品介绍
联系号码:18923864027(同微信)
QQ:709211280