反激开关电源环路设计优化方案
在开关电源设计领域,AC-DC 环路布局对电源系统的性能有着决定性影响,其合理性直接关联到电源的效率、电磁兼容性以及稳定性和可靠性。以下将分别从隔离电源方案与非隔离电源方案两个角度,详细阐述反激开关电源环路设计的关键要点。
一、隔离电源方案
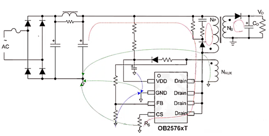
以常见的反激式原边控制电源为例,其典型应用原理图包含 4 个主要环路:
原边主功率环路(Loop1) :此环路的面积大小对电源的效率和电磁干扰水平有着显著影响。在设计布局时,应尽可能缩小环路面积,同时将走线加粗,以降低线路电阻,减少能量损耗,从而优化电源的转换效率。
RCD 吸收环路(Loop2) :同样需要控制环路面积,避免过大的环路引发电磁干扰等问题,确保电路的稳定运行。
VDD 环路(Loop3) :在该环路中,VDD 电容 C3 的布局位置至关重要,必须紧贴芯片放置,以减少引线电感和电阻,保障芯片供电的稳定性,进而提升整个电源系统的可靠性。
Vout 环路(Loop4) :其设计也应遵循环路面积最小化原则,以降低电磁干扰,维持输出电压的稳定性。


在 GND 走线设计方面,辅助绕组应直接连接到输入电容的地,以减少地回路的阻抗,降低干扰。VDD 电容 C3 及 FB 下阻 R5 应先连接到芯片的 GND 管脚,再连接到输入电容的地,这样的布局方式有助于优化电路的接地性能,提高信号的稳定性和准确性。
以 OB2576XT 为例,其原理图及布局设计建议如下:




二、非隔离电源方案
非隔离方案的典型应用原理图中有两个关键环路:
源开关环路(Loop1) :在 Layout 时,要严格控制环路面积,使其尽可能小,以降低电磁干扰的产生。同时,在满足环路面积要求的前提下,功率电感 L3 应尽量远离母线上的 π 滤波电路,避免相互干扰,影响电源的性能。
续流环路(Loop2) :同样遵循环路面积最小化原则,以提高电源的效率和稳定性。


此外,反馈电阻 R4 和 R3 应靠近芯片引脚放置,以减少信号传输的损耗和干扰,提高反馈信号的准确性。芯片的旁路电容也应靠近芯片引脚放置,以提供稳定的电源供应,抑制高频噪声,保障芯片的正常工作。
在该转换电路中,LX(Drain)作为主电源的 DC 定点,可在电流主回路走线上增加敷铜面积,以改善电源的散热性能,提升其工作效率和可靠性。ISET(SOURSE)是电源的开关动点,应尽量缩短 SOURCE 和功率电感间的线径,从而有效改善 EMI 特性,降低电磁干扰对系统的影响。

〈烜芯微/XXW〉专业制造二极管,三极管,MOS管,桥堆等,20年,工厂直销省20%,上万家电路电器生产企业选用,专业的工程师帮您稳定好每一批产品,如果您有遇到什么需要帮助解决的,可以直接联系下方的联系号码或加QQ/微信,由我们的销售经理给您精准的报价以及产品介绍
联系号码:18923864027(同微信)
QQ:709211280