反激开关电源是指使用反激高频变压器隔离输入输出回路的开关电源。
什么是反激开关电源
“反激”指的是在开关管接通的情况下,当输入为高电平时输出线路中串联的电感为放电状态;相反,在开关管断开的情况下,当输入为高电平时输出线路中的串联的电感为充电状态。与之相对的是“正激”式开关电源,当输入为高电平时输出线路中串联的电感为充电状态,相反当输入为高电平时输出线路中的串联的电感为放电状态,以此驱动负载。
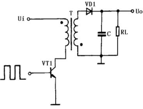
反激开关电源工作原理
单端反激开关电源采用的是稳定性很好的双环路反馈的控制系统,所以它可以通过开关电源的 PWM 迅速调整脉冲占空比,从而在每一个周期内对前一个周期的输出电压和低级线圈充磁峰值电流进行有效调节,达到稳定输出电压的目的。这种反馈控制电路的最大特点是:在输进电压和负载电流变化较大时,具有更快的动态响应速度,自动限制负载电流,补偿电路简单。

反激开关电源作用
反激式变压器开关电源的优点是电路比较简单,正反激式变压器开关电源少用一个大储能滤波电感,以及一个续流二极管,因此,反激式变压器开关电源的体积要比正激式变压器开关电源的体积小,且成本也要降低。此外,反激式变压器开关电源输出电压受占空比的调制幅度,相对于正激式变压器开关电源来说要高很多,因此,反激式变压器开关电源要求调控占空比的误差信号幅度比较低,误差信号放大器的增益和动态范围也比较小。由于这些优点,反激式变压器开关电源在家电领域中还是被广泛使用。
烜芯微专业制造二极管,三极管,MOS管,桥堆等20年,工厂直销省20%,4000家电路电器生产企业选用,专业的工程师帮您稳定好每一批产品,如果您有遇到什么需要帮助解决的,可以点击右边的工程师,或者点击销售经理给您精准的报价以及产品介绍
烜芯微专业制造二极管,三极管,MOS管,桥堆等20年,工厂直销省20%,4000家电路电器生产企业选用,专业的工程师帮您稳定好每一批产品,如果您有遇到什么需要帮助解决的,可以点击右边的工程师,或者点击销售经理给您精准的报价以及产品介绍