传真:
18923864027
QQ:
709211280
地址:
深圳市福田区振中路84号爱华科研楼7层
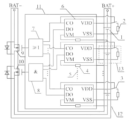
锂电池保护板均衡原理成组锂电池串联充电时,应保证每节电池均衡充电,否则使用过程中会影响整组电池的性能和寿命。常用的均衡充电技术有恒
场效应管电路图符号识图场效应管英文缩写:FET(Field-effect transistor),简称为场效应管,是一种高输入阻抗的电压控制型半导体。场效应
1、75N75产品描述75N75是N沟道增强型功率场状态特性稳定、快速的效应晶体管开关速度,低热阻,常用于电信和计算机应用。2、75N75产品特征RD
场效应管应用电路MOSFET广泛使用在模拟电路与数字电路中,和我们的生活密不可分。MOSFET的优势在于:首先驱动场效应管应用电路电路比较简单
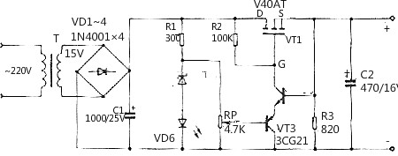
场效管直流稳压电路图V-MOS功率场效应管作调整管的稳压电源。直流输出电压可在1 25V~12V连续可调,输出电流为50mA(须装10平方厘米散热器)
场效应管的三个极场效应管的三个极相当于三级管的三个电极,G是控制极,相当于三级管的B极,电压控制DS的导通率(三极管是电流控制型,B极
TO-220mos引脚顺序TO-220封装是一种快恢复二极管常采用的一种直插式的封装形式。其中,TO英文是 Transistor Outline的缩写。通常,TO-220
P沟MOS管工作原理金属氧化物半导体场效应(MOS)晶体管可分为N沟道与P沟道两大类,P沟道硅MOS场效应晶体管在N型硅衬底上有两个P+区,分别叫做
什么是场效应管场效应晶体管(Field Effect Transistor缩写(FET))简称场效应管。一般的晶体管是由两种极性的载流子,即多数载流子和反极
MOS管开关驱动电路图在使用MOS管设计开关电源或者马达驱动电路的时候,大部分人都会考虑MOS的导通电阻,最大电压等,最大电流等,也有很多
逆变器是把直流电能(电池、蓄电瓶)转变成交流电(一般为220v50HZ正弦或方波)。通俗的讲,逆变器是一种将直流电(DC)转化为交流电(AC)
MOS管参数解读1、电压规格(VDSS)俗称耐压,至少应该为主绕组的3倍,需求留意的是,主绕组的电压指的是图2 6中的N2或者N3,而不是二者相加。