简单地说,逆变器就是一种将低压(12或24伏或48伏)直流电转变为220伏交流电的电子设备。因为我们通常是将220伏交流电整流变成直流电来使用,而逆变器的作用与此相反,因此而得名。我们处在一个“移动”的时代,移动办公,移动通讯,移动休闲和娱乐。在移动的状态中,人们不但需要由电池或电瓶供给的低压直流电,同时更需要我们在日?;肪持胁豢苫蛉钡?20伏交流电,逆变器就可以满足我们的这种需求。


场管自激逆变器电路图文详解


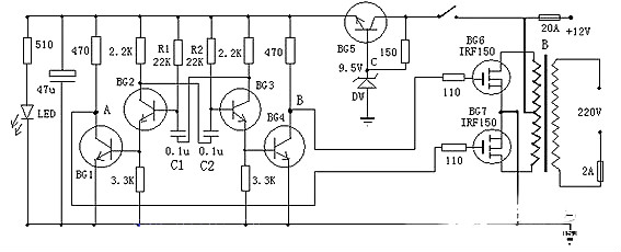
晶体管逆变器电路图
这是一款非常容易制作的逆变器,可以将12V电源电压变为220V市电,电路由BG2和BG3组成的多谐振荡器推动,再通过BG1和BG2驱动,来控制BG6和BG7工作。
其中振荡电路由BG5与DW组的稳压电源供电,这样可以使输出频率比较稳定。
在制作时,变压器可选有常用双12V输出的市电变压器??筛菪枰?,选择12V蓄电池的容量。
烜芯微专业制造二三极管,MOS管,20年,工厂直销省20%,1500家电路电器生产企业选用,专业的工程师帮您稳定好每一批产品,如果您有遇到什么需要帮助解决的,可以点击右边的工程师,或者点击销售经理给您精准的报价以及产品介绍
烜芯微专业制造二三极管,MOS管,20年,工厂直销省20%,1500家电路电器生产企业选用,专业的工程师帮您稳定好每一批产品,如果您有遇到什么需要帮助解决的,可以点击右边的工程师,或者点击销售经理给您精准的报价以及产品介绍