MOSFET广泛使用在模拟电路与数字电路中,和我们的生活密不可分。MOSFET的优势在于:首先驱动场效应管应用电路电路比较简单。MOSFET需要的驱动电流比 BJT则小得多,而且通??梢灾苯佑蒀MOS或者集电极开路TTL驱动电路驱动;其次MOSFET的开关速度比较迅速,能够以较高的速度工作,因为没有电荷存储效应;另外MOSFET没有二次击穿失效机理,它在温度越高时往往耐力越强,而且发生热击穿的可能性越低,还可以在较宽的温度范围内提供较好的性 能。MOSFET已经得到了大量应用,在消费电子、工业产品、机电设备、智能手机以及其他便携式数码电子产品中随处可见。
近年来,随着汽车、通信、能源、消费、绿色工业等大量应用MOSFET产品的行业在近几年来得到了快速的发展,功率MOSFET更是备受关注。据预测,2010-2015年中国功率MOSFET市场的总体复合年度增长率将达到13.7%。虽然市场研究公司 iSuppli 表示由于宏观的投资和经济政策和日本地震带来的晶圆与原材料供应问题,今年的功率MOSFET市场会放缓,但消费电子和数据处理的需求依然旺盛,因此长期来看,功率MOSFET的增长还是会持续一段相当长的时间。
技术一直在进步,功率MOSFET市场逐渐受到了新技术的挑战。例如,业内有不少公司已经开始研发GaN功率器件,并且断言硅功率MOSFET的性能可提 升的空间已经非常有限。不过,GaN 对功率MOSFET市场的挑战还处于非常初期的阶段,MOSFET在技术成熟度、供应量等方面仍然占据明显的优势,经过三十多年的发展,MOSFET市场 也不会轻易被新技术迅速替代。
五年甚至更长的时间内,MOSFET仍会占据主导的位置。MOSFET也仍将是众多刚入行的工程师都会接触到的器件,本期半月谈将会从基础开始,探讨MOSFET的一些基础知识,包括选型、关键参数的介绍、系统和散热的考虑等等;
MOSFET的选型基础
MOSFET有两大类型:N沟道和P沟道。在功率系统中,MOSFET可被看成电气开关。当在N沟道MOSFET的栅极和源极间加上正电压时,其开关导 通。导通时,电流可经开关从漏极流向源极。漏极和源极之间存在一个内阻,称为导通电阻RDS(ON)。必须清楚MOSFET的栅极是个高阻抗端,因此,总 是要在栅极加上一个电压。如果栅极为悬空,器件将不能按设计意图工作,并可能在不恰当的时刻导通或关闭,导致系统产生潜在的功率损耗。当源极和栅极间的电 压为零时,开关关闭,而电流停止通过器件。虽然这时器件已经关闭,但仍然有微小电流存在,这称之为漏电流,即IDSS。
作为电气系统中的基本部件,工程师如何根据参数做出正确选择呢?本文将讨论如何通过四步来选择正确的MOSFET。
1)沟道的选择
为设计选择正确器件的第一步是决定采用N沟道还是P沟道MOSFET.在典型的功率场效应管应用电路应用中,当一个MOSFET接地,而负载连接到干线电 压上时,该MOSFET就构成了低压侧开关。在低压侧开关中,应采用N沟道MOSFET,这是出于对关闭或导通器件所需电压的考虑。当MOSFET连接到 总线及负载接地时,就要用高压侧开关。通?;嵩谡飧鐾仄酥胁捎肞沟道MOSFET,这也是出于对电压驱动的考虑。
2)电压和电流的选择
额定电压越大,器件的成本就越高。根据实践经验,额定电压应当大于干线电压或总线电压。这样才能提供足够的?;?,使MOSFET不 会失效。就选择MOSFET而言,必须确定漏极至源极间可能承受的最大电压,即最大VDS.设计工程师需要考虑的其他安全因素包括由开关电子设备(如电机 或变压器)诱发的电压瞬变。不同应用的额定电压也有所不同;通常,便携式设备为20V、FPGA电源为20~30V、85~220VAC应用为450~600V。
在连续导通模式下,MOSFET处于稳态,此时电流连续通过器件。脉冲尖峰是指有大量电涌(或尖峰电流)流过器件。一旦确定了这些条件下的最大电流,只需直接选择能承受这个最大电流的器件便可。
3)计算导通损耗
MOSFET器件的功率耗损可由Iload2×RDS(ON)计算,由于导通电阻随温度变化,因此功率耗损也会随之按比例变化。对便携 式设计来说,采用较低的电压比较容易(较为普遍),而对于工业设计,可采用较高的电压。注意RDS(ON)电阻会随着电流轻微上升。关于RDS(ON)电 阻的各种电气参数变化可在制造商提供的技术资料表中查到。
4)计算系统的散热要求
设计人员必须考虑两种不同的情况,即最坏情况和真实情况。建议采用针对最坏情况的计算结果,因为这个结果提供更大的安全余量,能 确保系统不会失效。在MOSFET的资料表上还有一些需要注意的测量数据;比如封装器件的半导体结与环境之间的热阻,以及最大的结温。
开关损耗其实也是一个很重要的指标。从下图可以看到,导通瞬间的电压电流乘积相当大。一定程度上决定了器件的开关性能。不过,如果系统对开关性能要求比较高,可以选择栅极电荷QG比较小的功率MOSFET。


场效应管应用案例解析
1. 开关电源应用
从定义上而言,这种场效应管应用电路应用需要MOSFET定期导通和关断。同时,有数十种拓扑可用于开关电源,这里考虑一个简单的例子。DC-DC电源中常用的基本降压转换器依靠两个MOSFET来执行开关功能(下图),这些开关交替在电感里存储能量,然后把能量开释给负载。目前,设计职员经常选择数百kHz乃至1 MHz以上的频率,由于频率越高,磁性元件可以更小更轻??氐缭粗械诙匾腗OSFET参数包括输出电容、阈值电压、栅极阻抗和雪崩能量。


2.马达控制应用
马达控制应用是功率MOSFET大有用武之地的另一个应用领域。典型的半桥式控制场效应管应用电路电路采用2个MOSFET (全桥式则采用4个),但这两个MOSFET的关断时间(死区时间)相等。对于这类应用,反向恢复时间(trr)非常重要。在控制电感式负载(比如马达绕组)时,控制电路把桥式电路中的MOSFET切换到关断状态,此时桥式电路中的另一个开关经过MOSFET中的体二极管临时反向传导电流。于是,电流重新循环,继续为马达供电。当第一个MOSFET再次导通时,另一个MOSFET二极管中存储的电荷必须被移除,通过第一个MOSFET放电,而这是一种能量的损耗,故trr 越短,这种损耗越小。
3.汽车应用
过去的近20年里,汽车用功率MOSFET已经得到了长足发展。选用功率MOSFET是因为其能够耐受汽车电子系统中常遇到的掉载和系统能量突变等引起的 瞬态高压现象,且其封装简单,主要采用TO220 和 TO247封装。同时,电动车窗、燃油喷射、间歇式雨刷和巡航控制等应用已逐渐成为大多数汽车的标配,在设计中需要类似的功率器件。在这期间,随着电机、 螺线管和燃油喷射器日益普及,车用功率MOSFET也不断发展壮大。
汽车设备中所用的MOSFET器件涉及广泛的电压、电流和导通电阻范围。电机控制设备桥接配置会使用30V和40V击穿电压型号;而在必须控制负载突卸和 突升启动情况的场合,会使用60V装置驱动负载;当行业标准转移至42V电池系统时,则需采用75V技术。高辅助电压的设备需要使用100V至150V型款;至于400V以上的MOSFET器件则场效应管应用电路应用于发动机驱动器机组和高亮度放电(HID)前灯的控制场效应管应用电路电路。
汽车MOSFET驱动电流的范围由2A至100A以上,导通电阻的范围为2mΩ至100mΩ。MOSFET的负载包括电机、阀门、灯、加热部件、电容性压电组件和DC/DC电源??仄德实姆段ǔN?0kHz 至100kHz,必须注意的是,电机控制不适用开关频率在20kHz以上。其它的主要需求是UIS性能,结点温度极限下(-40度至175度,有时高达200度)的工作状况,以及超越汽车使用寿命的高可靠性。
4. LED 灯具的驱动
设计LED灯具的时候经常要使用MOS管,对LED恒流驱动而言,一般使用NMOS.功率MOSFET和双极型晶体管不同,它的栅极电容比较大,在导通之前要先对该电容充电,当电容电压超过阈值电压(VGS-TH)时MOSFET才开始导通。因此,设计时必须注意栅极驱动器负载能力必须足够大,以保证在系统要求的时间内完成对等效栅极电容(CEI)的充电。
而MOSFET的开关速度和其输入电容的充放电有很大关系。使用者虽然无法降低Cin的值,但可以降低栅极驱动回路信号源内阻Rs的值,从而减小栅极回路 的充放电时间常数,加快开关速度一般IC驱动能力主要体现在这里,我们谈选择MOSFET是指外置MOSFET驱动恒流IC。内置MOSFET的IC当然 不用我们再考虑了,一般大于1A电流会考虑外置MOSFET。为了获得到更大、更灵活的LED功率能力,外置MOSFET是唯一的选择方式,IC需要合适 的驱动能力,MOSFET输入电容是关键的参数。下图Cgd和Cgs是MOSFET等效结电容。


一般IC的PWM OUT输出内部集成了限流电阻,具体数值大小同IC的峰值驱动输出能力有关,可以近似认为R=Vcc/Ipeak.一般结合IC驱动能力 Rg选择在10-20Ω左右。
一般的场效应管应用电路应用中IC的驱动可以直接驱动MOSFET,但是考虑到通常驱动走线不是直线,感量可能会更大,并且为了防止外部干扰,还是要使用Rg驱动电阻进行抑制??悸堑阶呦叻植嫉缛莸挠跋?,这个电阻要尽量靠近MOSFET的栅极。


以上讨论的是MOSFET ON状态时电阻的选择,在MOSFET OFF状态时为了保证栅极电荷快速泻放,此时阻值要尽量小。通常为了保证快速泻放,在Rg上可以并联一个二极管。当泻放电阻过小,由于走线电感的原因也会引起谐振(因此有些应用中也会在这个二极管上串一个小电阻),但是由于二极管的反向电流不导通,此时Rg又参与反向谐振回路,因此可以抑制反向谐振的尖峰。
估算导通损耗、输出的要求和结区温度的时候,就可以参考前文所指出的方法。
场效应管应用原理描述
MOSFET全称为Metal-Oxide-Semiconductor Field Effect Transistor,中文名称为金属-氧化物-半导体场效应管。随着制造工艺的成熟,MOSFET兼有体积小、重量轻、耗电省、寿命长等特点。而且MOSFET还有输入阻抗高、噪声低、热稳定性好、抗辐射能力强等优点,因而获得了广泛的应用,特别是在大规模和超大规模集成场效应管应用电路电路中占有重要的地位。
作为一种场效应管(FET),MOSFET为单极型器件,即管子只有一种载流子(电子或空穴)导电。从导电载流子的带电极性来看,MOSFET有N(电子型)沟道和P(空穴型)沟道之分;按照导电沟道形成机理不同,又有增强型(E型)和耗尽型(D型)的区别。忽略MOSFET的工作原理,不同类型的管子特性比较如表3所示。


表各种MOSFET的特性比较
由表3中可知,在MOSFET中,N沟道增强型的转移特性有正的开启电压 ,P沟道增强型则为负的;N沟道耗尽型的转移特性有负的夹断电压 ,P沟道耗尽型则为正的。MOSFET的输出特性曲线与BJT的类似,不同的是输出端口的漏极电流 由栅源极电压 控制。因此,MOSFET是一种电压控制电流的器件,输出特性的分析也不一样。
以N沟道增强型MOSFET AO3400A举例,AO3400A的输出特性如图4所示。将曲线图分为三个区域,分别为截止区、可变电阻区、饱和区(恒流区又称放大区)。
1、截止区
当 时,导电沟道尚未形成, ,为截止工作状态。
2、可变电阻区
当 时,MOSFET处于可变电阻区,此时输出电阻 受 控制。
3、饱和区
当 ,且 时,MOSFET进入饱和区。 不随 变化,而是由栅源极电压控制。


图AO3400A输出特性
二、场效应管应用方案论证
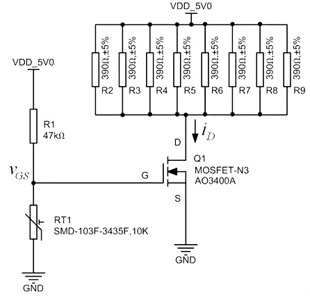
根据上述MOSFET的原理叙述,在上面提到的加热控制电路中应该采用N沟道增强型MOSFET代替原有的BJT,这里选择AO3400A,于是有如图5所示的MOSFET共源极放大电路。由于MOSFET是电压控制器件,所以提供合适的栅源极电压 ,就可以建立合适的静态工作点,使场效应管应用电路电路工作在正常状态。


图 MOSFET加热控制电路
根据N沟道增强型MOSFET AO3400A的数据手册,AO3400A的开启电压在常温25℃下为 。当环境温度下降到10℃时,场效应管应用电路电路开始工作。此时NTC型热敏电阻的阻值增大至17.958kΩ,MOSFET导通,即栅源极电压 ,在这里需要将分压电阻 的阻值调整为47kΩ。随着温度的下降,栅源极电压 增大,流过发热电阻的电流 也随着 增大。
举例说明,当环境温度下降到-20℃时,热敏电阻的阻值增大至67.801kΩ,栅源极电压增大至 。使用万用表实测得到漏源极电压 ,说明MOSFET工作在可变电阻区内;同时测得漏极电流 ,可计算得到发热电阻的功率为 ,实际发热效果可靠,场效应管应用电路电路功能实现。
场效应管应用
(1)常用于多级放大器的输入级作阻抗变换。
(2)场效应管可以用作可变电阻。
(3)应用于大规模和超大规模集成电路中。
(4)场效应管可以方便地用作恒流源。
(5)场效应管可以用作电子开关。
(6)场效应管在其输入端基本不取电流或电流极小,具有输入阻抗高、噪声低、热稳定性好、制造工艺简单等特点,在大规模和超大规模集成场效应管应用电路电路中被应用。
烜芯微专业制造二三极管,MOS管,20年,工厂直销省20%,1500家电路电器生产企业选用,专业的工程师帮您稳定好每一批产品,如果您有遇到什么需要帮助解决的,可以点击右边的工程师,或者点击销售经理给您精准的报价以及产品介绍
烜芯微专业制造二三极管,MOS管,20年,工厂直销省20%,1500家电路电器生产企业选用,专业的工程师帮您稳定好每一批产品,如果您有遇到什么需要帮助解决的,可以点击右边的工程师,或者点击销售经理给您精准的报价以及产品介绍