一、开关变压器详解
(一)开关变压器的作用与特点
开关变压器是开关电源中的核心组件,其工作频率通常在十几至几百千赫兹之间,为了适配高频脉冲状态,一般采用铁氧体磁芯。在高频电路中,开关变压器主要承担电压变换、绝缘隔离以及功率传递的重要任务。
与传统工频变压器相比,开关变压器能够在更高的频率下工作,这使得其体积更小、重量更轻,同时提高了电能转换效率。铁氧体磁芯具有高磁导率、低损耗的特点,能够在高频条件下保持良好的性能,确??乇溲蛊魑榷煽康卦诵?。
(二)开关变压器的分类
根据工作模式和输入脉冲特性,开关变压器可以分为以下几类:
反激式变压器 :反激式变压器在开关管导通时,变压器的初级线圈储能,次级线圈不输出能量;当开关管截止时,初级线圈中的能量通过次级线圈释放给负载。这种变压器结构简单,常用于小功率开关电源中。
正激式变压器 :正激式变压器在开关管导通时,变压器的初级线圈直接供电给次级线圈,次级线圈立即输出能量。正激式变压器适用于中等功率的开关电源,能够提供稳定的电压输出。
单激式变压器 :单激式变压器的输入为单极性脉冲电压,通常由直流输入电压通过控制开关的通断产生。这种变压器的结构相对简单,成本较低,适用于一些对成本敏感的应用场景。
双激式变压器 :双激式变压器的输入为双极性脉冲电压,能够在正负两个半周都传输能量,提高了变压器的利用率。双激式变压器适用于高功率密度的开关电源设计。
(三)开关变压器的工作原理
以单激式变压器开关电源为例,其等效电路将直流输入电压通过控制开关的通断作用,转换为一系列直流脉冲电压,即单极性脉冲电压,直接供给开关变压器。这种工作方式使得变压器能够在高频条件下高效地进行电压变换和功率传递。


在开关变压器电路中,当输入电压为零时,表示输入端是开路的,这是因为电源内阻可以视为无限大。这与传统电源变压器电路有所不同,在传统电路中,当输入电压为零时,输入端被视为短路,因为电源内阻可以忽略不计。
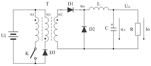
对于正激式变压器开关电源,其原理图如 [正激式变压器开关电源原理图] 所示。在该电路中,当变压器的初级线圈被直流电压激励时,次级线圈正好有功率输出。

其中,Ui 是开关电源的输入电压,T 是开关变压器,K 是控制开关,L 是储能滤波电感,C 是储能滤波电容,D2 是续流二极管,D3 是削反峰二极管,R 是负载电阻。

其中,Ui 是开关电源的输入电压,T 是开关变压器,K 是控制开关,L 是储能滤波电感,C 是储能滤波电容,D2 是续流二极管,D3 是削反峰二极管,R 是负载电阻。
二、MOS 管在开关电源中的应用
(一)MOS 管在电源管理中的关键作用
高效开关控制 :在 DC-DC 转换器(如 Buck、Boost 电路)中,MOS 管作为高频开关,能够通过快速导通和关断来调节输出电压,显著提升转换效率。其高速切换特性使得电源能够在不同的工作模式之间快速转换,满足负载变化的需求。
功耗管理 :MOS 管的低导通电阻(RDS(on))特性能够有效减少导通损耗,尤其在低电压大电流的应用场景(如锂电池供电设备)中,可显著降低发热,提高电源的能效。这对于延长电池寿命和提高设备的可靠性具有重要意义。
电压稳压与?;?:在低压差稳压器(LDO)中,MOS 管与控制芯片配合,能够稳定输出电压,并通过过流、过压保护电路防止器件损坏。这种?;すδ苋繁A说缭聪低吃谝斐G榭鱿碌陌踩诵校苊庖蚬骰蚬沟贾碌纳璞腹收稀?/div>
反向电流阻断 :MOS 管在电源路径中能够防止电流倒灌,保护敏感元件(如 USB OTG 应用中的 VBUS 隔离)。这一特性对于多电源系统和需要双向供电的应用尤为重要,能够避免电流从负载回流到电源,保护电源和负载免受损坏。
(二)开关电源 MOS 管的选型方法
电压参数
VDS(漏源击穿电压) :需高于电路最大电压的 30% - 50% 余量。例如,在 12V 系统中,建议选择耐压值在 30V 以上的 MOS 管,以确保在电压波动或异常情况下,MOS 管不会因过压而损坏。
VGS(栅源耐压) :确保驱动电压(如 5V/10V)不超过 MOS 管极限(如 ±20V)。过高的栅源电压可能会导致 MOS 管的栅极绝缘层损坏,影响其正常工作和可靠性。
电流能力
连续电流(ID) :根据负载最大电流选择,通常选择 MOS 管的连续电流能力比负载最大电流高 1.5 - 2 倍。例如,对于 5A 的负载,建议选择 ID ≥ 8A 的 MOS 管,以保证在长时间工作过程中,MOS 管不会因过热而损坏。
脉冲电流(ID_pulse) :为应对瞬间峰值电流(如电机启动电流),需留足余量。MOS 管在脉冲电流下的承受能力通常比连续电流高,但也不能超过其极限值,否则可能会导致 MOS 管的永久性损坏。
导通电阻(RDS(on))
低 RDS(on) 优先 :低导通电阻能够减少导通损耗,提高电源效率。例如,在 12V/10A 的应用中,若 MOS 管的 RDS(on) 为 10mΩ,则导通损耗仅为 1W(P = I²R);而若 RDS(on) 为 50mΩ,则损耗达 5W。这对于高功率密度和高效率的电源设计尤为重要。
权衡成本与性能 :虽然超低 RDS(on) 的 MOS 管能够提供更好的性能,但其价格相对较高。在实际选型中,需要根据散热条件、电源效率要求以及成本预算,合理选择 RDS(on) 合适的 MOS 管。
开关速度
栅极电荷(Qg) :在高频应用(如 > 100kHz 开关频率)中,应选择 Qg 较小的型号(如 20nC),以降低驱动损耗。较小的 Qg 表示驱动 MOS 管所需的能量较少,这对于高频开关电源中的驱动电路设计至关重要。
开关时间(td(on)/td(off)) :开关时间影响电磁干扰(EMI)和电源效率,需匹配驱动电路。例如,使用专用栅极驱动 IC 时,应确保 MOS 管的开关时间与驱动 IC 的特性相匹配,以实现快速、可靠的开关动作,同时减少 EMI 的产生。
热管理
封装类型 :根据功率需求和散热条件选择合适的封装类型。例如,TO-220 封装带有散热片,适用于功率大于 10W 的应用场景;SOT-23 封装适用于小功率应用;而 DFN 封装则具有紧凑型和高散热的特点,适用于对空间要求严格的高功率密度设计。
结温(Tj)与热阻(RθJA) :需要计算功率损耗(P = I²RDS(on) + 开关损耗),确保结温低于 125℃(工业级)。在实际应用中,可以通过增加散热片、优化 PCB 布局等方式降低热阻,提高散热性能,保证 MOS 管在安全的温度范围内工作。
(三)不同应用场景下的 MOS 管选择
同步整流 :在同步整流应用中,应选择低 Qg 的 MOS 管(如 OptiMOS 系列),以提升反向恢复效率。低 Qg MOS 管能够减少开关过程中的能量损耗,提高同步整流电路的效率,特别适用于高频率、高效率的 DC-DC 转换器。
高边开关 :高边开关应用需要 MOS 管兼容自举电路,通常选用逻辑电平 MOS 管(VGS(th) < 2.5V)。逻辑电平 MOS 管能够在较低的驱动电压下工作,与常见的逻辑电路电平兼容,便于驱动控制,适用于电机驱动、LED 照明等高边开关应用。
电池?;?:在电池保护电路中,优先选择低静态电流的 MOS 管(如 < 1μA)。低静态电流 MOS 管能够在电池未工作时减少电量消耗,延长电池使用寿命,这对于便携式设备和电池供电系统尤为重要。
〈烜芯微/XXW〉专业制造二极管,三极管,MOS管,桥堆等,20年,工厂直销省20%,上万家电路电器生产企业选用,专业的工程师帮您稳定好每一批产品,如果您有遇到什么需要帮助解决的,可以直接联系下方的联系号码或加QQ/微信,由我们的销售经理给您精准的报价以及产品介绍
〈烜芯微/XXW〉专业制造二极管,三极管,MOS管,桥堆等,20年,工厂直销省20%,上万家电路电器生产企业选用,专业的工程师帮您稳定好每一批产品,如果您有遇到什么需要帮助解决的,可以直接联系下方的联系号码或加QQ/微信,由我们的销售经理给您精准的报价以及产品介绍
联系号码:18923864027(同微信)
QQ:709211280
- 上一篇:监控系统mos管,LED红外线灯mos管?的应用介绍
- 下一篇:最后一页
相关阅读