一、正激式变压器开关电源
正激式变压器开关电源是一种常见的电源架构,在其工作过程中,变压器初、次级线圈的激励与功率传输具有明确的时序关联。具体而言,当变压器的初级线圈被直流电压激励时,次级线圈恰有功率输出。

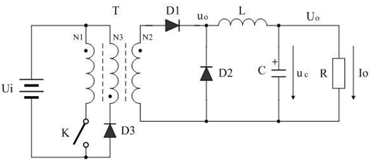
我们可以通过一个简化的原理图(图1)来深入理解其工作机理。

我们可以通过一个简化的原理图(图1)来深入理解其工作机理。
在图1中,各元件承担着关键作用:Ui为开关电源的输入电压源头,T是核心的开关变压器,K是用于控制电路通断的开关,L和C分别为储能滤波电感和电容,D2及D3分别是续流二极管与削反峰二极管,而R则代表负载电阻。特别需要注意的是开关变压器初、次级线圈的同名端,若同名端的确定出现偏差,将直接改变电路的工作模式,使其不再属于正激式架构。
从相关公式可知,改变控制开关K的占空比D,主要影响输出电压的平均值Ua,而对于输出电压的幅值Up并无改变。因此,正激式变压器开关电源在应用于稳压电源场景时,通常采用电压平均值输出方式,以满足稳定的电压供应要求。以下是正激式变压器开关电源的电压、电流波形图,直观呈现了各物理量随时间的变化规律。


二、反激式变压器开关电源


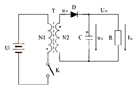
反激式变压器开关电源的工作原理同样基于变压器的电磁感应特性,但其电路架构与正激式有所不同。以下是反激式变压器开关电源的简单工作原理图,其中Ui为输入电压,T是开关变压器,K是控制开关,C是储能滤波电容,R为负载电阻。


与正激式类似,反激式变压器开关电源的电压输出波形也有其独特的特征。以下是其电压输出波形图,展示了在开关动作下输出电压的动态表现。总体而言,正激式与反激式变压器开关电源在电路结构、工作原理以及应用场景等方面存在一定差异,设计者可根据实际需求进行选择与应用。
〈烜芯微/XXW〉专业制造二极管,三极管,MOS管,桥堆等,20年,工厂直销省20%,上万家电路电器生产企业选用,专业的工程师帮您稳定好每一批产品,如果您有遇到什么需要帮助解决的,可以直接联系下方的联系号码或加QQ/微信,由我们的销售经理给您精准的报价以及产品介绍
〈烜芯微/XXW〉专业制造二极管,三极管,MOS管,桥堆等,20年,工厂直销省20%,上万家电路电器生产企业选用,专业的工程师帮您稳定好每一批产品,如果您有遇到什么需要帮助解决的,可以直接联系下方的联系号码或加QQ/微信,由我们的销售经理给您精准的报价以及产品介绍
联系号码:18923864027(同微信)
QQ:709211280