全桥与半桥驱动:原理、特性及应用解析
全桥和半桥驱动电路是两种关键的技术方案,它们各自具备独特的工作原理和适用场景。以下是对这两种驱动方式的详细分析。
一、全桥驱动的深度剖析
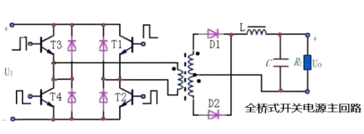
全桥驱动电路由四个功率开关构成,通常采用两个H桥(上、下各两个)的架构。每个桥臂配置一个开关,上下对称地连接至电机的两相绕组。这种设计使得全桥驱动能够灵活地控制电机的电流方向和大小,从而实现对电机运转状态的精准调控。
全桥驱动的工作原理依托于功率开关的交替导通与截止。通过巧妙地控制上下桥臂的开关状态,可以实现电机的正反转以及调速功能。具体而言,当需要电机正转时,上桥臂的某个开关与下桥臂的对应开关同时导通;而当需要电机反转时,则切换上下桥臂的开关状态。此外,通过改变左右桥臂的开关导通时间,能够有效调节电机的转速,以满足不同的应用场景需求。


全桥驱动具有显著的优势。它能够提供正向和反向电流,这意味着它可以改变电机的旋转方向,适用于双电源电机驱动,如交流电源或双电池供电的应用场景。在电动汽车的电机控制等高效率和大电流需求的应用中,全桥驱动凭借其控制灵活、电源利用率高、适用于高效率和大电流应用的特点,展现出了卓越的性能。然而,全桥驱动也存在一定的局限性。其成本相对较高,需要更多的功率开关元件和控制电路,这在一定程度上限制了其在成本敏感型应用中的普及。
二、半桥驱动的详尽解读
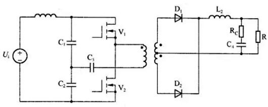
半桥驱动电路由两个功率半导体开关组成,分别称为上桥臂和下桥臂。这种简洁的结构使其成为最简单的无刷电机驱动方案之一,通常用于单极性电源,例如电池供电的应用场景。
半桥驱动的工作原理基于两个功率开关的交替导通和截止。通过控制信号的调节,上桥臂和下桥臂交替开启和关闭,从而控制负载的电流流向和大小。在电机控制中,通过调节PWM信号的占空比,可以精确地控制电机的转速和转向,实现对电机运行状态的高效调控。


半桥驱动的特点十分鲜明。它只能提供正向电流,无法实现反向电流输出,因此在应用范围上受到一定限制。然而,由于其简单的结构和较低的成本,半桥驱动在单电源驱动场景中具有独特的优势,尤其适用于功率较低的应用,如电源变换器等。在这些应用中,半桥驱动能够以较高的性价比提供稳定可靠的电机驱动功能,满足日常使用需求。
三、全桥与半桥驱动的对比分析
半桥驱动和全桥驱动在结构、功能和应用方面存在诸多差异,各自适用于不同的应用场景。
(一)半桥驱动
结构特点:由两个功率开关组成,分别连接到电机的两个相。
工作原理:通过控制两个功率开关的通断状态,控制电流流向,驱动电机旋转。其控制逻辑相对简单,便于实现基本的电机驱动功能。
电流方向:只能提供正向电流,不能反向。这限制了其在需要频繁改变电机旋转方向的应用中的使用。
适用电源:适用于单电源驱动,如电池供电的应用。在便携式设备和对电源要求较为简单的系统中具有广泛的应用。
应用领域:由于其简单的结构和较低的功率需求,半桥驱动常被用于一些功率较低的应用场景,如小型电源变换器、低功率电机控制等。
(二)全桥驱动
结构特点:包含四个功率开关,能够提供正向和反向电流。这种复杂的结构为全桥驱动提供了更多的功能和灵活性。
工作原理:通过控制四个功率开关的通断状态,实现正向和反向电流的流动,从而改变电机的旋转方向。全桥驱动能够更精细地控制电机的运行状态,满足复杂的应用需求。
电流方向:可以提供正向和反向电流,因此能够改变电机的旋转方向。这使得全桥驱动在需要频繁正反转控制的应用中表现出色,如工业自动化设备、电动车辆等。
适用电源:适用于双电源供电,如交流电源或者双电池供电的应用。双电源供电为全桥驱动提供了更广阔的电压范围和电流能力,使其能够应对高功率需求的场景。
应用领域:全桥驱动适用于高效率和大电流的应用场景,如电动汽车的电机控制、大型工业设备的驱动系统等。在这些应用中,全桥驱动能够充分发挥其高效率、高功率处理能力的优势,确保电机系统的稳定运行。
(三)优缺点对比
半桥驱动的优点在于其结构简单,成本较低,适用于单电源驱动和功率较低的应用。然而,它的缺点是只能提供正向电流,无法实现电机的正反转控制,功能相对有限。而全桥驱动则具有控制灵活、电源利用率高、适用于高效率和大电流应用的优点,能够满足复杂多变的应用需求。但其缺点是成本较高,需要更多的功率开关元件和控制电路,这在一定程度上增加了系统的设计复杂性和成本投入。
〈烜芯微/XXW〉专业制造二极管,三极管,MOS管,桥堆等,20年,工厂直销省20%,上万家电路电器生产企业选用,专业的工程师帮您稳定好每一批产品,如果您有遇到什么需要帮助解决的,可以直接联系下方的联系号码或加QQ/微信,由我们的销售经理给您精准的报价以及产品介绍
〈烜芯微/XXW〉专业制造二极管,三极管,MOS管,桥堆等,20年,工厂直销省20%,上万家电路电器生产企业选用,专业的工程师帮您稳定好每一批产品,如果您有遇到什么需要帮助解决的,可以直接联系下方的联系号码或加QQ/微信,由我们的销售经理给您精准的报价以及产品介绍
联系号码:18923864027(同微信)
QQ:709211280